Авторизация
Регистрация

Напомнить пароль

Внешний аккумулятор Baseus Bipow Digital Display 20000mAh 15W внутри

Всем привет!
Сегодня у нас на распотрошении — повербанк, который треснул.
Добро пожаловать под кат!

Данный повербанк принадлежит к линейке Bipow Digital Display.
Она состоит из трех девайсов мощностью 15 Вт и емкостью 10, 20 и 30 Ач. Длина и ширина у них одинаковые — 153 и 69 мм, а вот толщина в зависимости от емкости составляет 17, 29,5 и 42 мм соответственно.
В быструю зарядку банка не умеет и выдает только 5 В, зато 3 А в сумме.
Хотите — забирайте эти амперы с одного разъема, хотите — с двух-трех. Зарядка возможна через USB-microB или USB-C, подключение нагрузки — через USB-C и USB-A.
Маркировка:
Конструкция корпуса не то чтобы в принципе не предполагает разборки, но выполнить её без повреждения не получится из-за конструкции защелок:
Внутренняя электроника:
Плоские литиевые аккумуляторы, выпущенные судя по маркировке в 2023 году, раздуло так, что внешний корпус треснул вдоль.
Плата со стороны индикатора:
… и со стороны контроллера:
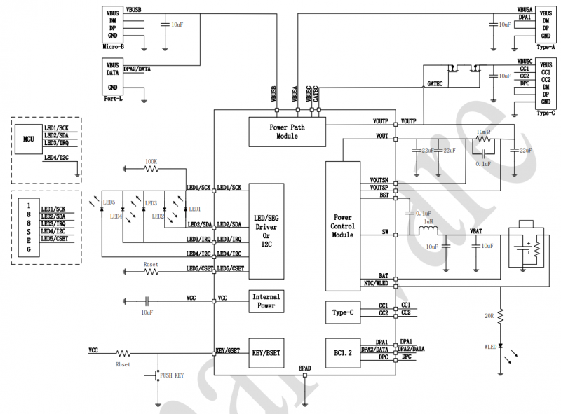
Реализовано оно на контроллере SW6008, полный даташит на который доступен по ссылке, ну а для тех, кому лень — вот типовая схема его включения:
Одной из фич данного контроллера является умение индицировать уровень заряда не линейкой из четырех светодиодов, а цифровым семисегментным индикатором — если, конечно, он специально обучен управляться по протоколу I2C.
P.S. После всех перенесенных издевательств плата всё ещё живая.
Добавить в избранное
+30 +38
свернутьразвернуть
Комментарии (68)
RSS
+
avatar
+2
  • Minor
  • 24 ноября 2025, 23:38
Простите, а какой Вам был смысл покупать в 2023 году пауэрбанк без быстрой зарядки? Я даже не знал, что у них (Бэзиас) такие были. И они, вроде, все с цифровым индикатором.
+
avatar
+9
  • oleg235
  • 24 ноября 2025, 23:41
Да мне, в принципе, и сейчас хоть с быстрой зарядкой, хоть без неё покупать смысла нет:)
+
avatar
0
  • Minor
  • 24 ноября 2025, 23:55
Ага, тогда понятно :)
+
avatar
+5
Сэр, а почему вы думаете, что он был куплен? Если бы вы читали обзоры этого автора, то знали бы, что он все исключительно делает своими руками, DIY
mysku.club/my/oleg235
+
avatar
+7
  • Minor
  • 24 ноября 2025, 23:53
По Вашей ссылке я ничего не заметил сделанного своими руками, по крайней, на первой странице. Этот пауэрбанк-то сугубо промышленный, конкретно Baseus. Я никогда у них такого не видел (у меня есть вся их линейка от 22,5 до 450 Вт), чего и поинтересовался интенцией.

Потрошение же, это, конечно, безусловно интересно («Как это устроено», «Как это работает»), но не думал, что это относится к DIY. Пересмотрю свои представления о :).
+
avatar
+2
Ну Олег всегда публикует свои обзоры в категории «сделано руками», такая традиция.
Блог DIY, или Сделай сам в самом верху обзора.
Поэтому и нет ссылки где купить и, скорее всего, история приобретения этого повербанка уходит своими корнями куда-то в сторону, а Олег их только ремонтирует. Или просто разбирает.
+
avatar
+2
  • Minor
  • 25 ноября 2025, 05:20
Что вы мне ссылаетесь на очевидное — я здесь давно и всё и всех знаю. Просто не болтаю попусту.
И я ничего не говорил по поводу где и как топикстартеру размещать свои посты, безусловно интересные. Мне просто интересна была (ещё раз) интенция — чем заинтересовал.
+
avatar
-1
Если вы «здесь давно и все и всех знаете», почему спрашиваете очевидные вещи?
+
avatar
+1
  • Minor
  • 25 ноября 2025, 09:37
Интенция автора — очевидная вещь? Я не умею читать мысли.
У вас бы не спрашивал, потому что здесь давно.
+
avatar
+2
Я тоже не умею читать мысли. Но умею анализировать.
Каждый месяц, после 20 чисел Олег начинает потрошить то, что ему попало под руку. Я понимаю, что работать сменным электриком, электроником или киповцем на заводе скучно, особенно ночью.
Но все же прозрачно.
mysku.club/blog/news/103348.html#comment4661543
+
avatar
0
  • oleg235
  • 25 ноября 2025, 13:19
Но все же прозрачно.
Изложите развернуто суть своих претензий.
Вас не устраивает факт того, что я пишу обзоры? Или не устраивает содержание обзоров? Или не устраивают объекты изучения?
+
avatar
+1
Очень смешно видеть от автора, у которого уровень знаний выше моего, обзоры типа «запаял на место разъем в фонарике», «смотрите в повербанке вздулись банки. И платка есть и она работает!».
Точнее всего написал один из комментаторов: «скоро на откручивание четырех шурупов будет четыре обзора в DIY»
+
avatar
-1
  • oleg235
  • 25 ноября 2025, 18:17
Очень смешно видеть от автора, у которого уровень знаний выше моего, обзоры типа «запаял на место разъем в фонарике», «смотрите в повербанке вздулись банки. И платка есть и она работает!».
А ещё смешнее видеть, как обзор «в повербанке оказался песок в аккумуляторах» залетает в топ месяца. Причем даже самого повербанка в обзоре не показали.
Я бы с удовольствием писал про MoDT, но их почему-то на обзор не дают.
+
avatar
+2
А сгоревшие лампочки на обзор дают? :))
Вам тот повербанк с песком нанес психологическую травму на всю жизнь?
Песок в повербанке — это необычно.
А припаивание разъема в фонарике на место — посмотрите первый комментарий и реакцию людей на него.
+
avatar
-3
  • oleg235
  • 25 ноября 2025, 23:03
А припаивание разъема в фонарике на место — посмотрите первый комментарий и реакцию людей на него.
Это называется «наводящий вопрос» — который ставит целью получение требуемого ответа, а не верного.
Суть обзора не в том, что разъём припаивается на место, а в том, как это делается правильно, чтобы он не отлетел снова.
Песок в повербанке — это необычно.
Только для того, кто последние лет 20 провел в анабиозе, потому что впервые аккумуляторы обнаруживались году так в 2005 — ещё даже не литиевые.
+
avatar
+14
  • FiL_In
  • 24 ноября 2025, 23:57
Покупал 30ку базеус без быстрой зарядки для походов. Во первых дешевле. Во вторых итоговый кпд выше. А торопиться некуда — поставил на ночь и ок
+
avatar
+1
  • Minor
  • 25 ноября 2025, 00:15
дешевле
Это мощный аргумент, но сейчас (и уж с пару лет, не меньше) они практически в одной цене (22,5 Вт которые, 1S).
итоговый кпд выше
Только для 5 В. В походах не мешает и 12 В часто… По 12 вольтам простые сильно проигрывают в КПД более мощным (3S-4S).
Хотя да, сейчас почти всё есть 5-вольтовое (в частности, свет; раньше приходилось приспосабливать автомобильное), так что Вы правы :)
+
avatar
+1
  • vlo
  • 25 ноября 2025, 02:57
они практически в одной цене
так их нередко покупают не по регулярной цене, а по хорошей скидке. а там уж как повезет.
+
avatar
+1
  • Minor
  • 25 ноября 2025, 03:43
Ну да. сейчас и приличные (100- и 140-ваттники) вдвое-втрое дешевле можно. Их по регулярной никто и не.
+
avatar
+1
  • vlo
  • 25 ноября 2025, 04:06
эти «приличные» стоят в разы дороже. а кроме как питать ноуты он не нужны.
+
avatar
+2
  • Minor
  • 25 ноября 2025, 04:52
Так питать ноуты — это одна из основных востребованностей :)
Вот превосходный 140-ваттник (выдающий 28 вольт и 5 ампер от начала до полного разряда) — 2456 рублей. 24 ампер-часа. Истинных — у меня таких пара. В разы чего он стоит дороже?
Ну и не только ноуты — у меня, скажем, они для питания усилителей. И через триггеры — как универсальный широкодиапазонный (3-30 вольт) и достаточно сильноточный (до 5 ампер) автономный источник питания.
Ну и сейчас достаточно много смартфонов, способных заряжаться с мощностью 100 ватт. Вот Blade (20 Ач, 100 Ватт) за 2236 рублей с кремний-углеродными аккумуляторами.
И я говорил:
они практически в одной цене (22,5 Вт которые, 1S)
На случай атомной войны, опять же :)
+
avatar
+2
  • vlo
  • 25 ноября 2025, 05:22
лично ваших — возможно. но и не более того.

в разы — менее мощных той же емкости. в хорошую распродажу 20ач обходились меньше тыщи, а не больше 2х.
+
avatar
0
  • Minor
  • 25 ноября 2025, 05:36
Почему моих — я ссылаюсь на для всех.
в разы — менее мощных той же емкости
Так это естественно! За мощность конечно надо платить! 600-й Мерседес стоит в разы дороже 200-го, хоть оба они Мерседесы. Чего их сравнивать в цене? Я помянул их (мощные) — что цена сейчас (вот в данный момент) не сильно отличается от обычных (а должна сильно; и обычно отличается сильно — по 7-9 тысяч стоят помянутые). Чтоб кому надо, но в обычные времена колется, могли ещё взять.

Так сейчас самая хорошая распродажа и есть.
Вот этот 10-амперник я купил на прошлой неделе за 484 рубля.
+
avatar
0
  • Minor
  • 25 ноября 2025, 04:02
В из 30-ках всё же есть быстрая зарядка (12 В, 22,5 Вт). Во всех.
+
avatar
+1
Во вторых итоговый кпд выше. А торопиться некуда — поставил на ночь и ок
Взять USB кабель без data-линий и будет 5 В на любом источнике и потребителе.
+
avatar
-1
  • Funt
  • 25 ноября 2025, 08:08
Некоторые и современные телефона заряжают зарядником 1А) если не понимаешь что и для чего не стоит всех судить по себе
+
avatar
+1
  • Minor
  • 25 ноября 2025, 10:50
Ага, а некоторые и штаны через голову надевают.
Я нигде не судил всех, тем более по себе.
+
avatar
0
оно не всем нужно) а переплачивать за ненужные функции смысла тоже не особо.
+
avatar
0
  • Minor
  • 27 ноября 2025, 04:12
Конечно :)
+
avatar
+2
а раздувает банки в том числе, потому что контроллер разряжает банки до 3V, что li-po пакетов- перебор, подключал платку к лбп и смотрел на каком вольтаже отключается и показывает 0%
+
avatar
+1
  • vlo
  • 25 ноября 2025, 02:53
минимальное напряжение зависит от химии, но никак не от материала корпуса элемента.
+
avatar
0
я и написал, LI-PO пакеты, это не химия?
+
avatar
0
  • vlo
  • 25 ноября 2025, 12:32
это материал их корпуса, написал же.
+
avatar
0
нет, li-po отличается от li-ion, тем же электролитом, диапазоном напряжений и т.д., а никакой не материал корпуса, li-ion тоже бывают в мягкой оболочке, причем тут корпус, когда я писал именно про тип аккума- li-po
+
avatar
-2
  • vlo
  • 26 ноября 2025, 01:47
в обиходе -pol — это пакет, а не какой там электролит.
вы можете иметь что угодно, но в обзоре налицо только это.
и электролит там наверняка жидкий.
+
avatar
0
нет, в обиходе как раз отличают по химии и эксплуатационным характеристикам, я несколько раз конкретно сказал, что речь идет про химию, а не вариант корпуса. это как раз вы строите догадки неизвестно на чем, а у меня был такой павербанк, кторый так же раздуло и который я вскрывал
+
avatar
0
  • vlo
  • 27 ноября 2025, 02:41
в обиходе и слов-то таких не знают.

а как вы выяснили по приведенным картинкам о химии — ну очень интересно.

ну и каким образом вскрытие помогло определить особенности химии тамошнего пакета?
+
avatar
0
да, да, в обиходе одновременно подразумевают что-то по названию, но при этом и слов таких не знают, уж как-нибудь определиться бы, что вы приписываете на основе своих фантазий неограниченному кругу людей

открою тайну- на аккумах бывает маркировка, которая отнюдь не о типе корпуса, да
+
avatar
+1
  • Minor
  • 25 ноября 2025, 03:51
Критическое напряжение для литий-ионных (когда начинаются необратимые изменения) — 1 вольт. Здесь это неоднократно и весьма убедительно показывал INN36.
+
avatar
+1
цилиндрические ионки в жестком корпусе и ли-по пакеты- разные аккумы
+
avatar
+2
  • Minor
  • 25 ноября 2025, 09:35
Конечно, конструктивно только. Это-то у них одинаковое. 18650 не вздуваются просто потому что корпус стальной — особо не повздуваешься.
+
avatar
0
не только по исполнению корпуса, разные материалы, разный электролит, разные эксплуатационные характеристики. li-po на отличненько деградируют и дуются, если просто полежат полгодика заряженными, сильно проседает токоотдача и емкость, это то что я видел не раз лично, ионки спокойно лежат заряженные и не деградируют таким образом
+
avatar
0
  • Minor
  • 25 ноября 2025, 23:16
Ну, что они разные и отличаются и тем, и тем, и тем, это и ежу понятно.
Я пристрастно изучаю их свойства (люблю; считаю величайшим изобретением прошлого века) уже 25 лет — практически с момента их появления в России, и имею по нескольку сот тех и других, в т.ч. и произведённых ещё в прошлом веке.
Дуют все, точнее, цилиндрические дули бы, как и LiPo, да, как уже написал выше, прочный стальной корпус не позволяет. Вот те, что дохнут 18650 — это такие же дутыши, только несостоявшиеся, подавленные. Это ОБЩЕЕ у них у всех (литий-ионных). Почему дуются, тоже общеизвестно — уж много в сети вполне корректной информации — любой действительно интересующийся может легко найти.
Другое дело, почему одни дуются, а другие нет. Я знаю, и не так давно приводил убедительный аргумент (в виде ссылок на исследования), но чего-то никого не убедило :). Поэтому умолчу. Впрочем, это знание непрагматическое — радикально изменить все равно ничего нельзя — дули и будут дуть :)
+
avatar
0
  • Robotov
  • 26 ноября 2025, 06:20
Почему дуются, тоже общеизвестно — уж много в сети вполне корректной информации — любой действительно интересующийся может легко найти.
Если можно, вкратце, расскажите, пожалуйста, почему вздуваются или направьте где именно почитать про причины. В сети слишком много противоречивой информации на этот счет.
+
avatar
+1
  • Minor
  • 26 ноября 2025, 08:34
Ой, ну это химия. Там много всего. Вот, например — там в конце списочек, ну и можно почитать — доступно школьнику предпоследнего класса.
Вообще, посмотрите здесь публикации (фактически это полномасштабные научно-исследовательские работы) INN36. В частности, этот и этот (блестящие аргументированные и корректные исследования). Как и во всякой приличной работе, у него там есть список весьма полезной литературы (фактически библиотека), доступной для скачивания.
+
avatar
0
  • Minor
  • 25 ноября 2025, 23:26
полежат полгодика заряженными, сильно проседает токоотдача и емкость
У Вас просто слишком небольшая выборка.
Я вот некогда (лет 15 назад) купил несколько электронных книг себе и в качестве подарков, совершенно одинаковых. Парочка оказалась невостребованной и одну мне спустя 10 лет отдали как ненужную (мою же, из этой партии). Так вот, в одной из книг аккумулятор вздулся при первой же зарядке, две я держу в постоянно заряженном состоянии (чего в норме, считаю, делать нельзя — голые аккумуляторы храню всегда полностью разряженными), подзаряжая раз в два года, и одна с тех пор ни разу не заряжавшаяся сейчас хранит заряд порядка 60%. А это одни и те же книги (купленные в одном магазине в течение месяца), и аккумуляторы в них одни те же (наиболее вероятно).
+
avatar
0
прямо сейчас у меня кг 20 аккумов разной емкости, как ионок, так и полимеров, т.к. летаю на коптерах, самолетах уже лет 10, выборка у меня нормальная)) история эта повторялась не раз, в силу моего разгильдяйства, когда на зиму забывал уводить аккумы в storage, что соответствует номинальному напряжению и каждый раз это заанчивалась тем же результатом, на леталках просадка параметров оч заметна, особенно много жрущих, как гоночные коптеры. с ионками вообще не парюсь, они не теряют так характеристик, как я уже и писал. были бы сравнимые варианты по токоотдаче- с радостью бы отказался от капризных высокотоковых полимеров
+
avatar
0
  • Minor
  • 26 ноября 2025, 23:38
С этим не спорю. Эти (высокотоковые LiPo) — особая песня.
Короткая, как правило, независимо от обращения.
Вот такие ещё совсем маленькие — < 200 мАч.
+
avatar
0
Разбирал на днях такой же, если аккуратничать, то можно без особых повреждений разобрать, если грань какая-то замнется, то можно тупой металической лопаткой или отверткой разгладить
+
avatar
+3
Я вам страшную вещь скажу. Вздутые банки, выдающие нормальное напряжение, я аккуратно протыкал иглой, спускал газ, и заклеивал отверстие скотчем. После чего они ещё какое-то время работали. Протыкал, естественно, отпаянные, и в безопасном месте. Возможность возгорания игнорировать глупо.
+
avatar
0
  • Minor
  • 25 ноября 2025, 06:53
Если их перед этим разрядить, никакой опасности нет. Главное, не замкнуть иглой сами пластины :)
+
avatar
0
  • shai27
  • 25 ноября 2025, 10:10
Во-во. На днях попался раздутый нокла-аккум, я его протыкать, а он в толстом алюминии — фиг проткнешь! Пришлось сверлить) отверстие заклеилось обратно родной этикеткой.
+
avatar
+1
Зарядка возможна через USB-miniB
Прочитал — сильно удивился, посмотрел на фото — а нет, всё в порядке.
+
avatar
0
  • vlo
  • 25 ноября 2025, 12:37
а в чем прикол? там налицо micro-b, да и -b тут умолчательно, незачем его дописывать.
+
avatar
+1
micro, не mini.
Читал, не смотря на картинку. Наткнулся и сильно удивился, т.к. такого антиквариата увидеть совсем не ожидал.
+
avatar
+2
  • smos
  • 25 ноября 2025, 12:53
micro-b, да и -b тут умолчательно, незачем его дописывать
Наверное, потому что лишним не будет, поскольку micro может быть не только b:
+
avatar
0
  • vlo
  • 25 ноября 2025, 14:34
будет, ибо в природе «не только» не встречается
+
avatar
0
Для полноты картины на картинке не хватает USB 3.0 type-B.
+
avatar
0
  • vlo
  • 27 ноября 2025, 02:43
вот этот как раз вполне реален, в отличие от mini/micro -a
+
avatar
0
  • Yoti
  • 25 ноября 2025, 22:04
> Зарядка возможна через USB-miniB
А можно на картинке обвести?
+
avatar
0
Сейчас такой заряжаю Как вам на зарядку только 20 вольт…
+
avatar
0
Внутри после ремонта Снаружи Это уже выход. Блин. 10 лет девайсу…
Только зарегистрированные и авторизованные пользователи могут оставлять комментарии.