Акустические системы JBL Northridge E60: переделка. Часть 1
Несложная переделка популярных акустических систем JBL Northridge E60 без значительных затрат.
Свою пару уже переделал и доволен результатом. ))
Ещё раз о полярности подключения динамиков после фильтров (кроссоверов).
1. Intro
Фото красоток E60:
Характеристики:
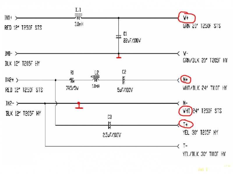
Схема:
Один конденсатор (ака ФВЧ для твитера) — это конечно свинство, которое часто встречается в простых АС Sven и подобных.
Ссылки по теме:
Помогите восстановить и переделать JBL E60
Суть проблемы:
«Чувствуется нехватка в области СЧ, возможно провалы. ВЧ сильно акцентируют С.» ©
Моя пара АС досталась мне не новой (т.е. б\у).
Исходные АЧХи вот такие:
Можно заметить «яму» на частоте 1,2 кГц (стык НЧ-СЧ) и сильный подъём в области ВЧ.
Вот с этими проблемами и решил повоевать…
2. Пищалки
Сначала руки дошли до пищалок.
Оказалось, чтобы выкрутить саморезы, потребовался шестигранник 2,8мм (это 7/64" в дюймовой системе). Пришлось врукопашную точить надфилем из стандартного 3мм-го.

Размеры овала «на проход»: 70*45 мм
Размеры овальной выборки: 87*61,5 мм
Собственно пищалка (ака твитер):
Овал 104*78 мм
Маркировка твитера (вероятно, это не оригинал, т.е. был заменён на аналог):
Фиксирующая пластина деформирована из-за нагрева:
Видать, её «жарил» предыдущий твитер:
Пришлось налепить два слоя термостойкого автомобильного скотча:
Овал, контактирующий с уплотняющей резинкой — 85*60 мм
Твитер имеет двугорбую АЧХ:
Резонансный пик, как у всех нормальных пищалок, отсутствует.
Предположительно, характеристики твитеров «уплыли» в худшую сторону, т.е. изначальная АЧХ была правильной. Почему так? Не знаю.
Родной твитер E60 с разными фильтрами:
В дальнейшем из-за горбатости всё же решил отказаться от родного твитера.
Постановка экспериментов: НЧ секция не использовалась (отключена),
СЧ динамики подключены штатно,
родной фильтр твитера не использовался.
В качестве ВЧ секции проверялись другие пищалки (AMP TW15, Hertz HT25, MeloDavid CB25M) с различными схемами фильтров.

TW15:
HT25:
CB25M:

Но все эксперименты с пищалками ^ пошли в корзину. Почему?
Из-за странности (или ошибки) в схеме. Об этом ниже.
3. СЧ динамик
Чтобы его открутить, снова потребовался шестигранник на 2,8мм:
Пластиковый «стакан» динамика остался внутри корпуса (как он там закреплён фз).
СЧ динамик:

Маркировка:
Омическое сопротивление 4,6 Ом.
Чтобы снять АЧХ, пришлось городить закрытый корпус от АС MS903i:
… И собрать аналог фильтра для СЧ, чтобы можно было вносить коррективы (родной фильтр решил пока не трогать).

СЧ динамик в чужом корпусе:
АЧХ СЧ динамика без фильтра и с родным фильтром:

Когда же я снял суммарную АЧХ НЧ+СЧ, она получилась совсем другая по сравнению с исходной.
На тот момент я уже порядком запутался в замерах и взял перекур. ))
4. Полярность подключения СЧ динамика в JBL E60
Если посмотреть схему повнимательней, то можно заметить, что
все динамики подключены плюсом к выходу своего фильтра
и минусом — к общему проводу (к нулю):

Что же обнаружилось реально?
К широкой 6мм клемме динамика подходит БЕЛЫЙ провод!
Широкий вывод динамика — это плюс:
Проверяю омметром:
Дилинь! С общей шиной НОЛЬ ом!!!
Т.о. СЧ динамик по факту включен в обратной полярности.
Чтобы не кромсать заводские проводники, сделал вот так:
Клеммы одеваются на выводы «папа» динамиков очень туго! Большой риск повредить планку с контактными штырями. Рекомендуется именно пайка к выводам динамика.
Результат:
Это подтверждает высказывание:

Я пошёл немного дальше в экспериментах и заменил родной твитер на HT25:
Уменьшение номинала R1 заметно и на слух, и по АЧХ:
Но поскольку до выковыривания родного кроссовера из E60 пока не дошло, оставил всё как есть.
5. Немного теории или парадокс фильтров 1-го порядка
Я «собрал» простенький стенд:
R1, C1 — ФНЧ с частотой среза 159 Гц (-3дБ)
C2, R2 — ФВЧ с частотой среза 159 Гц (-3дБ)

Если подключить оба фильтра к сумматору А1, то получается идеально ровная АЧХ:
При этом коэффициенты А и В для входов сумматора установлены "+1".
Теперь делаем инверсию для входа В: меняем настройку для этого входа на "-1".
И в результате получаем… точно такую же ровненькую АЧХ:

Для тех, кто не понял юмора, поясняю на пальцах:
при использовании идеальных динамиков и фильтров 1-го порядка
можно было бы включать динамики в любой полярности )))
В порядке эксперимента состряпал модель с очень грубым эквивалентом динамика (с линией задержки всего 0,2 мкс):

Результат не заставил долго ждать:
Т.е. взаимная полярность подключения «динамиков» тут уже влияет очень даже.
Поэтому в реальности приходится играться с полярностью подключения СЧ динамика (по отношению к НЧ динамику) и проверять микрофоном результат стыковки полос.
Аналогичная картина и для полярности ВЧ динамика (твитера) по отношению к СЧ динамику.
6. Замена твитеров на Hertz HT25
… стала возможной благодаря помощи коллеги с 3Д принтером.
Были напечатаны новые фланцы:

Ссылка на .stp файл Фланец ВЧ JBL
После установки в корпус АС:
Примечание: HT25 включена с родным «фильтром» E60, т.е. через конденсатор 2,5мкФ (см. схему выше).
Результат:

Звучание АС поменялось: стало меньше ВЧ.
Пока что решил оставить АС в таком виде («перевёрнутая» серединка и HT25).
Но, думаю, эксперименты на этом не остановятся. ))
Всем хорошего звука!
Свою пару уже переделал и доволен результатом. ))
Ещё раз о полярности подключения динамиков после фильтров (кроссоверов).
1. Intro
Фото красоток E60:
Характеристики:
Схема:
Один конденсатор (ака ФВЧ для твитера) — это конечно свинство, которое часто встречается в простых АС Sven и подобных.Ссылки по теме:
Помогите восстановить и переделать JBL E60
Суть проблемы:
«Чувствуется нехватка в области СЧ, возможно провалы. ВЧ сильно акцентируют С.» ©
Моя пара АС досталась мне не новой (т.е. б\у).
Исходные АЧХи вот такие:
Можно заметить «яму» на частоте 1,2 кГц (стык НЧ-СЧ) и сильный подъём в области ВЧ.Вот с этими проблемами и решил повоевать…
2. Пищалки
Сначала руки дошли до пищалок.
Оказалось, чтобы выкрутить саморезы, потребовался шестигранник 2,8мм (это 7/64" в дюймовой системе). Пришлось врукопашную точить надфилем из стандартного 3мм-го.

Размеры овала «на проход»: 70*45 ммРазмеры овальной выборки: 87*61,5 мм
Собственно пищалка (ака твитер):
Овал 104*78 ммМаркировка твитера (вероятно, это не оригинал, т.е. был заменён на аналог):
Фиксирующая пластина деформирована из-за нагрева:
Видать, её «жарил» предыдущий твитер:
Пришлось налепить два слоя термостойкого автомобильного скотча:
Овал, контактирующий с уплотняющей резинкой — 85*60 ммТвитер имеет двугорбую АЧХ:
Резонансный пик, как у всех нормальных пищалок, отсутствует.Предположительно, характеристики твитеров «уплыли» в худшую сторону, т.е. изначальная АЧХ была правильной. Почему так? Не знаю.
Родной твитер E60 с разными фильтрами:
В дальнейшем из-за горбатости всё же решил отказаться от родного твитера.Постановка экспериментов: НЧ секция не использовалась (отключена),
СЧ динамики подключены штатно,
родной фильтр твитера не использовался.
В качестве ВЧ секции проверялись другие пищалки (AMP TW15, Hertz HT25, MeloDavid CB25M) с различными схемами фильтров.
Некоторые графики АЧХ. Можно пропустить.

TW15:
HT25:
CB25M:
Но все эксперименты с пищалками ^ пошли в корзину. Почему?
Из-за странности (или ошибки) в схеме. Об этом ниже.
3. СЧ динамик
Чтобы его открутить, снова потребовался шестигранник на 2,8мм:
Пластиковый «стакан» динамика остался внутри корпуса (как он там закреплён фз).СЧ динамик:

Маркировка:
Омическое сопротивление 4,6 Ом.Чтобы снять АЧХ, пришлось городить закрытый корпус от АС MS903i:
… И собрать аналог фильтра для СЧ, чтобы можно было вносить коррективы (родной фильтр решил пока не трогать).
СЧ динамик в чужом корпусе:
АЧХ СЧ динамика без фильтра и с родным фильтром:
Когда же я снял суммарную АЧХ НЧ+СЧ, она получилась совсем другая по сравнению с исходной.
На тот момент я уже порядком запутался в замерах и взял перекур. ))
4. Полярность подключения СЧ динамика в JBL E60
Если посмотреть схему повнимательней, то можно заметить, что
все динамики подключены плюсом к выходу своего фильтра
и минусом — к общему проводу (к нулю):

Что же обнаружилось реально?
К широкой 6мм клемме динамика подходит БЕЛЫЙ провод!Широкий вывод динамика — это плюс:
Проверяю омметром:
Дилинь! С общей шиной НОЛЬ ом!!!Т.о. СЧ динамик по факту включен в обратной полярности.
Чтобы не кромсать заводские проводники, сделал вот так:
Клеммы одеваются на выводы «папа» динамиков очень туго! Большой риск повредить планку с контактными штырями. Рекомендуется именно пайка к выводам динамика.Результат:
Это подтверждает высказывание:
Я пошёл немного дальше в экспериментах и заменил родной твитер на HT25:
Уменьшение номинала R1 заметно и на слух, и по АЧХ:
Но поскольку до выковыривания родного кроссовера из E60 пока не дошло, оставил всё как есть.5. Немного теории или парадокс фильтров 1-го порядка
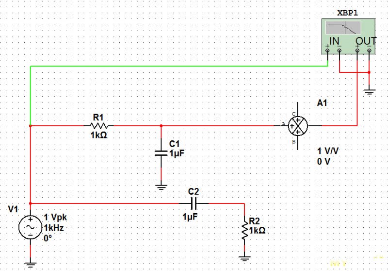
Я «собрал» простенький стенд:
R1, C1 — ФНЧ с частотой среза 159 Гц (-3дБ)
C2, R2 — ФВЧ с частотой среза 159 Гц (-3дБ)
Если подключить оба фильтра к сумматору А1, то получается идеально ровная АЧХ:
При этом коэффициенты А и В для входов сумматора установлены "+1".Теперь делаем инверсию для входа В: меняем настройку для этого входа на "-1".
И в результате получаем… точно такую же ровненькую АЧХ:

Для тех, кто не понял юмора, поясняю на пальцах:
при использовании идеальных динамиков и фильтров 1-го порядка
можно было бы включать динамики в любой полярности )))
В порядке эксперимента состряпал модель с очень грубым эквивалентом динамика (с линией задержки всего 0,2 мкс):

Результат не заставил долго ждать:
Т.е. взаимная полярность подключения «динамиков» тут уже влияет очень даже.Поэтому в реальности приходится играться с полярностью подключения СЧ динамика (по отношению к НЧ динамику) и проверять микрофоном результат стыковки полос.
Аналогичная картина и для полярности ВЧ динамика (твитера) по отношению к СЧ динамику.
6. Замена твитеров на Hertz HT25
… стала возможной благодаря помощи коллеги с 3Д принтером.
Были напечатаны новые фланцы:

Ссылка на .stp файл Фланец ВЧ JBLПосле установки в корпус АС:
Примечание: HT25 включена с родным «фильтром» E60, т.е. через конденсатор 2,5мкФ (см. схему выше).Результат:

Звучание АС поменялось: стало меньше ВЧ.
Пока что решил оставить АС в таком виде («перевёрнутая» серединка и HT25).
Но, думаю, эксперименты на этом не остановятся. ))
Всем хорошего звука!
Самые обсуждаемые обзоры
| +98 |
6599
326
|
| +77 |
4987
69
|
| +95 |
5169
52
|
| +32 |
1003
10
|
Про Тилля-Смола, ФНЧ/ВЧ и правильную АЧХ, естественно, я не знал, полагая. что звук из любого ящика будет звучать прекрасно.
Но оно того стоило. Самое интересное — в 3й части.
А хрипы и гулкость убивают звук напрочь.
а экспериментировать со спидолой мне еще не давали.
Гудение транса возможно по нескольким причинам:
— бракованый транс (тут только замена)
— повышенное напряжение сети
— усилительная часть начала потреблять ток больше положенного (тогда многие трансы начинают гудеть)
И тут маленькая деталь — если наш сердечник состоит из двух разделённых половин, то зазор между ними снижает напряжённость магнитного поля в нём действуя как постоянный ток подмагничивания пропущенный через обмотку что снижает и габаритную мощность сердечника в целом.
Такая сборка особенно важна для мощных трансформаторов т.к. при подмагничивании процент использования сердечника — отношение текущей и теоретической габаритных мощностей довольно сильно снижается, а значит для той же мощности нагрузки потребуется более массивный и дорогой трансформатор, а энергетики умеют считать деньги, особенно в своём кармане.
Ну и если звук слышен в динамиках, то тут не обязательно что вы слышите именно пульсации — есть такое "приятное во всех отношениях" явление как самовозбуждение усилителей и сигнал с частотой генерации может смешиваться с входным формируя в том числе и частотно-разностные сигналы — биения, а вот тем могут попасть в диапазон слышимости. И увидеть факт самовозбуждения без осциллографа или хотя бы широкополосного вольтметра переменного тока крайне сложно, хотя можно применить ряд приёмов которые позволят сказать "в схеме происходит что-то необычное", например замерить её ток потребления и сравнить с ожидаемым — при самовозбуждении он увеличится, но прирост будет не столь велик чтобы его нельзя было списать на ошибку измерений.
У меня так чуть гудел Heco Aurora sub30, питалово на Ш-образном трансе собран и с магнитом динамика когда он в корпусе наводки давал. Воткнул тор и гул пропал.
И увеличить ёмкость фильтрующих конденсаторов в фильтре выпрямителя, но до какой величины нужно считать, подойдут любые электролитические на рабочее напряжение как у стоящих (искать дорогие с пометкой AUDIO равно себя не уважать — от других они отличаются исключительно данной пометкой и многократно задранной ценой). Линейной зависимости или таблицы тут нет, есть только токи, напряжения и схема выпрямителя. И что очень желательно в любом случае, так это поставить на входе платы усилителя керамические ВЧ конденсаторы с линии питания на общий провод суммарной ёмкостью примерно 2,2 мкФ — это сильно облегчит вам жизнь.
Благо современная схемотехника позволяет это сделать недорого.
Во вторых, сводить 3 полосы — ещё тот секас.
Так что я по старинке: кроссоверы в АС и стереоусилитель. ))
Сводить 3 полосы не надо это делается один раз в компе, а далее автоматом. Далее транспорт USB с 4 I2S и 6 ЦАПов…
транспорт 3000
DSP 4000
DAC 6x1000 = 6000
TPA3255 6х1000 = 6000
Итого 19 т.р. плюс питание и помахать немного паяльником
со своей стороны вот другие компоненты для активной системы:
1. компьютер (Win, Lin — обычно есть) можно старый tv-box с установленным линуксом
2. многоканальная usb звуковуха для работы с CamillaDSP (использовать аналоговый или цифровой вход, или цифру по USB)
3. многоканальный AV-ресивер (главное чтобы прямые входы на усилители были)
Паяльником сделать многоампинг в старых фильтрах АС. (для обладателей 2 полосок с такой возможностью — только подключить)
в CamillaDSP по каналам ввести задержки на ВЧ ( и СЧ, в зависимости от конструкции АС)
Этим самым исправить импульс, что даст реальный и измеряемый качественный скачок в воспроизведении.
Для экспериментов, я брал подержанный ресивер и карту на CM6206
Этот, по моему мнению не дорогой набор и простая конфигурация, позволит оценить своё стремление к улучшению и избежать разочарования в дальнейшем.
Если вы не услышите разницы — не надо тратить время на самодельщину. Купите готовую блютус колонку с микрофоном и пойте!
www.chipdip.ru/product/pcm5242-audio-dac-s-minidsp-preobrazovatel-i2s-chipstudio-9000651675
DSP
www.chipdip.ru/product/rdc-pro-4-0027-sigmadsp-adau1467-modul-tsifrovoy-chipstudio-9001563139
Транспорт
www.chipdip.ru/product/reflex-3.0-usb-hi-res-transport-pcm-up-to-chipstudio-9001372247
Вы не учитываете своё время и знания.
Во сколько вы оцените конечное решение на заказ?
Я чисто для оценки реальных издержек.
Качественный ЦАП 6 каналов — это 15000 минимум (3*5000)
Нормальный усь на TPA3255 сегодня стоит на али 15000 с блоком питания, т.е. 45 тыщ на 6 каналов.
Итого 75тыр как минимум. Так что не надо меня ценой завлекать. )))
electroclub.info/invest/crossover/
1. Когда то нас командой пригласили на крупный тест акустики. И тогда было и много мусора и интересное, но особо положительно выделялась акустика использующая встроенную активную поканалку. Вот два мира, пассивный фильтр и поканалка. Запомнилось.
2. Помню так же процессоры из начала века. Ну Ыыху Ибенпаалу сказал бы что это можно рак ушей получить… Хотя фраза принадлежит одному уважаемому человеку в аудиоМире.
Когда то… хорошие умные люди спросили у высшего руководства одной компании производящей качественные и правильно звучащие динамики: Почему у вас что не серия то нет отстоя, всё или хорошо или очень хорошо. И получили ответ очень похожий на реальность, примерно на 146%.
Бренд и ответ, увы, не напишу…
Я к чему… кто умел и хотел — у того получалось. Моя акустика и усиление из прошлого века, и, как я уже указывал, следующий качественный ступенЪ получится при вложениях НА ПОРЯДОК больше. СГА и ипония.
30м обойдутся 450 руб, что ~ 25м за 440руб )))
Вот тут 25м за 240 руб
— в оригинале, как я вижу, он был немного утоплен относительно лицевой плоскости колонки
— новый твиттер выпирает, ибо фланец плоский и достаточно толстый
Не создаёт ли это проблем в плане всяких там фазовых согласований или как там правильно это назвать?
Читал когда-то, что по хорошему центры всех динамиков должны быть в одной плоскости.
Я смотрю микрофоном именно результирующую АЧХ.
постоянногостационарного сигнала и фазой импульсаФазовый сдвиг постоянного сигнала влияет только на АЧХ, и не делает ФЧХ ровной
Фильтры по полосам, представляют собой преобразователь Фурье, только не на отдельные синусоиды, а на диапазоны синусойд. Обратное преобразование уже в воздухе. И если фаза кривая — то и сигнал обратно с искажением собирается. Сначала ВЧ прилетает, потом СЧ и потом только НЧ.
Помнится, делал сравнительные замеры шумом и свип-тоном, ожидал увидеть разные результаты.
Но в результате получил совершенно одинаковые АЧХ.
Импульс посмотрите.
Моя в комнате:
Как я писал выше основная сложность — запустить CamillaDSP
Бинарики под разные платформы
В общем случае — запускать в параметром configFile.yml
Под виндой пришлось ставить драйвера с комплектного диска, а то как стерео определилась
Под линуксом проблем не было в Volumio дистрах.
На Raspberry и Orange ставил CamillaGUI
Вот аналог фильтров в колонках. Сейчас на фазолинейных.
После событий 2022 года от завода остались буквально руины.
RIP
Ну вот, теперь такой прибор на али и озоне.