Акустические системы JBL Northridge E60: продолжение или Часть 2
Ещё один временный вариант переделки акустических систем JBL Northridge E60.
Ковыряемся в схемотехнике: ошибки фильтров E60.
На этот раз изменения коснулись фильтров СЧ и ВЧ секций.
Обзор рассчитан на опытных радиолюбителей.
1. Intro
Недолго поработали Е60 после первого вмешательства. Всему винойзуд в одном месте и новогодние праздники.
Кто-то водку пьёт, а кто-то даташиты читает. Что приводит к чувству неудовлетворённости.
Наверно, это от недостатка с....
Так вот, если посмотретьтрезвым незамутнённым взглядом на схемотехнику акустических систем из одной линейки Е60-Е80-Е90-Е100, то можно заметить отличающуюся от собратьев схемотехнику Е60.
Именно схемотехника кроссоверов Е60 определяет характер звучания АС и, соответственно, все недостатки, которые хочется устранить.
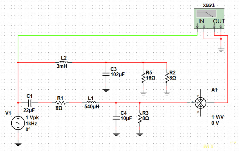
Схема JBL Northridge E60:
Всё фильтры НЧ, СЧ и ВЧ секций — 1-го порядка. ((
Что здесь не так? Попробую объяснить на пальцах.
НЧ секция: применён фильтр 1-го порядка, в результате чего НЧ динамик работает до частот, где должен работать СЧ динамик. На АЧХ это выглядит во так:
Хотя полоса ФНЧ всего до 600 Гц:

СЧ секция: тут полный ПЭ. Чтокурили думали разработчики, фз:
Т.е. СЧ динамику выделяется очень узкая полоса. Да ещё и чувствительность задавлена!
Бред какой-то.
Но даже за таким фильтром СЧ динамик пытается как-то выполнять свою функцию:

ВЧ секция: не иначе, как в разработке участвовали инженеры из компании Sven.
Фильтр — всего один конденсатор 2,5 мкФ:
За таким фильтром пищалка выдаёт следующую АЧХ:
Утрированно, инженеры превратили Е60 в двухполосную АС, в которой СЧ динамик установлен для вида и слегка пытается играть, чтобы покупатель ничего не заподозрил.
Теперь сморим схему JBL E80:
Фильтр НЧ секции — 2-го порядка,
фильтр СЧ секции — ФНЧ 2-го порядка, ФВЧ 1-го порядка,
фильтр ВЧ секции — 2-го порядка.
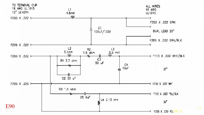
Схема Е90 похожа, как две капли воды:
Называется, найди отличия от Е80. ))
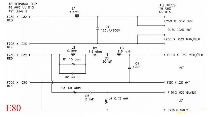
JBL E100:

Те же яйца Е80-Е90, вид сбоку. ))
Я потратил много времени в симуляторе Multisim 10.1, тестируя кроссоверы е-шек.
Да, по отдельности каждый фильтр моделируется распрекрасно.
Но АЧХ, которую мы видим микрофоном после каждой полосы (динамика), очень сильно отличается от красивых графиков, получаемых в симуляторе.
И хотя все АС линейки Е с виду похожи, их фильтры не взаимозаменяемы.
Решение проблем Е60, казалось бы, лежит на поверхности: заимствовать схему от Е80, слегка допилив её.
Но желание поэкспериментировать и излишняя самоуверенность заявили «я знаю более короткую дорогу». Поэтому дальнейший процесс пошёл по пути граблей.

Сейчас уже рассказать пошагово, что было сделано, не получится при всём желании.
Поэтому изложу примерный ход событий, на сколько позволяет память.
2. Второй вариант переделки Е60
Снял перемычки сзади на клеммнике АС и посмотрел АЧХ НЧ секции (НЧ динамика с фильтром):
НЧ секцию решил не трогать: для изменений потребовалась бы низкоомная катушка более 3мГн.
Далее снова посмотрел АЧХ СЧ динамика:
В этот раз — в родном акустическом оформлении.
Для этого пришлось проковырять два отверстия в стакане СЧ динамика:
… И вывести провода напрямую от СЧ динамика через фазоинвертор:

Это упростило всякие эксперименты и повысило точность измерений АЧХ по сравнению со сторонним корпусом-скворечником для СЧ динамика.
…
Далее состыковал НЧ и СЧ секцию:
Добавил ВЧ секцию:
TW15 — это 4-омная пищалка Hertz TW15
На этапе экспериментов это выглядело вот так:
И схема:
В таком варианте я послушал Е60 какое-то время.
3. E80 в качестве сравнения
Мне повезло: ко мне попала пара Е80, что позволило послушать более непеределанный звук. Послушав немного 80-ки, снова вернулся к экспериментам над Е60.
Начал с НЧ секций:
Понятное дело: фильтры разные, динамики разные, АЧХи тоже разные.
Поигрался разными фильтрами для Е60:
График белым цветом — это аналог фильтра по схеме Е80 (5мГн и 100мкФ суммарно), но АЧХ НЧ секции всё равно отличается от АЧХ Е80:
Кроме того, вылазит «бугор» на красном графике выше исходной АЧХ.
Я пошёл на нечестный приём: поигрался резисторами параллельно НЧ динамику.
Это дало некоторый эффект:

Бугор удалось притоптать:
Но получить АЧХ, аналогичную 80-ке, естественно не получилось.
Далее пристыковал СЧ секцию:


И ВЧ секцию:
HT25 — пищалка Hertz HT25, TW15 — Amp TW15.
Послушал немного, что получилось:
зы По левому каналу — Е80 для сравнения.
НЧ мне не понравились! Какой-то глушняк.
Тогда откинул 33+47мкФ и 16 Ом, т.е. вернул НЧ секцию к изначальному виду. Стало получше. ))
На АЧХ уже не смотрел. Просто слушал левую Е80 и переделанную правую Е60.
За одно «ушёл» конденсатор 10мкФ для СЧ секции.
Вот такая схема была на 12.01.2026:
Полярность подключения динамиков:
— НЧ и СЧ минусом на общий
— ВЧ плюсом на общий
С твитером ещё не определился окончательно, TW15 или HT25.
По родным (?) пищалкам есть вопросы. О них позже.
На этом сделал паузу, бо пришло время встречать Старый Новый год. ))
Новый кроссовер Е60 пока что в виде макета на полу около колонки.
Раздражает такое безобразие, но приходится терпеть. ))
Беру очередную паузу. Не торопитесь ковырять свои Е60. Ещё не вечер. ©
Ковыряемся в схемотехнике: ошибки фильтров E60.
На этот раз изменения коснулись фильтров СЧ и ВЧ секций.
Обзор рассчитан на опытных радиолюбителей.
1. Intro
Недолго поработали Е60 после первого вмешательства. Всему виной
Кто-то водку пьёт, а кто-то даташиты читает. Что приводит к чувству неудовлетворённости.
Так вот, если посмотреть
Именно схемотехника кроссоверов Е60 определяет характер звучания АС и, соответственно, все недостатки, которые хочется устранить.
Схема JBL Northridge E60:
Всё фильтры НЧ, СЧ и ВЧ секций — 1-го порядка. ((Что здесь не так? Попробую объяснить на пальцах.
НЧ секция: применён фильтр 1-го порядка, в результате чего НЧ динамик работает до частот, где должен работать СЧ динамик. На АЧХ это выглядит во так:
Хотя полоса ФНЧ всего до 600 Гц:
СЧ секция: тут полный ПЭ. Что
Т.е. СЧ динамику выделяется очень узкая полоса. Да ещё и чувствительность задавлена!Бред какой-то.
Но даже за таким фильтром СЧ динамик пытается как-то выполнять свою функцию:

ВЧ секция: не иначе, как в разработке участвовали инженеры из компании Sven.
Фильтр — всего один конденсатор 2,5 мкФ:
За таким фильтром пищалка выдаёт следующую АЧХ:
Утрированно, инженеры превратили Е60 в двухполосную АС, в которой СЧ динамик установлен для вида и слегка пытается играть, чтобы покупатель ничего не заподозрил.Теперь сморим схему JBL E80:
Фильтр НЧ секции — 2-го порядка,фильтр СЧ секции — ФНЧ 2-го порядка, ФВЧ 1-го порядка,
фильтр ВЧ секции — 2-го порядка.
Схема Е90 похожа, как две капли воды:
Называется, найди отличия от Е80. ))JBL E100:

Я потратил много времени в симуляторе Multisim 10.1, тестируя кроссоверы е-шек.
Да, по отдельности каждый фильтр моделируется распрекрасно.
Но АЧХ, которую мы видим микрофоном после каждой полосы (динамика), очень сильно отличается от красивых графиков, получаемых в симуляторе.
И хотя все АС линейки Е с виду похожи, их фильтры не взаимозаменяемы.
Примечание: для расчёта фильтров
… можно использовать Онлайн калькулятор Расчёт фильтров.
Для фильтров 2-го порядка наиболее корректный результат выдаёт расчёт по Баттерворту.
Другие пункты не проверял.
Для фильтров 2-го порядка наиболее корректный результат выдаёт расчёт по Баттерворту.Другие пункты не проверял.
Решение проблем Е60, казалось бы, лежит на поверхности: заимствовать схему от Е80, слегка допилив её.
Но желание поэкспериментировать и излишняя самоуверенность заявили «я знаю более короткую дорогу». Поэтому дальнейший процесс пошёл по пути граблей.

Сейчас уже рассказать пошагово, что было сделано, не получится при всём желании.
Поэтому изложу примерный ход событий, на сколько позволяет память.
2. Второй вариант переделки Е60
Снял перемычки сзади на клеммнике АС и посмотрел АЧХ НЧ секции (НЧ динамика с фильтром):
НЧ секцию решил не трогать: для изменений потребовалась бы низкоомная катушка более 3мГн.Далее снова посмотрел АЧХ СЧ динамика:
В этот раз — в родном акустическом оформлении.Для этого пришлось проковырять два отверстия в стакане СЧ динамика:
… И вывести провода напрямую от СЧ динамика через фазоинвертор:
Это упростило всякие эксперименты и повысило точность измерений АЧХ по сравнению со сторонним корпусом-скворечником для СЧ динамика.…
Далее состыковал НЧ и СЧ секцию:
Добавил ВЧ секцию:
TW15 — это 4-омная пищалка Hertz TW15На этапе экспериментов это выглядело вот так:
И схема:
В таком варианте я послушал Е60 какое-то время.3. E80 в качестве сравнения
Мне повезло: ко мне попала пара Е80, что позволило послушать более непеределанный звук. Послушав немного 80-ки, снова вернулся к экспериментам над Е60.
Начал с НЧ секций:
Понятное дело: фильтры разные, динамики разные, АЧХи тоже разные.Поигрался разными фильтрами для Е60:
График белым цветом — это аналог фильтра по схеме Е80 (5мГн и 100мкФ суммарно), но АЧХ НЧ секции всё равно отличается от АЧХ Е80:
Кроме того, вылазит «бугор» на красном графике выше исходной АЧХ.Я пошёл на нечестный приём: поигрался резисторами параллельно НЧ динамику.
Это дало некоторый эффект:

Бугор удалось притоптать:
Но получить АЧХ, аналогичную 80-ке, естественно не получилось.Далее пристыковал СЧ секцию:

Схема для жёлтого графика

И ВЧ секцию:
HT25 — пищалка Hertz HT25, TW15 — Amp TW15.Послушал немного, что получилось:
зы По левому каналу — Е80 для сравнения.НЧ мне не понравились! Какой-то глушняк.
Тогда откинул 33+47мкФ и 16 Ом, т.е. вернул НЧ секцию к изначальному виду. Стало получше. ))
На АЧХ уже не смотрел. Просто слушал левую Е80 и переделанную правую Е60.
За одно «ушёл» конденсатор 10мкФ для СЧ секции.
Вот такая схема была на 12.01.2026:
Полярность подключения динамиков:— НЧ и СЧ минусом на общий
— ВЧ плюсом на общий
С твитером ещё не определился окончательно, TW15 или HT25.
По родным (?) пищалкам есть вопросы. О них позже.
На этом сделал паузу, бо пришло время встречать Старый Новый год. ))
Новый кроссовер Е60 пока что в виде макета на полу около колонки.
Раздражает такое безобразие, но приходится терпеть. ))
Беру очередную паузу. Не торопитесь ковырять свои Е60. Ещё не вечер. ©
Кошка на подзарядке

Самые обсуждаемые обзоры
| +137 |
3331
129
|
| +114 |
5501
221
|
| +41 |
2615
44
|
| +29 |
1537
24
|
В прошлом обзоре спросил было пошаговую инструкцию. Кое-кто (кто разобрался) не пожелал поделиться секретами.
А я ещё VituixCad хотел посоветовать для разработки фильтров. Очень точная симуляция на мой взгляд.
Посмотрю что могу сделать…
С помощью степ-риспонса нужно добиться, чтобы сигнал от всех трех (одна АС) сигнал прилетал одновременно.
только лишькрутят, это задержка.По REW интересует точное описание настроек (во всех закладках) и что куда нажимать.
И конечно же интерпретация результатов.
младших(300 евро/пара)АДАМов?Усилитель Ampapa D1 от 15тыщ на али.
ozon.ru/t/c0BhiH5
Использование каких-либо моделей динамиков в симуляторе? Ну фз. Имхо, это ненужное усложнение.
Всё равно АЧХ после фильтра, измеренная с реальным динамиком в качестве нагрузки, и АЧХ, измеренная тут же микрофоном, сильно отличаются.
Да, я добрался и до этого мракобесия. Об этом — в последней части.
Плюс ко всему расчёты фильтров в симуляторе расходятся с реальными замерами (в частности, на одной и той же пищалке) очень сильно.
В ближайшее время не хочу к ним возвращаться.
А если ещё VituixCAD, то это будет бесконечная история…
Кстати, антивирус унюхал трояна в инсталляхе с оффсайта.
Если без сарказма, то даже 4ГД-8Е будут лучше.
Феррари не поедет. Потому что бензин АИ-76.
Если они кому не нравятся, в сад. ))
Замеров не делал, ибо нечем.
Так что сорри, но всё-таки 1-го. ;P
Сейчас большое количество колонок продается на том же авито, но с ужасными головами.
Нет ли возможности купить отдельно нормальную голову (допустим на алишке) и к ней подключить купленные колонки и настроить например через калибровочный микрофон на совместную нормальную работу, допустим, в системе 5.1
Да, это может быть проблемой, надо мониторить авито.
что подразумевает погружение в колонкостроение.
в теории конечно калибровка от кинотеатра попытается исправить, но она скорее заточена на калибровку сцены (задержек) чем на корректирование АЧХ. Думаю от конкретной системы будет зависеть. В целом — как повезёт.
а что значит «ужасными головами.»?
и какими критериями определяются нормальные головы с алишки?
— помятые\продавленные колпачки (детьми, пьяными\неадекватными хозяевами)
— залитые какими-либо жидкостями
— повреждённые подвесы
и т.д.
Купил акустику 15АС-109. У одной из колонок провод заканчивается вилкой «точка-тире», у второй провод обрезан. Хотел спросить можно ли узнать как правильно подключить провод, ведь не правильно же по идее просто наугад припаять один к условной «точке», второй к условному «тире» (пишу условно, потому что позже возможно переделаю на тюльпаны, где уже будет условная «юбка» и условный «штырь»). Работать то они работают, без разницы какой провод присоединять к усилителю, я пробовал и так и так, но это же как то не правильно. Тем более наверное должно быть так же как и на второй колонке, хотя я подозреваю, что там с завода наверное тоже не особо заморачивались, какой провод куда паять на оконечной вилке.
p.s. добавил схему, то есть вопрос можно ли определить на ХР где + где -.
Проверьте так обе колонки.
P.S. понятно что можно было сразу поискать в интернете, но думал что с людьми проще, оказалось нет. Никто оказался не способен ответить на вопрос одним предложением: при подключении к батарейке к + динамик должен выдвинуться вперёд. Всё. Лучше бы вообще не отвечали, не тратили своё и моё время, «специалисты» вы как и я такие же.
минус — это тот провод, к которому вы подсоединили - батарейки