Колёса и заглушки для офисного кресла, M10X10. Скручиваем пробег
- Цена: 4$ за 5 штук (плюс 1,5$ за заглушки)
- Перейти в магазин
Перейти в магазин на озоне
В какой-то момент кресло перестало колесить по комнате «как раньше». Мало того что одно из колёс развалилось. Так ещё и давным давно были разбиты посадочные места (гнездо) в заглушках.
А самое интересное, что я даже не задумывался над тем, что цена вопроса чуть менее 6$ и пол часа времени. Забавно, как иногда месяцами терпишь мелкую проблему, а потом выясняется, что решение стоит дешевле бутерброда.
Лёгкое чтиво ©
Вместо пролога
Кресло хорошее. Крепкое. Ещё и даже кожаное. Оно уже не один раз мелькало в моих обзорах.
Кстати, вдруг кто пропустил — рекомендую почитать. Мои третья, четвёртая и пятая точка, а также другие, ежедневно говорят «благодарствуем» за вот такие мягкие дополнения.
Подушки для поддержки поясницы и копчика. Есть ли эффект?
Подушки для подлокотника офисного (или другого) кресла. Мягкие, тёплые
это для поясницы

а это для локтей

Со страницы магазина: Если в Вашем кресле с металлической крестовиной выпадают колеса, необходимо заменить заглушки для офисного кресла.
а также: заглушки для офисных кресел легко заменить самостоятельно.
В моём же случае нужно было менять и заглушки и колёса.
Кстати. Получается, что кресло, пережило не один апгрейд, в том числе и рабочего места и смену «софта», а вот колёса — нет. Расходник, как ни крути.
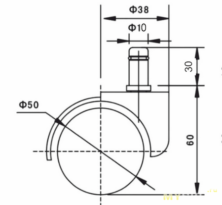
Характеристики
Страна производитель Чехия (не верю, думаю местные)
Материал Пластик
Диаметр колеса 50 мм
Наличие стопора Нет
Поворотное Да
Прорезиненное Нет (думал взять, но потом решил что оно мне не надо)
Максимальная нагрузка 30 кг
Диаметр штока крепежа М10х10
Здесь самое главное знать какой у вас шток, они бывают 10мм и 11мм
ещё можно заморочиться радиусом колеса (но это неважно)

в наборе 5 штук

диаметр 10мм
длина теоретически должна быть стандартной



между теми что шли в комплекте с завода и вот этими «ремонтными» (или запасными) разницы особой не заметил
в принципе старые тоже нормальные


«резина» лысая, если бы кресло было геймерским, то подошла бы для дрифта

ситуэйшн был настолько плох, что часть колёс давно уже не держалась на своих посадочных местах, фактически колесо держалось уже не конструкцией, а силой привычки и верой в лучшее...
плюс с годами часть колёс была заменена на некомплектные с диаметром 11мм (какие раздобыл)

беспечное отношение имело последствия (слабонервным просьба отойти от экранов)
здесь картина вроде нормальная

а вот так видно масштабы бедствия

состояние заглушки

поэтому сразу же брал и комплект заглушек (плюс сразу взял запасной комплект, потому что 1,5$ и чтобы один раз платить за доставку)

при покупке переживал, что нужно будет дорабатывать напильником (на странице продавца выглядели страшненькими)
но всё оказалось супер, подошли как родные, с синей изолентой оно конечно было бы надёжней, но обошлось
замеры,
общая длина по сути неважна, главное на каком расстоянии от края расположен шток
проверка штангенциркулем успокаивает душу перфекциониста





толщина стенок 3.6-3.9мм (наверное, нормально)


ну и самое главное — диаметр под шток

как говорится — до и после

сели отлично

остался ещё целый комплект запасных, не знаю — скоро ли пригодятся… но пусть будут

Иногда самый заметный апгрейд — это не новая техника, а ремонт того к чему уже привык и чем пользуешься каждый день.

Итого
✔ Цена вопроса 4$ за колёса и 1.5$ за новые заглушки.
✔ По времени? Можно было бы уложиться в 10 минут, но долго выковыривал заглушки. Пусть пол часа или около того.
✔ Стоит ли оно того? Конечно. Жалею что давно не поменял. Не надо было долго тянуть и откладывать на потом. Хоть кресло и довольно «старое», но оно мне нравится. Критических повреждений по оббивке нет.
ZeRNoVoz team благодарит… читателей за предоставленные плюсы, а сайт за место для рассказа.

//
Благодарю, что дочитали до этих слов.
Куплено для себя и за свои.
Если есть вопросы – пишите, постараюсь ответить.
Всем тепла, мира и здравомыслия!
| +297 |
21577
227
|
| +104 |
3519
71
|
| +48 |
2609
39
|
Для рукастых есть вариант заменить пластик на деревяху подходящих размеров, отверстие просверлить. Для обладателей 3д принтера — можно напечатать. Накидать стенок побольше, будет лучше оригинала левой толщины из непонятного пластика.
пс теоретически там нагрузка на посадочное место под шток, а стенки металлического профиля крестовины лишь держатели этой самой заглушки
Для спортсмена
Для американца
Для геймера
Я себе поменял на силиконовые…
С одной стороны — они не дерут паркет и кресло катается тихо и плавно.
С другой стороны, есть совершенно неожиданные минусы!!!
1. Оказалось, пол имеет уклон и кресло без меня теперь уезжает на центр комнаты!
2. Катается СЛИШКОМ легко. Приходится жать на клавишы аккуратнее, чтобы не отъехать.
3. Для воспрепятствования всему вышеперечисленному, одно из колесиков имеет тормоз и в результате, когда его случайно нажал, получается полная ерунда. Одним колесом скребет и раздражает.
Есть колёса, которые блокируются или притормаживаются, когда в кресло садишься. Эти — не такие.
Надо найти с тормозами и поменять…
https://www.ozon.ru/product/kolesa-dlya-ofisnogo-kresla-65-mm-na-shtyre-m11-brante-silikon-4-1-s-tormozom-dlya-parketa-i-185039015
Кто-то где-то… Какжется даже здесь, сделал для них крышечки.
www.printables.com/model/1505343-office-chair-castor-bushing
Всем они хороши, но чуть-чуть да не подходят… пробовал подогнать под свои, напечатал 3 пробника и плюнул.
В общем… ощущения двоякие…
Минус один был: Эти силиконовые оказались выше родных и кресло перестало заезжать под стол. Попробовал подлокотники снять – так даже больше понравилось, с тех пор без них и живу, даже несмотря на то что и стол давно поменял на подъёмный.
Вот эти: https://aliexpress.ru/item/32909255941.html Сейчас удивился что ссылка на лот с 2020го года живая сильнее чем то что сами колёса живые.
А стопорных колёс всегда надо два в набор ставить. Ни больше, ни меньше. С одним мебель будет крутиться вокруг него. А третье только раздражает снимать со стопора.
А так — доставка Озона скатилась в гавно, да…
Вопрос выживания ламината я у себя решил просто: там, где катаются колёсики кресла, постелил поверх него кусок линолеума.
А так лежит у меня под ногами кусок 160х120 см, доставшийся, считай, нашару (после ремонта), и, судя по произошедшим с ним за всё время изменениям, такими темпами пролежит ещё лет десять-пятнадцать.
Мягкость — да. У силикона/tpu есть такая характеристика как твердость, в курсе :)
Эти твёрдые, но мягче пластика.
В общем, конструкция этих колес хлипкая, пластик дерьмовый. Нужио искать другой тип колёс. Задним числом я нашел получше, держатель колеса сделан из оцинкованной или крашенной стали, с подшипником. Если сломается усиленное эпоксидкой колесо, буду брать.
мне попались вроде нормальные… посмотрим как поведут себя со временем, старые не выбрасывал, если что буду подменять
Ну, какие-либо диаметры, весовые нагрузки, длина штока — куда смотреть то?
Ремонтёр кресел я не настоящий, поэтому за советом и обратился
Суть — в стоке стоят самые дешевые железки. И топганы и газлифты, и колеса — самое дно рынка (а руководство обычно берёт ещё и самые дешёвые позиции). Хороший топган стоил тогда как самое дешёвое офисное кресло.
В итоге сушил мозги руководству (они крайне не хотели покупать деталь которая дороже чем такая же внешне), что б купили 1 раз топган на 150кг из толстого металла, чем менять раз в год дешевый (на такой же как стоковый, почти, если не хуже)… Иногда прокатывало.
Такие соображения, надеюсь коммент полезный…
Берите Класс-4, до 250...280 кг.
https://www.ozon.ru/product/gazlift-gazpatron-gazovaya-pruzhina-usilennyy-mebelnyy-class-4-povyshennyy-dlya-kresla-vtulka-200-1431657957
а то будет как у автора: «кресло хорошее», но почему-то всё затюнинговано подушками и нахлобучками… получается, что хорошее оно с натяжечкой…
Обшивку на кресле реставрировать выше моего понимания (оно просто, но интересна именно фирменная от кугар с оранжевыми вставками-кантами и сложной формы). А колеса, крестовина, газлифт и топган — новые уже закажу, все равно на новом они не факт, что годнота.
и нахлобучками нахлобучено
это я ещё своё кресло на кухне не показывал))) старею)))
мне моё кресло хорошее и нахлобучки также полезны
просто интересно почему понадобились нахлобучки для уже хорошего кресла.
видимо делает его «более лутшим» ))
можно ещё у этих нахлобучек поменять обшивку или ещё что-нибудь придумать…
в следующий раз может быть, понравились
но по описанию непонятен диаметр штока
https://www.aliexpress.com/item/1005006781893428.html
https://www.ozon.ru/product/kolesa-dlya-kresla-ofisnogo-diametr-50-mm-5-shtuk-1670642089
Просто отличные колёса: и мягкие, и катаются очень легко. Теперь кресло приходится даже чуть придерживать когда встаёшь.
Хорошие у вас бутерброды, видимо. Чтоб я так жил ;)
Но вот колёсики новые всё равно выглядят довольно уныло, хоть и стоят недорого, и можно их раз в год менять.
колёсики да, унылые, но их не особо видно да они мне и не нужны на них смотреть
пока что работают и ладно
единственное — это цельнометаллическое посадочное место
потому как даже если загильзовать место посадки — эта гильза просто сместит место нагрузки на 1мм и всё, имхо
но я теоретик, сопромат не считал)))
Если гильзу вварить насквозь, то а) толщина металла увеличится и б) изгиб поделится между верхней и нижней опорами.
даже в руках держал, а это способствует процессу умственного конструирования
остальное — согласен
Пофиксил. Ещё через пол-года кресло покосилось.
Экономим 100$
Всё это работает с полгода, а потом выясняется что рядом есть магазин, где за 1500 сомов/рублей
А еще через пол года и его перекашивает…
пс про чопки также были мысли, но забил)))
когда искал также следил чтобы взять 10мм (а не 11мм)
хотя наверное размеры заглушек одинаковые, можно было и заменить…
Ещё можно было не покупать заглушки, а сразу заменить крестовину, но это уже не ремонт, а апгрейд. Вообще сейчас можно оставить только само сидение, а всё проапгрейдить на новое, и пиастр, и газлифт, подлокотники, крестовину металлическую. Короче любой каприз…
Да, увидел, у вас озона нет…
Стульев на колёсиках в моей жизни было два, и в обоих были штоки 10 мм. Я думал, что 11 мм — экзотика.
На одном из последних снимков в обзоре видно, что у старых заглушек стенки хорошо потёртые изнутри и лопнувшие сверху донизу. Но автор обзора рукотворчеством занялся после того, как одно из колёс сломалось. До того его всё устраивало. (Ведь устраивало же?)
ждал чего-то, но раздражало что колёса держались на честном слове, кресло уже не каталось, а просто «передвигалось»
Я тоже. Сейчас. Потому что раньше меня этот вопрос просто не интересовал. А когда колёса у стула стали очень плохо крутиться, пришлось посмотреть, что в окрестных магазинах в продаже есть.
Самое обидное, что из крестовины-то колёса выдёргиваются легко, но там они и крутятся нормально. Плохо вращаются они вокруг горизонтальной оси, а с неё их стягивать это страх и ужас. Я один раз проделывал, больше не хочется.
Эх, был бы какой-нибудь инструмент для этого, типа такого, каким стопорные кольца разжимают…
О том, что существует вариант с металлическим каркасом и пластиковыми чехлами, только из этого обзора узнал. Но тоже — посмотрел на снимки, и как-то эта раздалбывающаяся конструкция не вдохновляет.
(наверное, но очень похоже)
на работе были кожзамные — износ зависит от модели, но довольно быстрый, 10 лет точно не тянут
Кстати, пользуясь случаем хочу спросить. Я, когда первый стул себе выбирал, тоже хотел с кожаной обивкой. Из простых соображений: летом в жару по телу пот стекает и в обивку и лежащий под ней поролон впитывается. И от этой впитавшейся гадости потом же никак не избавишься. А кожу тряпочкой протёр, и всё. Но в итоге пришлось купить именно матерчатый, потому что у выбранной модели варианта с кожей просто не было.
А потом уже, когда на этом стуле летом работал, глядя на текущие по телу ручьи и насквозь промокшие трусы, подумал: интересно, а каково это — сидеть на горячей коже в луже собственного пота?
на это лето хочу купить льняную)))
Вам бы романы писать)))
Там где брал закончились. Вот подобный лот.
Часть из тех, которыми пользуюсь, — льняные. Исходя из имеющегося опыта могу сказать, что лежать на льне хорошо, но сидеть приятнее на х/б, потому что ткань мягче.
А из льна можно домашние штаны купить.
лежалстоял! :)можно и пододеяльник, но у меня яблоня под окном (затеняет и даёт спасение от жары), т.е. не особо, но жарко конечно
льняные штаны — думал об этом, но мне нравятся спортивные лёгкие шорты, те что с сеточкой (или они сейчас все с сеточкой, не знаю)
Чистить нужно в том числе и внутреннюю часть гнёзд в колёсах, куда ось вставляется.
Если после стягивания колёс ось осталась в «вертелке», считай повезло — её оттуда можно выбить.
Но если ось осталась в одном из колёс, то вытащить её из него становится головоломной задачей, ведь повреждать поверхность оси нельзя, она должна оставаться гладкой, так как о каждый её миллиметр трётся та или иная пластмассовая деталь.