Датчик пламени ФЭП-Р: возвращение. Новая схема в старом корпусе. Поддельные OPT101
Прошло всего два года с момента, когда мне пришлось поучаствовать в наладке котла:
Датчик пламени ФЭП-Р для газового котла. Доработка схемы.
и
Датчик пламени ФЭП-Р для газового котла. Доработка схемы. Версия 5.1
Да, котёл тогда удалось заставить работать. Но время от времени возникали непонятные остановки.
И вот в 2025-м году (после очередной остановки) были выделены средства на модернизацию.
И мне снова пришлось вернуться к датчику пламени.
1. Вот он наш герой, о котором пойдёт речь — котёл №3 (на фото справа):
А это глючная система управления КСУ-ЭВМ-М:
Одна из самых ярких и запоминающихся остановок произошла начале декабря, когда КСУшка устроила «светодиодное шоу». Поиск причин затянулся до полуночи. Короче, полный трэш.
К тому времени уже был готов новый проект модернизации котла.
Старую систему управлениясрезали болгаркой демонтировали и сдали на драгметаллы оставили пылится в углу. Так на всякий случай, вдруг пригодится.
Собственно, остался сам котёл, группа газовых клапанов и электроприводы.
Датчики температуры, давления (4-20мА), система управления — всё новое.
Шкаф получился значительно крупней:
Новый шкаф управления рядом с котлом №3:

Из-за конструктивных особенностей горелки остался… датчик пламени ФЭП-Р.
И когда дело близилось к финишу, вылезла нестыковка этого датчика пламени и новой системы управления.
Схема ФЭП-Р v5.1:
Парни попросту подключили к выходу реле с обмоткой на 5В в надежде получить «сухой контакт» для контроллера. )))
Естественно, реле даже не подумало щёлкнуть.
Пришлось сварганить примочку (ака «костыль»):
Это ни что иное как выпрямитель + сглаживающий фильтр.
Выход — открытый коллектор транзистора, к которому подключается обмотка 24В реле (другой вывод обмотки — к +24В ).
Работа схемы простая, как топор:
при наличии импульсов на выходе датчика пламени транзистор открывается, и реле срабатывает.
Контакты реле подключены ко входу управляющего контроллера (в новом шкафу).
Задержка срабатывания реле в пределах 1с, чего достаточно.
«Костыль» в сборе:
Сабж разместился в пластиковом корпусе непосредственно в шкафу управления.
Вот с такой доработкой новая система управления прошла испытания 72 часа и нормально работает с начала января 2026 года.
На том можно было бы расслабиться и заняться колоночными делами.
Но это же не по феншую!
На ум пришло элегантное решение на базе микросхемы OPT101:
Внутри операционник и фотодиод с кристаллом 2,3*2,3мм:
Схема простейшая: добавляется щепотка деталей (резистор, транзистор и диод) для коммутации обмотки реле. И вуаля! )))
2. Тогда на али были заказаны две штуки OPT101, но приехали вот такие неизвестные звери:
Чисто по приколу попробовал это г в схеме: nicht funktionieren.
Матернулся, заказал OPT101 у другого продавца, и пока посылка была в пути, собрал эквивалентную схемку на LM358 и фотодиоде:
Проверил: работает нормально.
С дополнительными элементами получилось следующее:
Выход — открытый коллектор транзистора для подключения 24В обмотки реле.
Собрал всё «начисто» на кусочке макетки:
Фотодиод с обратной стороны:
Подсоединил к клеммнику:
Между +24В и выходом (коллектор транзистора) можно заметить диод 1N4007, который защищает коллекторный переход от индуктивного выброса.
И затолкал всё это в корпус:

3. Установка датчика пламени на объекте прошла без приключений.
Отсоединил датчик со схемой версии 5.1, демонтировал «костыль» из шкафа управления.
И установил новую схему.
Произвёл несколько пусков котла: всё работает нормально.
Внешне ничего и не изменилось. Поэтому никаких фото белее не делал.
Уже потом обнаружил на али вот такое чудо:
Всего за 120 рублей! Мечта для лентяев. ))
Может, когда-нибудь попробую это в деле.
Всем удачных экспериментов!
Датчик пламени ФЭП-Р для газового котла. Доработка схемы.
и
Датчик пламени ФЭП-Р для газового котла. Доработка схемы. Версия 5.1
Да, котёл тогда удалось заставить работать. Но время от времени возникали непонятные остановки.
И вот в 2025-м году (после очередной остановки) были выделены средства на модернизацию.
И мне снова пришлось вернуться к датчику пламени.
1. Вот он наш герой, о котором пойдёт речь — котёл №3 (на фото справа):
А это глючная система управления КСУ-ЭВМ-М:
Одна из самых ярких и запоминающихся остановок произошла начале декабря, когда КСУшка устроила «светодиодное шоу». Поиск причин затянулся до полуночи. Короче, полный трэш.К тому времени уже был готов новый проект модернизации котла.
Старую систему управления
Собственно, остался сам котёл, группа газовых клапанов и электроприводы.
Датчики температуры, давления (4-20мА), система управления — всё новое.
Шкаф получился значительно крупней:
Новый шкаф управления рядом с котлом №3:
Из-за конструктивных особенностей горелки остался… датчик пламени ФЭП-Р.
И когда дело близилось к финишу, вылезла нестыковка этого датчика пламени и новой системы управления.
Схема ФЭП-Р v5.1:
Парни попросту подключили к выходу реле с обмоткой на 5В в надежде получить «сухой контакт» для контроллера. )))Естественно, реле даже не подумало щёлкнуть.
Пришлось сварганить примочку (ака «костыль»):
Это ни что иное как выпрямитель + сглаживающий фильтр.Выход — открытый коллектор транзистора, к которому подключается обмотка 24В реле (другой вывод обмотки — к +24В ).
Работа схемы простая, как топор:
при наличии импульсов на выходе датчика пламени транзистор открывается, и реле срабатывает.
Контакты реле подключены ко входу управляющего контроллера (в новом шкафу).
Задержка срабатывания реле в пределах 1с, чего достаточно.
«Костыль» в сборе:
Сабж разместился в пластиковом корпусе непосредственно в шкафу управления.Вот с такой доработкой новая система управления прошла испытания 72 часа и нормально работает с начала января 2026 года.
На том можно было бы расслабиться и заняться колоночными делами.
Но это же не по феншую!
На ум пришло элегантное решение на базе микросхемы OPT101:
Внутри операционник и фотодиод с кристаллом 2,3*2,3мм:
Схема простейшая: добавляется щепотка деталей (резистор, транзистор и диод) для коммутации обмотки реле. И вуаля! )))2. Тогда на али были заказаны две штуки OPT101, но приехали вот такие неизвестные звери:
Чисто по приколу попробовал это г в схеме: nicht funktionieren.Матернулся, заказал OPT101 у другого продавца, и пока посылка была в пути, собрал эквивалентную схемку на LM358 и фотодиоде:
Проверил: работает нормально.С дополнительными элементами получилось следующее:
Выход — открытый коллектор транзистора для подключения 24В обмотки реле.Собрал всё «начисто» на кусочке макетки:
Фотодиод с обратной стороны:
Подсоединил к клеммнику:
Между +24В и выходом (коллектор транзистора) можно заметить диод 1N4007, который защищает коллекторный переход от индуктивного выброса.
И затолкал всё это в корпус:
3. Установка датчика пламени на объекте прошла без приключений.
Отсоединил датчик со схемой версии 5.1, демонтировал «костыль» из шкафа управления.
И установил новую схему.
Произвёл несколько пусков котла: всё работает нормально.
Внешне ничего и не изменилось. Поэтому никаких фото белее не делал.
Уже потом обнаружил на али вот такое чудо:
Всего за 120 рублей! Мечта для лентяев. ))Может, когда-нибудь попробую это в деле.
Всем удачных экспериментов!
Самые обсуждаемые обзоры
| +102 |
7358
196
|
| +54 |
3098
56
|
Из-за шума не слышно срабатывание реле.
То есть исключить вариант неисправности «платы согласования» при которой при отсутствии сигнала от ФЭП блок управления будет получать сигнал о наличии пламени.
Какая-то двойная мораль, не находите? ;-)
А в это время на ⅐ части суши газовщики дерут под хвост и под гриву несчастных владельцев газового оборудования в квартирах.
Хозяева страны, чо…
Никаких функций кроме карательных это так называемое «обслуживание» не несёт. До оборудования даже не дотрагиваются. Единственный у них вопрос — год выпуска. Десять лет — меняй за свой счёт.
Зато в котельных сплошь самоделки и смекалка. И это совершенно понятно — «этодругое, вынепонимаити»
И да, это другое, взрыв в котельной не сложить подъезд жилого дома, ну вот прямо никак, а вот в квартирах регулярно.
Из защиты была «умная розетка» с алиэкспресса, по умолчанию выключена, если бы свет моргнул она бы отключилась и не включилась.
https://www.chipdip.ru/product/opt101p-fotodiod-s-usilitelem-dip-8-texas-instruments-687648436
А есть и УФ (можно попробовать подключить в параллель к OPT101)
https://www.chipdip.ru/catalog-show/datchiki-prochie-2861?p.0=GENUV
P.S. Только не надо говорить, что цена не адекватная. По сравнению со стоимостью котельной — просто копейки.
https://aliexpress.ru/item/32789444783.html
Если же реле работает на менее 100мА, то ресурс контактов выше на порядки.
Я бы на вашем месте подумал о твердотельном…
ФЭР-Р этому госту соответствует.
А если серьёзно, интересна бюрократическая сторона вопроса. Кто инициатор внедрения этой самоделки, кто подписывал документы, кто в случае чего будет отвечать? Ведь как я понимаю, промышленном газовом оборудовании на каждую деталь обязан быть соответствующий сертификат.
Мы привыкли заниматься текущим ремонтом оборудования и приборов КИПиА, которые изначально используются, либо поставленные после реконструкции оборудования.
Вы проверили свой датчик, как он отрабатывает аварийные ситуации? Кто утвердил вашу самоделку? Всё это чревато…
Может ваша новая автоматика расчитана на ионизационный датчик?
Подобие ваших горелок у нас стоят на паровых котлах Е-2,5.
В качестве автоматики используем «Альфа-21 век». В комплекте идёт два датчика пламени. Покупали дополнительно датчики для резерва.
А Агава не понравилась, при просадке напряжения слетала программа. Электронные приборы красивые, но надёжные. Вот фото датчика пламени от Агавы.
Знаю одну ситуацию где был большой котёл по виду как у вас на фото с тяжёлыми дверцами, однажды он эпично «вышел из строя» одна дверца весом в несколько сотен кг улетела на много метров в другой край цеха, вторая не так далеко но сделала новый «монтажный проём в стене». Вместе с котлом из чата в тот день вышло и остекление здания по сей день можно прогуливаясь рядом найти в траве «блестяшку».
Так это я к чему проверяющие органы разобрали все остатки до винтика и отправили на экспертизу, были сняты все данные и ситуацию реконструировали до секунд что как происходило и что где кто делал. Даже проверили соответствие по полноте перечня работ которые необходимо выполнять при обслуживании отдельных узлов с реальными возможностями (обеспеченностью оборудованием для проведения таких работ).
А тут мы имеем вас ваши «костыли» даже без печатных плат, просто «собранные на коленке» устройства на макетке, детали с алика (возможно даже контрафакт). Все ваши изделия это «уровень прототипа» (не в обиду сказано) такое норм для быстрой разработки и отработки решений, но ставить такое на постоянку да же самому себе в таком виде я бы побрезговал. Так у нас тут ещё 24/7 температурные режимы и промышленный объект…
Это же не ваш личный котёл и если для его нормальной работы чего-то не хватает то это проблемы того на чьём он балансе. Пусть ищут и покупают, хотите помочь составьте т.з.
Вопрос а зачем вам вот это всё? Если что-то случится простите что вы делать будите? Если что-то случится и в воздухе запахнет
баландойреальными сроками все причастные очень быстро договорятся между собой и начнут хором тыкать в вас пальцами и говорить это всё он и его поделки (и даже если ваша схемотехника будет самой правильной а устройство самым надёжным в мире это мало чем поможет).Незаменимая в хозяйстве штука! В самый раз для мангала.
ещё при входе грязь отбивать можно положить, заодно те кто в теме проникнутся… много к сожалению уже, причастных не по своей воле.
Так держать!
Производитель котла скажет Вам большое человеческое СПАСИБО — козел отпущения НАЙДЕН!
— Да вроде не должно…
Рано или поздно что то произойдет. Всегда происходит.
Но виновен будешь ты. Все скажут — знать не знаем, ведать не ведаем — делал он! Запасайся сухарями, будет чем баланду загущать.
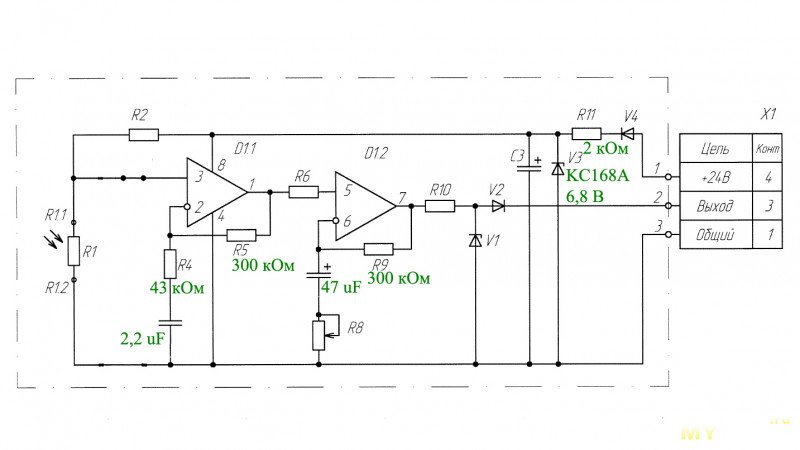
Фотодиоды используют ИФК диапазона. Сейчас отсканирую схему, может кому пригодится при ремонте.
ali.click/ffgo51h
А есть тоже самое, но с зуммером?
Т.е.увидел пламя, и запищал?
Или, некий компактный модуль со звонком отдельно?
Мне на лазерный станок, а то приходится на несколько мин.отлучаться, недалеко
Повесить такой зуммер параллельно обмотке 5В реле, и будет звуковое подтверждение.
Фото сделано после запуска котельной, t гвс ещё низкая.