ВоздухоНЕдувка. Или немного про китайские платы защиты аккумуляторов.

Небольшой обзор про то, что и как могут защищать китайские платы защиты аккумуляторов, встроенные, например, в мощную (для своего размера и массы) воздуходувку.
Зовут эту, изначально воздуходувку, MECO Upgrade 2.0 Air Duster.

Выглядит красиво, в руке лежит отлично, удобное сопло, дует и гудит сильно, вопросов к этому всему нет.
Но вот в один не очень прекрасный момент, после совершенно незначительного времени использования, она скоропостижно сдохла.
Не во время работы, а не включилась после длительного неиспользования.
Зарядки, разрядки, все известные заклинания и молитвы, искусственное дыхание — рот-сопло, не смогли её воскресить.
Пришлось разбирать.

Внутренности вызывают неоднозначные чувства…
Платы вроде как аккуратные. Везде, где возможны КЗ, проложена изоляция. Но всё это просто запихнуто в очень тесное пространство ручки. И запихнуто впритык, ни пол мм свободного. Причём запихивается на идущие внутри и по бокам провода, которые не видно, они мнутся и даже могут при этом процессе повредиться, что с парой проводов и случилось. В общем конструкторское решение просто страх и ужас, но исполнителем собрано аккуратно, насколько вообще такое можно собрать аккуратно.
Я, не знаю почему, но был уверен, что там стоит один большой толстый цилиндрический аккумулятор и бесщёточный двигатель. Возможно потому, что в том же ящике шкафчика у меня лежит такая мини дрель. Согласен, логика странная. Но учёные пока не до конца понимают, как работает мозг, так что пока забьём на это.
В общем, несмотря на моё предположение, внутри всё же оказался обычный, только высокооборотистый коллекторник и 3(три) банки 18650, сваренныевкрутую последовательно.

Если кто-то очень внимательный заметил цвета побежалости на сварной ленте, этой мой косяк.
Не знаю, чем я думал, когда раздирал аккумуляторы от термоклея отвёрткой.
Хотелось побыстрее разобрать и отремонтировать, а под рукой для этого только отвёртка оказалась, вот и коротнул аккумуляторы. За премией Дарвина позже схожу, а пока посмотрим, что я там наковырял.
На предыдущем фото, справа посередине плата управления двигателем, которая позволяет ему работать на двух скоростях.
При 11В движок жрёт 8А, что близко к обещанным 100 Вт.
Внизу плата индикации и преобразования напряжения для зарядки.

Она 5В с USB Type C (высоковольтные стандарты не поддерживаются) преобразует в чуть больше 12 В для зарядки батареи аккумуляторов. Батарея имеет отводы на плату защиты от каждой точки соединения аккумуляторов.
О! Есть балансир подумал я. А хрен тебе, подумал балансир…
Нет его там.
Есть два полевика, один отключает аккумы после заряда, второй после разряда.

На предыдущем фото вся электроника платы, сзади ничего, нет.
Контроллер, видимо, просто измеряет напряжение на каждой банке и отрубает всю батарею при выходе напряжения за пороговые величины.
И судя по всему, точность или логика этой работы хромает. Потому что после замены сдохшей одной банки — на ней обрыв, бесконечное сопротивление, после первой же полной зарядки… у меня сдохла вторая старая банка.
Да, да я знаю, в таких случаях надо обычно менять весь комплект, балансировать его, но на момент замены, я лишь бегло взглянул на плату защиты, особо не вникал в её схемотехнику и не смотрел, есть ли там что-то у неё сзади, да и вообще был почти уверен, что проблема просто в плохом аккумуляторе, кто ж сюда хороший поставит.
Но на самом деле, со 100% точностью, что убило аккумуляторы, сказать сложно. То ли аккумуляторы изначально плохие, то ли контроль напряжения на них плохой, то ли всё вместе. И всё это усугубилось отсутствием балансировщика. В любом случае, результат такой, какой есть.
Ну и на этом я и хотел закончить. Но интерес взял вверх. Всё же выход из строя двух банок, причём срабатыванием клапана давления, это плохой признак.
Подключил вместо второго умершего аккумулятора новый и уже стал контролировать напряжение на каждом при заряде.
И после того, как на одной банке оно вышло за 4.36 В, решил остановить эксперимент, чтобы контроллер не унёс в Ад не только её, но и что-нибудь или всё рядом находящееся.
К сожалению, исходная причина проблемы по-прежнему не ясна — то ли контроллер вышел из строя, то ли он так настроен, если он вообще настраивается, то ли он от рождения дефектный.
По маркировке 1030AA я беглым поиском так ничего и не нашёл, видимо очень секретная разработка китайского прома.

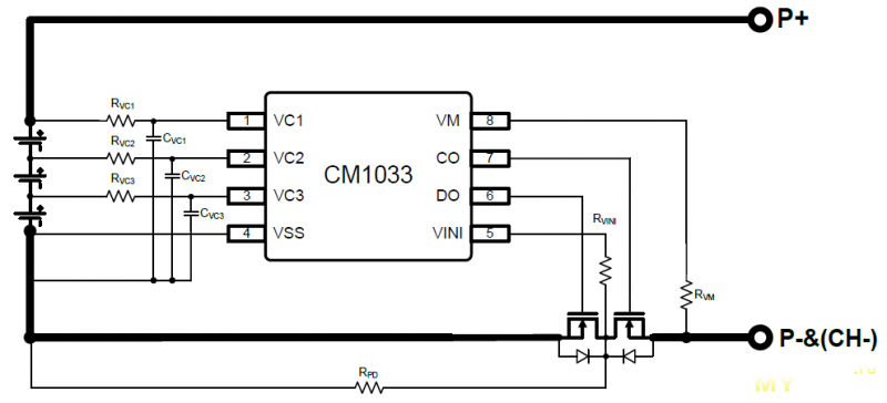
Ближайшее, что нашлось, это СМ1033, но там распиновка другая, так что это точно не он, но ног тоже 8 и он тоже контроллер защиты 3S батарей и тоже в схеме его включения есть два полевика. И описание подтверждает моё предположении о контроле напряжения на каждом аккумуляторе и отключении соответствующего полевика при выходе этого напряжения за установленные рамки на любой банке.
На всякий случай ещё проверил полевики — они рабочие, варежки открывают и закрывают без проблем.
На этом я хотел закончить второй раз.
Но какая-то недосказанность всё же осталась и опять же интерес, что всё-таки случилось, оставался.
Поэтому решил разобраться с этим. Чтобы не убивать аккумуляторы, заменил их конденсаторами и начал эксперименты.
Оказалось, что левый (по фото) транзистор разрывает цепь при переразрядке аккумуляторов, правый, соответственно, при перезарядке.
Начал мерить конкретные напряжения. Меня сейчас интересует именно перезаряд. И что вы думаете? Транзистор закрывается примерно при 4.23 В (при 4.21 открыт, при 4.24 закрыт). Прям какой-то идеальный результат. Но может это этот канал рабочий, а два других битые. Проверил другие — то же самое, контроллер работает идеально, транзистор тоже, что за хрень тогда?
Может контроллер завис и полное отключение от аккумуляторов его сбросило? Маловероятно, все же это скорее больше аналоговый объект, хотя конечно всяко может быть.
Но мне всё равно в это не верилось. Влепил, чтобы убедиться, что сейчас всё хорошо ещё резистор параллельно конденсатором, чтобы увидеть, течёт ли ток заряда. И что вы думаете? Он течёт! Да как так-то! Транзистор ведь закрыт! Все два диода тоже целы.
Вообще ничего не понимаю…
Делать нечего, начинаю по плате строить в голове схему девайса. И выясняется фееричная вещь.
Второй полевик, который вырубается при перезаряде банок, стоком ни к чему не подключён! Ну точнее он подключен к диоду, который идёт в никуда, на пустую без деталей часть платы.
Впрочем, наличие отсутствующих деталей тоже ситуацию не спасло бы. Там чё-то явно не то.
Для двухпроводного подключения зарядки и нагрузки, схема должна быть примерно такой:

А на плате явно не так.
В результате визуально транзистор как бы есть, более того, он даже работает — закрывается при заряде банок на самую правильную на свете величину, но при этом ничего не отключает, а банки продолжают заряжаться через первый транзистор, отключающийся при переразряде!
А как же это работало в самом начале, я ведь говорил, что какое-то время воздуходувка работала и пережила несколько зарядок? Да очень просто — пока аккумуляторы были сбалансированы, они просто заряжались до напряжения преобразователя, которое было даже меньше 3 х 4.2В, поэтому банки как-то боле-менее жили и их зарядка заканчивался просто из-за выравнивания потенциала всей батареи и зарядного напряжения.
Как только банки начали расбалансировываться, они и начали дохнуть по одной.
В общем у меня нет слов… Китайцы не перестают удивлять. Поставить, как оказалось, хороший контроллер, влепить управляющий высокотоковый транзистор, но не соединить это всё правильно с аккумулятором на плате… Такое впечатление, что плату проектировал человек, который внезапно, почти в самом конце проектирования умер, и в серию пустили то, что он успел сделать на тот момент.
Но если ещё немножко подумать, то оказывается, что эта плата проектировалась под раздельные каналы заряда и разряда. Т.е. провод заряда должен подключаться к площадке C-, а провод разряда (на двигатель) там, где сейчас подключен чёрный провод. В результате всё бы работало идеально. Ну визуально, вроде как такой вариант выглядит вполне рабочим.
Но находчивые китайцы решили сэкономить один провод, а может он у них просто не влез в очень тесный корпус, ну или кончились двухпроводные платы защиты и сделали двухпроводную плату из трёхпроводной. И так сойдёт.
Зовут эту, изначально воздуходувку, MECO Upgrade 2.0 Air Duster.

Выглядит красиво, в руке лежит отлично, удобное сопло, дует и гудит сильно, вопросов к этому всему нет.
Но вот в один не очень прекрасный момент, после совершенно незначительного времени использования, она скоропостижно сдохла.
Не во время работы, а не включилась после длительного неиспользования.
Зарядки, разрядки, все известные заклинания и молитвы, искусственное дыхание — рот-сопло, не смогли её воскресить.
Пришлось разбирать.

Внутренности вызывают неоднозначные чувства…
Платы вроде как аккуратные. Везде, где возможны КЗ, проложена изоляция. Но всё это просто запихнуто в очень тесное пространство ручки. И запихнуто впритык, ни пол мм свободного. Причём запихивается на идущие внутри и по бокам провода, которые не видно, они мнутся и даже могут при этом процессе повредиться, что с парой проводов и случилось. В общем конструкторское решение просто страх и ужас, но исполнителем собрано аккуратно, насколько вообще такое можно собрать аккуратно.
Я, не знаю почему, но был уверен, что там стоит один большой толстый цилиндрический аккумулятор и бесщёточный двигатель. Возможно потому, что в том же ящике шкафчика у меня лежит такая мини дрель. Согласен, логика странная. Но учёные пока не до конца понимают, как работает мозг, так что пока забьём на это.
В общем, несмотря на моё предположение, внутри всё же оказался обычный, только высокооборотистый коллекторник и 3(три) банки 18650, сваренные

Если кто-то очень внимательный заметил цвета побежалости на сварной ленте, этой мой косяк.
Не знаю, чем я думал, когда раздирал аккумуляторы от термоклея отвёрткой.
Хотелось побыстрее разобрать и отремонтировать, а под рукой для этого только отвёртка оказалась, вот и коротнул аккумуляторы. За премией Дарвина позже схожу, а пока посмотрим, что я там наковырял.
На предыдущем фото, справа посередине плата управления двигателем, которая позволяет ему работать на двух скоростях.
При 11В движок жрёт 8А, что близко к обещанным 100 Вт.
Внизу плата индикации и преобразования напряжения для зарядки.

Она 5В с USB Type C (высоковольтные стандарты не поддерживаются) преобразует в чуть больше 12 В для зарядки батареи аккумуляторов. Батарея имеет отводы на плату защиты от каждой точки соединения аккумуляторов.
О! Есть балансир подумал я. А хрен тебе, подумал балансир…
Нет его там.
Есть два полевика, один отключает аккумы после заряда, второй после разряда.

На предыдущем фото вся электроника платы, сзади ничего, нет.
Контроллер, видимо, просто измеряет напряжение на каждой банке и отрубает всю батарею при выходе напряжения за пороговые величины.
И судя по всему, точность или логика этой работы хромает. Потому что после замены сдохшей одной банки — на ней обрыв, бесконечное сопротивление, после первой же полной зарядки… у меня сдохла вторая старая банка.
Да, да я знаю, в таких случаях надо обычно менять весь комплект, балансировать его, но на момент замены, я лишь бегло взглянул на плату защиты, особо не вникал в её схемотехнику и не смотрел, есть ли там что-то у неё сзади, да и вообще был почти уверен, что проблема просто в плохом аккумуляторе, кто ж сюда хороший поставит.
Но на самом деле, со 100% точностью, что убило аккумуляторы, сказать сложно. То ли аккумуляторы изначально плохие, то ли контроль напряжения на них плохой, то ли всё вместе. И всё это усугубилось отсутствием балансировщика. В любом случае, результат такой, какой есть.
Ну и на этом я и хотел закончить. Но интерес взял вверх. Всё же выход из строя двух банок, причём срабатыванием клапана давления, это плохой признак.
Подключил вместо второго умершего аккумулятора новый и уже стал контролировать напряжение на каждом при заряде.
И после того, как на одной банке оно вышло за 4.36 В, решил остановить эксперимент, чтобы контроллер не унёс в Ад не только её, но и что-нибудь или всё рядом находящееся.
К сожалению, исходная причина проблемы по-прежнему не ясна — то ли контроллер вышел из строя, то ли он так настроен, если он вообще настраивается, то ли он от рождения дефектный.
По маркировке 1030AA я беглым поиском так ничего и не нашёл, видимо очень секретная разработка китайского прома.

Ближайшее, что нашлось, это СМ1033, но там распиновка другая, так что это точно не он, но ног тоже 8 и он тоже контроллер защиты 3S батарей и тоже в схеме его включения есть два полевика. И описание подтверждает моё предположении о контроле напряжения на каждом аккумуляторе и отключении соответствующего полевика при выходе этого напряжения за установленные рамки на любой банке.
На всякий случай ещё проверил полевики — они рабочие, варежки открывают и закрывают без проблем.
На этом я хотел закончить второй раз.
Но какая-то недосказанность всё же осталась и опять же интерес, что всё-таки случилось, оставался.
Поэтому решил разобраться с этим. Чтобы не убивать аккумуляторы, заменил их конденсаторами и начал эксперименты.
Оказалось, что левый (по фото) транзистор разрывает цепь при переразрядке аккумуляторов, правый, соответственно, при перезарядке.
Начал мерить конкретные напряжения. Меня сейчас интересует именно перезаряд. И что вы думаете? Транзистор закрывается примерно при 4.23 В (при 4.21 открыт, при 4.24 закрыт). Прям какой-то идеальный результат. Но может это этот канал рабочий, а два других битые. Проверил другие — то же самое, контроллер работает идеально, транзистор тоже, что за хрень тогда?
Может контроллер завис и полное отключение от аккумуляторов его сбросило? Маловероятно, все же это скорее больше аналоговый объект, хотя конечно всяко может быть.
Но мне всё равно в это не верилось. Влепил, чтобы убедиться, что сейчас всё хорошо ещё резистор параллельно конденсатором, чтобы увидеть, течёт ли ток заряда. И что вы думаете? Он течёт! Да как так-то! Транзистор ведь закрыт! Все два диода тоже целы.
Вообще ничего не понимаю…
Делать нечего, начинаю по плате строить в голове схему девайса. И выясняется фееричная вещь.
Второй полевик, который вырубается при перезаряде банок, стоком ни к чему не подключён! Ну точнее он подключен к диоду, который идёт в никуда, на пустую без деталей часть платы.
Впрочем, наличие отсутствующих деталей тоже ситуацию не спасло бы. Там чё-то явно не то.
Для двухпроводного подключения зарядки и нагрузки, схема должна быть примерно такой:

А на плате явно не так.
В результате визуально транзистор как бы есть, более того, он даже работает — закрывается при заряде банок на самую правильную на свете величину, но при этом ничего не отключает, а банки продолжают заряжаться через первый транзистор, отключающийся при переразряде!
А как же это работало в самом начале, я ведь говорил, что какое-то время воздуходувка работала и пережила несколько зарядок? Да очень просто — пока аккумуляторы были сбалансированы, они просто заряжались до напряжения преобразователя, которое было даже меньше 3 х 4.2В, поэтому банки как-то боле-менее жили и их зарядка заканчивался просто из-за выравнивания потенциала всей батареи и зарядного напряжения.
Как только банки начали расбалансировываться, они и начали дохнуть по одной.
В общем у меня нет слов… Китайцы не перестают удивлять. Поставить, как оказалось, хороший контроллер, влепить управляющий высокотоковый транзистор, но не соединить это всё правильно с аккумулятором на плате… Такое впечатление, что плату проектировал человек, который внезапно, почти в самом конце проектирования умер, и в серию пустили то, что он успел сделать на тот момент.
Но если ещё немножко подумать, то оказывается, что эта плата проектировалась под раздельные каналы заряда и разряда. Т.е. провод заряда должен подключаться к площадке C-, а провод разряда (на двигатель) там, где сейчас подключен чёрный провод. В результате всё бы работало идеально. Ну визуально, вроде как такой вариант выглядит вполне рабочим.
Но находчивые китайцы решили сэкономить один провод, а может он у них просто не влез в очень тесный корпус, ну или кончились двухпроводные платы защиты и сделали двухпроводную плату из трёхпроводной. И так сойдёт.
Самые обсуждаемые обзоры
+56 |
1764
93
|
+151 |
7423
122
|
+82 |
4398
113
|
+58 |
1965
61
|
+33 |
2377
75
|
По логике развития сюжета в конце должно было случиться чудо… где? )))
а здесь странно, по разводке платы дорожки к затворам от контроллера вроде видны… ну насколько можно увидеть где не загорожено. или с обратной стороны дорожки нет?