Авторизация
Регистрация

Напомнить пароль

LED лампа Jazzway A65 20W E27

Всем привет!
Сегодня мы вскрываем очередную лампочку.
Внутренности приятно удивили.
Добро пожаловать под кат!

Первое, что бросается в глаза — лампочка большая.
Вот она на фоне обычной А60:
Рассеиватель легко снимается ножом, под ним плата со светодиодами:
В отличие от большинства LED ламп, она вместо запрессовки держится на трех саморезах и силиконовом герметике, поэтому её можно безболезненно снять и полностью выпотрошить лампочку:
Плата драйвера, вид снизу…
… и сверху:
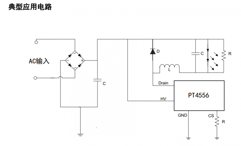
Он реализован на основе микросхемы PT4556K:
Микросхема способна работать в диапазоне напряжений питания от 85 до 265 В(правда, не факт, что во всем этом диапазоне сможет нормально работать лампочка в сборе).
Напряжение питания светодиодов — 132 В на 15 последовательно включенных диода(что даёт 8,8 В на диод):
Ток через светодиоды — примерно 130 мА на пару:
При данных параметрах мощность, потребляемая чуть урезанной матрицей, составляет 16,9 Вт(полная потребляла бы 18,3 Вт). С учётом КПД источника питания указанную на цоколе лампы мощность 20 Вт можно считать подтвержденной.
Вывод: лампочка обладает честной мощностью и приятным цветом свечения, а конструкция допускает доработку и ремонт после выхода из строя.
Добавить в избранное
+42 +65
свернутьразвернуть
Комментарии (48)
RSS
+
avatar
0
Где куплена лампа?
+
avatar
+4
  • ZeRNoVoz
  • 22 февраля 2026, 15:32
магазин на диване
я на выходных акки купил...
+
avatar
+9
  • redcap
  • 22 февраля 2026, 16:21
Где куплена лампа?
Судя по конструкции — в музее :)
+
avatar
0
Видел в мерлене такое лет так 5-6 назад. И в фикс прайсе (там холодный свет).
+
avatar
+1
Максим, разве не видите это «сделано руками». Не куплена, чистый DIY ;)
+
avatar
0
  • TYNYBEAR
  • 22 февраля 2026, 15:18
Вы не указали где она продается и сколько стоит, мы все такую хотим если цена подходящая.
+
avatar
-5
  • oleg235
  • 22 февраля 2026, 15:35
+
avatar
+23
  • TYNYBEAR
  • 22 февраля 2026, 16:09
Спектральный анализ, люменов обзор,
Обещан был свет, а вышел позор.
Диоды мерцают, пульсация в норме?
На деле – глаза устают, словно в шторме.
И Вы говорите, что это статья,
И в этом конечно я Вам не судья

С ценой и магазином было бы интересней.
+
avatar
+3
  • cofein
  • 22 февраля 2026, 16:35
Так они могут уже в следующей партии поменять внутрянку и все…
+
avatar
+6
  • Lenny
  • 22 февраля 2026, 15:23
Какой-то обзор ради обзора. )
+
avatar
+1
  • rammster
  • 22 февраля 2026, 17:20
Если по итогу у вас сложилось мнение куплю/не куплю, то уже польза.
+
avatar
+1
Тут других 1%
+
avatar
+1
Брал раньше филаментные свечки данного производителя. Долго не перегорают, однако моргают когда пылесос включаю
+
avatar
0
  • V11
  • 22 февраля 2026, 16:10
Пользую их PLED-SP 12Вт A60, 6 штук уже больше трех лет. Не перегорают. Брал за 80 рублей. Так они и сейчас столько стоят.
Нравится.
+
avatar
+2
  • dkom
  • 22 февраля 2026, 16:31
8.8*0.065=0.57Вт на диод. Диоды полваттные — т.е изначально работают с перегрузкой.
+
avatar
+3
  • oleg235
  • 22 февраля 2026, 16:39
С чего Вы взяли, что они полваттные?
+
avatar
0
  • rammster
  • 22 февраля 2026, 17:19
1 ваттные наверное они бы не стали ставить
+
avatar
0
  • oleg235
  • 22 февраля 2026, 17:23
С учетом примерно 9 В на диоде там три кристалла в корпусе. Вполне могут быть 3*0,25 Вт.
+
avatar
+1
Вообще-то тепловая мощность считается на корпус, а не на количество диодов внутри оного.
+
avatar
0
  • dkom
  • 22 февраля 2026, 21:30
Если смотреть по лотам на Али то там диоды 0.2, 0.5 и 1Вт на разные напряжения, но мощности практически у всех такие. Как бы это наиболее распространенные значения и врядли производители ламп выбирают из каких-то редких значений мощности. В лампочках обычно не ставят с запасом, т.к это прямо влияет на цену. Зачем собирать 32Вт плату и резистором задавать мощность 18Вт, чтобы плата работала вечно, если можно собрать 16Ваттную и дать те же 18Вт чтобы она включаясь летом за день на минуты, а зимой на 2-3 часа по вечерам, и так продержалась хотя бы года 2 до сгорания. Поэтому да, думаю тут могли поставить или 16 одноваттных или 32 полваттных диода.
+
avatar
0
  • deddy
  • 22 февраля 2026, 20:24
132 В на 15 последовательно включенных диода
Тут автор слегка ошибя, 2 параллельных линии по 16 последовательно соединенных диодов.
+
avatar
+3
  • oleg235
  • 22 февраля 2026, 21:07
Автор не ошибся.
Во-первых, тут не 2 параллельных линии по 16 последовательно соединенных диодов, а 16 последовательно соединенных по 2 диода.
Во-вторых, одна из пар диодов заменена перемычкой.
+
avatar
0
  • deddy
  • 24 февраля 2026, 00:09
Перевел 2p16s возможно неправильно, но почему
одна из пар диодов заменена перемычкой.
? Если присутствуют 32 диода, зачем исключать две из них?
+
avatar
+1
  • oleg235
  • 24 февраля 2026, 00:12
Они перегорели. Для продолжения работы цепь должна быть восстановлена.
+
avatar
+4
  • mike888
  • 22 февраля 2026, 16:37
Джазвей это продавец и что они заказали под своим брендом знают лишь они. У нас в основном бюджетный сегмент продают, качество лотерея, цена лишь отражает аппетит конкретного продавца и никак не соотносится с качеством товара. Особенности национальной торговли.
А обзор лампы как минимум должен содержать результат измерения параметров. Потрошки не обязательно, по пульсациям и так понятно что там.
+
avatar
+1
  • redcap
  • 22 февраля 2026, 17:03
Потрошки не обязательно
Очень часто уже по фото платы ясно, что лампа отстой :)
+
avatar
+3
  • asasls
  • 22 февраля 2026, 16:56
Пришел с работы вечером и вместо ужина вскрыл очередную лампу. Внутренности приятно удивили! Моя прелесть!
+
avatar
+2
  • Vingrad
  • 22 февраля 2026, 17:09
Пора спичечный коробок поменять :(
+
avatar
+5
  • asasls
  • 22 февраля 2026, 17:13
Пришел с работы вечером и вместо ужина вскрыл очередную лампу. Внутренности приятно удивили! Моя прелесть!

Вот сэмулировал в Протеусе. Увы не увидел емкость кондера, но предположил что 5 мкФ.
Видно что на входе DC/DC напряжение всегда сильно выше 135 В и мерцаний не будет.

Если сделать из лампы 10 Вт, то прослужит сильно дольше.

+
avatar
+1
  • oleg235
  • 22 февраля 2026, 17:43
Увы не увидел емкость кондера, но предположил что 5 мкФ.
Там 10 мкФ.
+
avatar
0
  • redcap
  • 22 февраля 2026, 18:10
Если сделать из лампы 10 Вт, то прослужит сильно дольше.
Это А65 она и 12 — 15 Вт неплохо потянет, тем более драйвер на отдельной плате :)
+
avatar
0
  • IN19
  • 22 февраля 2026, 17:31
Лампочки с таким точно названием продаются в разных местах от 60 до 390 руб. По форме -один-в-один. Скорее всего, это говорит о том, что внутренности у них разные.
+
avatar
0
  • oleg235
  • 22 февраля 2026, 17:43
Вскрытие покажет.
+
avatar
+7
Олег, чем банальнее ваши обзоры, тем мне сильнее хочется достать свой спичечный коробок.
+
avatar
+7
  • oleg235
  • 22 февраля 2026, 17:41
Вот Ваш обзор на носки это прям совсем не банально, ага(нет).
+
avatar
+9
Понимаете в чем разница. Обзоров дохлых ламп от вас тут 100500.
Обзоров таких носков тут не было.
Так что погнали, расчехляю коробок
+
avatar
+1
  • oleg235
  • 22 февраля 2026, 18:19
Понимаете в чем разница. Обзоров дохлых ламп от вас тут 100500.
Обзоров таких носков тут не было.
Нет. Разница в том, что про лампочки я пишу интереснее, чем вы про носки.
+
avatar
+3
Так про лампочки я тоже могу, у меня тоже мешок старых лежит. Мешок из под картошки. Кассовых терминалов у меня нет, но разного хлама полно.
+
avatar
+2
  • oleg235
  • 22 февраля 2026, 20:06
А второй приз за месяц вам всё равно не дадут.
+
avatar
+5
Вы все про деньги.
Я не ради денег, я просто поржать.
Ради этого мне не жалко 20 минут времени с телефона накидать текст и фото.
+
avatar
+2
  • oleg235
  • 22 февраля 2026, 21:37
Я не ради денег, я просто поржать.
— Чего вы это? Смешной же анекдот!
— Понимаешь… Одни умеют рассказывать анекдоты, а другие — нет…
+
avatar
+2
Судя по лайкам, мои «анекдоты» людям нравятся больше.
+
avatar
0
  • Funt
  • 22 февраля 2026, 19:11
Лампочка большая а охлады как не было так и нет)
+
avatar
+1
  • oleg235
  • 22 февраля 2026, 20:07
Ну как… У фонарика типа UF-2100 сопоставимая площадь теплоотдачи.
+
avatar
0
  • Funt
  • 23 февраля 2026, 05:06
В фонариках ступенчатое снижение яркости + термоконтроль и прочее а тут ничего такого нет и близко так что не стоит сравнивать вообще
+
avatar
+1
  • oleg235
  • 23 февраля 2026, 07:23
В фонариках ступенчатое снижение яркости + термоконтроль и прочее
В UF-2100 ничего такого не было.
+
avatar
-1
  • redcap
  • 23 февраля 2026, 17:04
Вся правда о лампочках: 20 брендов — и ни одного соответствия
dzen.ru/a/aYReAnl2Ug_DPx8B
+
avatar
0
  • zoog
  • 15 апреля 2026, 07:15
Я понимаю, что это позор, а не обзор, но для теста долговечности (снижения потока) — самого базового и необходимого для 100% юзеров — достаточно 1гофоторезистора за $0,05 и тестера…
Только зарегистрированные и авторизованные пользователи могут оставлять комментарии.