Импульсный генератор RCmf-1 для управления шаговым двигателем и серводвигателем.
- Цена: 1330
- Перейти в магазин
Эта статья из серии: «Бюджетные серводвигатели и управление ими» и является продолжением Серводвигатель с контроллером PFDE 1 кВт AC220V. Отзывов о работе и настройке такого генератора очень мало, попробую описать его возможности.
Изготовлено устройство достаточно качественно, корпус из АБС пластика, задняя крышка на защелках, крепление элементов на винтах. Для подключения проводников предусмотрены съемные разъемы.



Пайка автоматическая, флюс отмыт нормально, но встречаются пятна смывочного раствора, названия электронных компонентов не затерты. 48-миногий микроконтроллер Nuvoton n76e616al48:
* Ядро 8051 Т1 — максимальная тактовая частота — 16 MHz;
* 18kB Flash; 256B RAM;
* 2 порта UART, 1SPI, 1 I2C;
* 8 каналов 12-битных ШИМ;
* 10 каналов 12-bit АЦП;
* четыре 16-тибитных таймера;
* Аппаратный драйвер ЖКИ — 3x32 и 6x30 сегментов
* диапазон рабочего напряжения — 2.4V to 5.5V;
* диапазон рабочих температур — -40°C to 105°C;
* корпус — LQFP48 7x7x1.4mm, шаг 0,5мм.
В комплекте с устройством приходит Инструкция на плохо понятном нам языке производителя.
Моя попытка перевода.
Прошу озвучивать замечания к переводу инструкции, особенно к описанию параметра «MOdE» — буду править.
Назначение устройства:
• контроль скорости вращения двигателя (об/мин) с помощью 4-рех разрядного 7-ми сегментного индикатора;
• задание с помощью энкодера скорости вращения двигателя. Нажатие на ручку энкодера позволяет выбрать разряд регулировки скорости вращения (выбранный разряд индикатора мигает). При остановленном двигателе на индикаторе высвечивается «0». Если необходимо отобразить текущую заданную скорость в состоянии остановки, нажмите клавишу «Оффлайн». Когда горит индикатор «Оффлайн», отрегулируйте с помощью энкодера значение скорости и соответствующей кнопкой направление вращения двигателя;
• контроль режима работы: «ПУСК», «СТОП», «Реверс». С помощью светодиода подсвечивается режим соответствующей кнопки;
• управление работой двигателя с помощью кнопок «ПУСК», «СТОП», «Реверс»;
• подключение внешних сигналов управления;
• программирование режимов работы генератора импульсов.
Алгоритм настройки параметров генератора:
в состоянии остановки нажмите и удерживайте кнопку «SET», появится надпись на дисплее «ACC», нажмите кнопку «SET» еще раз, чтобы отобразить значение параметра, нажмите клавишу направления «˅» или «˄», чтобы настроить параметр. После настройки, для подтверждения нажмите клавишу «SET», вернётесь в состояние «ACC», нажмите клавишу со стрелкой «˅», чтобы отобразить «tAb», нажмите еще раз, чтобы отобразить «run» и т.д. Чтобы выйти из режима настройки параметров нажмите клавишу «Оффлайн».
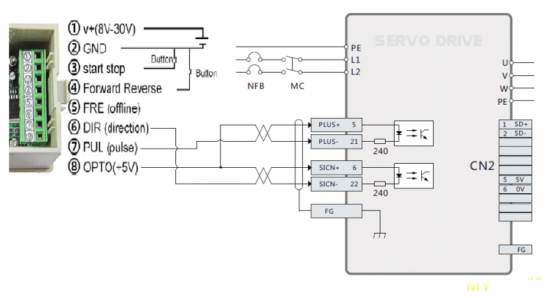
К разъемам «3» и «4» можно подключить концевые выключатели или переключатели, в зависимости от реализуемого алгоритма автоматизации управления.
Более сложные алгоритмы управления можно реализовать через входы X1, X2, Y1, Y2.
Схема подключения к контроллеру серводвигателя:
Для соответствия показаний дисплея генератора импульсов и реальной скорости вращения двигателя введем соответствующие коэффициенты.
Для контроллера Серводвигателя PFDE, в группе PA11 установим коэффициент 1000.
Для генератора импульсов RCMF-1 выполняем следующие действия: в состоянии остановки нажмите и удерживайте кнопку «SET», появится надпись на дисплее «ACC», нажимайте клавишу направления «˅», пока не появится параметр «HSPd» нажмите кнопку «SET» еще раз, чтобы отобразить значение параметра, нажмите клавишу направления «˅» или «˄», чтобы настроить значение параметра, например, «3000» ( максимальная скорость, отображаемая на дисплее генератора. Выбирается в пределах от 1 до 4000) После настройки, для подтверждения выбора значения параметра нажмите клавишу «SET», вернётесь в состояние «HSPd». Чтобы выйти из режима настройки параметров нажмите клавишу «Оффлайн».
Выводы:
Мне устройство понравилось простотой подключения и удобством управления. Разработан генератор на достаточно современной базе. Я думаю, «Гики» смогут адаптировать программное обеспечение под свои нужды. Однозначно рекомендую к приобретению!
Изготовлено устройство достаточно качественно, корпус из АБС пластика, задняя крышка на защелках, крепление элементов на винтах. Для подключения проводников предусмотрены съемные разъемы.



Пайка автоматическая, флюс отмыт нормально, но встречаются пятна смывочного раствора, названия электронных компонентов не затерты. 48-миногий микроконтроллер Nuvoton n76e616al48:* Ядро 8051 Т1 — максимальная тактовая частота — 16 MHz;
* 18kB Flash; 256B RAM;
* 2 порта UART, 1SPI, 1 I2C;
* 8 каналов 12-битных ШИМ;
* 10 каналов 12-bit АЦП;
* четыре 16-тибитных таймера;
* Аппаратный драйвер ЖКИ — 3x32 и 6x30 сегментов
* диапазон рабочего напряжения — 2.4V to 5.5V;
* диапазон рабочих температур — -40°C to 105°C;
* корпус — LQFP48 7x7x1.4mm, шаг 0,5мм.
В комплекте с устройством приходит Инструкция на плохо понятном нам языке производителя.
Моя попытка перевода.
Прошу озвучивать замечания к переводу инструкции, особенно к описанию параметра «MOdE» — буду править.
Видео на youtube
• контроль скорости вращения двигателя (об/мин) с помощью 4-рех разрядного 7-ми сегментного индикатора;
• задание с помощью энкодера скорости вращения двигателя. Нажатие на ручку энкодера позволяет выбрать разряд регулировки скорости вращения (выбранный разряд индикатора мигает). При остановленном двигателе на индикаторе высвечивается «0». Если необходимо отобразить текущую заданную скорость в состоянии остановки, нажмите клавишу «Оффлайн». Когда горит индикатор «Оффлайн», отрегулируйте с помощью энкодера значение скорости и соответствующей кнопкой направление вращения двигателя;
• контроль режима работы: «ПУСК», «СТОП», «Реверс». С помощью светодиода подсвечивается режим соответствующей кнопки;
• управление работой двигателя с помощью кнопок «ПУСК», «СТОП», «Реверс»;
• подключение внешних сигналов управления;
• программирование режимов работы генератора импульсов.
Алгоритм настройки параметров генератора:
в состоянии остановки нажмите и удерживайте кнопку «SET», появится надпись на дисплее «ACC», нажмите кнопку «SET» еще раз, чтобы отобразить значение параметра, нажмите клавишу направления «˅» или «˄», чтобы настроить параметр. После настройки, для подтверждения нажмите клавишу «SET», вернётесь в состояние «ACC», нажмите клавишу со стрелкой «˅», чтобы отобразить «tAb», нажмите еще раз, чтобы отобразить «run» и т.д. Чтобы выйти из режима настройки параметров нажмите клавишу «Оффлайн».
К разъемам «3» и «4» можно подключить концевые выключатели или переключатели, в зависимости от реализуемого алгоритма автоматизации управления.
Более сложные алгоритмы управления можно реализовать через входы X1, X2, Y1, Y2.
Схема подключения к контроллеру серводвигателя:

Видео на youtube
Для контроллера Серводвигателя PFDE, в группе PA11 установим коэффициент 1000.
Для генератора импульсов RCMF-1 выполняем следующие действия: в состоянии остановки нажмите и удерживайте кнопку «SET», появится надпись на дисплее «ACC», нажимайте клавишу направления «˅», пока не появится параметр «HSPd» нажмите кнопку «SET» еще раз, чтобы отобразить значение параметра, нажмите клавишу направления «˅» или «˄», чтобы настроить значение параметра, например, «3000» ( максимальная скорость, отображаемая на дисплее генератора. Выбирается в пределах от 1 до 4000) После настройки, для подтверждения выбора значения параметра нажмите клавишу «SET», вернётесь в состояние «HSPd». Чтобы выйти из режима настройки параметров нажмите клавишу «Оффлайн».
Выводы:
Мне устройство понравилось простотой подключения и удобством управления. Разработан генератор на достаточно современной базе. Я думаю, «Гики» смогут адаптировать программное обеспечение под свои нужды. Однозначно рекомендую к приобретению!
Самые обсуждаемые обзоры
| +77 |
3285
85
|
| +61 |
3505
75
|
| +30 |
1246
50
|
| +61 |
3090
51
|
Тут совершенно неизвестно, что азиатские сумрачные гении внутрь вкорячили, как разгоняться будет итд итп.
В раскладе степ-степ-степ реализация вообще примитивная…
Ей богу, любой мк вам изобрадит нужное…
Потом поставил нцстудию 5,5 и свершилось чудо — после ЛПТ на тех же драйверах скорость с 1500 стала 6000 мм/мин.