USB-тестер KWS -V30. 4-30V, 0-6.5A. Делаем измеритель ёмкости "макитоподобных" аккумуляторов. Часть 2
- Цена: 1,69$ + НДС+доставка (на момент покупки 2,92$)
- Перейти в магазин
Делаем измеритель ёмкости, из подручных средств, без ардуинки и 3D-принтера. За основу взят USB-тестер и корпус адаптера из этого обзора. Кому интересно, прошу под капот.
Измеритель можно сделать и функциональней и красивей, но принтер я еще не приобрел, программирование не освоил, потому делаю из того что доступно и не дорого. Требования к устройству — компактный моноблок, который можно дать в руки, растущие не с того места. Бюджет 10-15$
В магазинах есть готовые устройства, но они меня не устраивают.
Пару слов о измерителе. На странице товара и в описании нет упоминания Keweisi KWS -V30, есть только фото обратной стороны. Но пришел именно KWS -V30, во всяком случае на нем написано. Комплектация.



USB штекеры с доп. контактом. Корпус разборный на шпеньках. Внутренний мир.


Точность тестера меня устраивает.

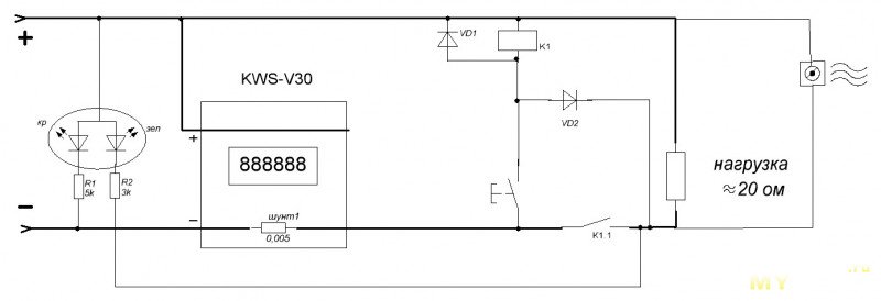
Схема будущего устройства. По задумке автора, запуск кнопкой через реле (работает), время окончания разряда обрубает БМС аккумулятора, реле отключается (работает), через время, после снятия нагрузки, напряжение немного подрастает, и БМС снова включает измеритель на х.х. (не работает). Ток разряда мне нравится 1а, и для аккумуляторов нормально, и рассчитывать примерное время теста удобно.
Что-то нашлось в запасах, что-то докупил в радио магазине: вентилятор на 24в, 2 резистора 10вт 10ом, компактное реле на 24в. Двухцветный светодиод можно и не ставить, но для чего-то я их покупал. Вырезаем плату из текстолита по контуру адаптера, прикидываем размещение компонентов. Резисторы по высоте почти до крышки достают, кнопка до платы. Решаю керамические резисторы заменить на СМД 2512 20 шт. Опять в магазин, докупаю другую кнопку, а вот с резисторами засада, ни 15ом (5S4P) ни 3,9ом (10S2P), в наличии нет, под заказ 8-9 недель. Заказал на АЛИ, а проверить хочется сейчас, в закромах нашел 10 шт на 4,7ом, на них временно и собирал. Охлаждение СМД за счет полигонов, их оставляем максимально большими. Убираем USB штекеры, паяем провода на вход и выход "-" и вход "+". Режем в корпусе отверстие под вентилятор, приклеиваем на крышку тестер, кнопку, и сам вентилятор. Кнопка сброса осталась штатная. По ходу изготовления, добалил терморезистор на 105гр. Если вентилятор остановится, чтобы не сплавилось все внутри. Дополнительно полигоны увеличиваем пластинками меди припаивая под углом 90гр.



Напоминает стегозавра.

Собираем схему. Все заработало. Ну кроме перезапуска. Сопротивление на клеммах 100ком, видно этого хватает чтобы защита не откатывалась в исходное состояние. Приходится передергивать аккумулятор. Думаю, вместо реле и кнопки надо ставить переключатель 1-0-1 на 2 группы перекидных контактов. Сам переделывать не буду, но может кому пригодиться. Реле можно включить от 14в., удерживается до 4в. Начальный ток 0,45-0,48А.


Переходим к испытаниям.
В корпусе адаптера отверстия по USB-гнезда служат для выпуска теплого воздуха, нагнетаемого вентилятором. Температура на выходе после прогрева 40-45гр.
Как уже говорил, схема БМС после отработки, в исходное состояние не возвращается, нужно передергивать аккумулятор. Если повторно запустить, отключается за пару минут, и можно увидеть при каком напряжении отключается БМС. Уже после повторного срабатывания передергивание может не помочь, надо подзарядить аккумулятор ЗУ.
Аккумулятор за 18 бел.руб (6$) показал ёмкость 0,9ач, и напряжение отсечки 18в. Сразу понятна причина. Замеры банок подтвердил догадку: четыре банки -3,8в. одна-2,8в. Подзарядил, как мог выровнял, получил уже 1,3ач и отсечку при 16,5в. Банки, правда, лучше не стали: 3шт-3,5в, 1-3,0в, 1-3,25в.
Теперь можно и платами балансировки заниматься, сразу виден результат в цифрах.
Придут резисторы, или добавлю к этим, или заменю полностью. Может еще решётку поставлю.
Подведем итог, результатом доволен, можно быстро посмотреть напряжение на батареи, замерить ёмкость. Компактный размер, все единой конструкцией. Защита от переполюсовки.
Всем добра.
Бонус
Измеритель можно сделать и функциональней и красивей, но принтер я еще не приобрел, программирование не освоил, потому делаю из того что доступно и не дорого. Требования к устройству — компактный моноблок, который можно дать в руки, растущие не с того места. Бюджет 10-15$
В магазинах есть готовые устройства, но они меня не устраивают.
Дополнительная информация
Типа таких:
Здесь есть возможность переполюсовки, дополнительно нужна отдельная нагрузка.
Или таких;
Здесь измеряется заливаемая ёмкость. Я планирую проверять и совсем убитые аккумуляторы, а там можно много интересного намерить. Как известно в дырявое ведро, можно много воды налить.
Здесь есть возможность переполюсовки, дополнительно нужна отдельная нагрузка.Или таких;
Здесь измеряется заливаемая ёмкость. Я планирую проверять и совсем убитые аккумуляторы, а там можно много интересного намерить. Как известно в дырявое ведро, можно много воды налить.Пару слов о измерителе. На странице товара и в описании нет упоминания Keweisi KWS -V30, есть только фото обратной стороны. Но пришел именно KWS -V30, во всяком случае на нем написано. Комплектация.



USB штекеры с доп. контактом. Корпус разборный на шпеньках. Внутренний мир. 

Точность тестера меня устраивает. 
Схема будущего устройства. По задумке автора, запуск кнопкой через реле (работает), время окончания разряда обрубает БМС аккумулятора, реле отключается (работает), через время, после снятия нагрузки, напряжение немного подрастает, и БМС снова включает измеритель на х.х. (не работает). Ток разряда мне нравится 1а, и для аккумуляторов нормально, и рассчитывать примерное время теста удобно.
Что-то нашлось в запасах, что-то докупил в радио магазине: вентилятор на 24в, 2 резистора 10вт 10ом, компактное реле на 24в. Двухцветный светодиод можно и не ставить, но для чего-то я их покупал. Вырезаем плату из текстолита по контуру адаптера, прикидываем размещение компонентов. Резисторы по высоте почти до крышки достают, кнопка до платы. Решаю керамические резисторы заменить на СМД 2512 20 шт. Опять в магазин, докупаю другую кнопку, а вот с резисторами засада, ни 15ом (5S4P) ни 3,9ом (10S2P), в наличии нет, под заказ 8-9 недель. Заказал на АЛИ, а проверить хочется сейчас, в закромах нашел 10 шт на 4,7ом, на них временно и собирал. Охлаждение СМД за счет полигонов, их оставляем максимально большими. Убираем USB штекеры, паяем провода на вход и выход "-" и вход "+". Режем в корпусе отверстие под вентилятор, приклеиваем на крышку тестер, кнопку, и сам вентилятор. Кнопка сброса осталась штатная. По ходу изготовления, добалил терморезистор на 105гр. Если вентилятор остановится, чтобы не сплавилось все внутри. Дополнительно полигоны увеличиваем пластинками меди припаивая под углом 90гр. 


Напоминает стегозавра.
Дополнительная информация

Собираем схему. Все заработало. Ну кроме перезапуска. Сопротивление на клеммах 100ком, видно этого хватает чтобы защита не откатывалась в исходное состояние. Приходится передергивать аккумулятор. Думаю, вместо реле и кнопки надо ставить переключатель 1-0-1 на 2 группы перекидных контактов. Сам переделывать не буду, но может кому пригодиться. Реле можно включить от 14в., удерживается до 4в. Начальный ток 0,45-0,48А.


Переходим к испытаниям.В корпусе адаптера отверстия по USB-гнезда служат для выпуска теплого воздуха, нагнетаемого вентилятором. Температура на выходе после прогрева 40-45гр.
Как уже говорил, схема БМС после отработки, в исходное состояние не возвращается, нужно передергивать аккумулятор. Если повторно запустить, отключается за пару минут, и можно увидеть при каком напряжении отключается БМС. Уже после повторного срабатывания передергивание может не помочь, надо подзарядить аккумулятор ЗУ.
Аккумулятор за 18 бел.руб (6$) показал ёмкость 0,9ач, и напряжение отсечки 18в. Сразу понятна причина. Замеры банок подтвердил догадку: четыре банки -3,8в. одна-2,8в. Подзарядил, как мог выровнял, получил уже 1,3ач и отсечку при 16,5в. Банки, правда, лучше не стали: 3шт-3,5в, 1-3,0в, 1-3,25в.
Теперь можно и платами балансировки заниматься, сразу виден результат в цифрах.
Придут резисторы, или добавлю к этим, или заменю полностью. Может еще решётку поставлю.Подведем итог, результатом доволен, можно быстро посмотреть напряжение на батареи, замерить ёмкость. Компактный размер, все единой конструкцией. Защита от переполюсовки.
Всем добра.
Бонус
Дополнительная информация
Багира


Самые обсуждаемые обзоры
| +48 |
3493
206
|
| +165 |
5698
168
|
инструмент контролирует Разярд
Просто по тексту автор безаппеляционно надеется на защиту встроенную в аккумулятор, хотя пороговый элемент на той же тл431 можно было ввести)
Как бы к нему еще свой прерыватель разряда по порогу прикрутить. Совсем бы стал неплохим измерителем емкости.
С другой стороны, что в нём есть, чего нет в дешевом, и что действительно нужно?
но опять таки при одном напряжение это не очень и нужно
Хотя большие цифры часто удобнее
И ток, относительно аккумулятора, вполне ограничен его мощностью, соротивлением нагрузки и подчинен канонам Закона Ома для полной цепи. А относительно самого разъема этот ток ничем не ограничен, поскольку многократно превышает его возможности и способности передавать такой ток. И пофиг. будет при этом учитываться внутреннее сопротивление источника тока или не будет, результат для самого разъема станет плачевным.
Конструирование, компоновка и тех.дизайн — это явно не твоё.
Хотя, вот так навалить сверху — для этого тож талант нужен.
Вот смотри, вентилятор 40х40х10мм — это он только с виду и по названию вентилятор, а по факту это шумогенератор, воздуха от него чуть больше, чем муха крылышками надует. Поэтому смотрим на размеры крышки корпуса и смело применяем что-то вроде 60х60х10 или 15мм толщиной, который и крутится в 2-3 раза медленнее сороковки и воздух перемещать способен.
Соответственно, рядом с вентилятором можно (!!! нужно!!!) разместить сам тестер, благо он по ширине корпуса отлично подходит. Кнопу — по желанию. Под вентилятор платку с нагрузочными резисторами, если крупные СМД, то паять их лучше не лежа, а на боку — вентилятор лучше будет обдувать. Я бы еще терморегулятор оборотов на вент приделал, простенький, типа составной транзистор и пара резисторов в делителе с терморезистором.
Не критично, конструкция легкая, и компактная, перенес в любое место, и оставил. Само отключится.
для этого медные крылышки, при необходимость из медной трубки раскатаю в лист 2мм. Это уже полноценный радиатор получится.
в чем смысл действия? именно конечный результат?
На вкус и цвет фломастеры разные. В вашем варианте прибор располагается вертикально, причем сначала хвост аккумулятора, потом вентилятор, потом измеритель (иначе кнопку сброса надо выносить отдельно.)
Я же говорю — не твое…
Как угодно и как удобно — так и располагай. Например, как сейчас, лежа, только не вдоль свободной стороны, а вдоль вентилятора, т.е. повернутый на 90 градусов.
Я же вам сказал, без выноса кнопки сброса V30, как угодно не получится. У вас плохо с пространственным мышлением, вырежете и бумаги макеты и попробуйте расположить, вы все поймете.
— поставить тестер стороной с кнопкой наружу. но впритык к вентилятору?
— поставить тестер вертикально или наклонно, кнопкой вверх?
— оставить саму кнопку на своем месте и удлинить или наростить толкатель, выведя его в свободную зону.
Получается конечной цели нет. Действие ради действия.
Самый простой тестер емкости — нагрузочная спираль и кварцевый будильник на АА батарейке, подключенные к аккумулятору через реле напряжения.
Если девайс уйдет куда то «в цех» то может и нормальное решение, но если «для своих», то стоило бы взять зарядное-балансир, да тот же b6 к примеру (с перепрошивкой в cheali). Он по крайней мере после разряда зарядит батарею, а при необходимости и балансировку провести можно.
Они есть 5вт, 10вт, 21вт. и вот 21вт примерно будет потреблять 1А.
емкость замеряют на токе в 0.2C.
5А не нужен ни для замера, ни для работы инструмента, единственную причину его выбора я уже озвучил.
Вот зарядку на пять каналов с поканальной регулировкой тока и напряжения сделал. И первое, для чего ее использовал, зарядил током 0,5А все аккумы на хранение. До 18,8 вольт. Вот тут очень удобно оказалось.
Собственно, трабл в том, что китайские зарядки с одинаковыми написанными на корпусах характеристиками заряжают не только разным током, но и до разного напряжения. И двухамперная зарядка с реальным током 0,3А и холостым напряжением 21,5 закачает больше, чем такая же, но с током 1А и напряжением 21 вольт. Это на прилично разбалансированном аккуме.
Но для оценки приблизительной емкости аккума в моменте обсуждаемый девайс — неплохая штука.
Мне кажется, к вашему измерителю емкости подошла бы внешняя нагрузка на двух автомобильных лампочках 24В. Их можно включить последовательно, параллельно или только одну. При этом ток от макитовского АКБ меняется примерно в диапазоне 1-5 А. Принцип компактности не нарушится, если сделать ее на разъеме и подключать при необходимости.
Изредка пользуюсь такой, если надо по-быстрому. Очень удобно.
резисторы или лампы?
Нагрузка привязана к розетке. Это большой минус
Блок-контактом служит группа К1.1
сопротивлением 50 ом — многовато будет…
Нам тут надоть доли ома
Вот, надысь, как то, мотал нихромом резистор, ватт на сто, с обдувом и все 200. Можно два-три-четыре таких, последовательно, параллельно, перпендикулярно)
Красиво, согласен)
Но в этом случае красота — следствие необходимой функциональности — минимизация индуктивности.