Акустические системы JBL Northridge E60: часть 3-я и последняя
Последняя «серия» по доработке акустических систем JBL E60.
Обещал 3-ю часть ещё в в феврале, но не сложилось.
В этот раз предлагается погрузитьсяв бочку с де... ещё глубже: добрался до замеров АЧХ после фильтров, нагруженных реальными динамиками.
Оригинальные твитеры JBL vs неоригинальные.
Обзор рассчитан на оченьупоротых настойчивых радиолюбителей.
1. Почему так долго?
"- Оэтана, я привёз батарейки!
— Давно пора, **ли так долго?" ©
к/ф «Горячие головы» Часть 1 пер. П.Санаева
Наверняка у многих возник вопрос, почему я не «запихнул» всё в один обзор?
Во-первых, процесс доработки затянулся.
Объём материалов наработанных файлов (это замеры, фото, схемы мультисим и т.д.) — более сотни файлов, и тяжело удержать у памяти все нюансы экспериментов, которые были сделаны:

Во-вторых, замеры АЧХ микрофоном необходимо выполнять с одной установки:
т.е. устанавливается мик по отношению к АС, и далее никаких перемещений, иначе расхождения с предыдущими замерами сбивают с толку.
Фильтры при этом собраны «на соплях» на полу под ногами:

Процесс подбора элементов фильтров выливается в итерационную беготню на кухню, где разместилось моё рабочее место на зимний период, к паяльнику и обратно.
Хорошо, что в доме нет кошек-собакенов, которые любят грызть провода. ))
Но бардак напрягает. ((
Поэтому доработка выполнялась порциями, ну и обзоры тоже.
Далее излагается примерный ход событий.
Возможны неточности, просьба сильно не пинать.
Если что-то непонятно, спрашивайте пожалуйста, постараюсь ответить.
Общая концепция доработки:
заимствуем схему Е80, но «допиливаем» её на свой лад с минимальными изменениями.
2. НЧ секция
На этот раз ломаем всё серьёзно.
Откручиваем клеммник на задней панели АС:

Откручиваем НЧ динамик:
Маркировка НЧ динамика:
Замер индуктивности НЧ динамика:
810 мкГн
Омическое сопротивление 5,4 Ом.
Вытаскиваем родной кроссовер:
Обращаю внимание на пометки в оригинальной схеме, что соответствует действительности:

Далее с платы демонтируется всё, кроме L1 и C1:
Чтобы не сломать гетинакс, необходимо прогреть плату со стороны паек над пламенем зажигалки.
Тогда фиксирующий клей позволит выпаивать элементы.
Ёмкость 2,5мкФ осталась на плате: далее она не используется, а демонтировать сложно.
Из всего этого представляет интерес только катушка 1мГн.
Моделирование фильтра НЧ секции Е60 даёт полосу до 400Гц (-3дБ):
По факту получается, что НЧ динамик работает до 1кГц и выше (замер микрофоном,
см. график жёлтым цветом.):
Тут же можно видеть АЧХ с разными фильтрами (индуктивности 3..5мГн и ёмкости 22..102мкФ).
Решил использовать родную индуктивность 2,5мГн (местами будет встречаться надпись «3мГн»), не увеличивая её значение «добавкой» 1мГн.
Теперь только 2,5мГн и разные ёмкости (замер АЧХ по напряжению непосредственно после фильтра на клеммах динамика):
АЧХ голубым цветом — родной ФНЧ Е60
Выбрал вариант 2,5мГн и 102мкФ (график белым цветом как наиболее оптимальный).
В сравнении с НЧ секцией Е80 вот что получилось (замер микрофоном):

Дополнительные 33мкФ и 47мкФ закрепил на плате кроссовера на месте демонтированных элементов параллельно существующему 22мкФ:
Т.о. получился ФНЧ только для НЧ динамика.
Когда же был собран ФНЧ для 2-й колонки, сравнил их АЧХ ещё раз по напряжению, чтобы исключить ошибку монтажа и человеческий фактор (т.е. свою невнимательность):
См. отличия желтый-зелёный.
3. Вот теперь самое время привести окончательную схему,
тогда далее будет понятно, к чему привели изыскания:

В схеме нет цепочек Цобеля-Буше. Почему?
Во первых, при их использовании импеданс АС получится не 8 Ом, а 4..6 Ом (по активному сопротивлению НЧ динамика, т.е. 5,4 Ом).
Во-вторых, в определённых кругах есть мнение, что

И я с этим согласен.
4. СЧ секция
Теперь к модифицированной НЧ секции надо пристыковать СЧ секцию.
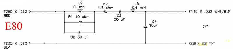
Для старта была заимствована схема СЧ секции от Е80:
Вот что намерял:
Вот тут хорошо видны отличия замер по напряжения vs замер микрофоном.
Посмотрел влияние режекторного фильтра L2, C2:
Вроде бы понятно: придавливается «бугор» на АЧХ около 2,8кГц (он вылазит при стыковке полос СЧ-ВЧ).
Дальше поигрался значением ёмкости С3 33..50 мкФ:

Окончательно выбрал значение С3 именно 33мкФ после проверки нескольких десятков комбинаций 10..22..33..47 мкФ и разных значений R2 от 1 Ом до 7,5 Ом.
Смотрел микрофоном стык НЧ-СЧ, чтобы суммарная АЧХ на стыке была получше.
Затем решил изменить режекторный фильтр L2, C2 с 2,8кГц на 3,5кГц:
Параллельно проверял варианты в симуляторе:
На последний вариант v2 пришлось переиграть по ерундовой причине: нехватка жёлтых конденсаторов 33 мкФ. ))
Промежуточный результат:

Сборка фильтров для СЧ динамиков:


Все фильтры снабдил разъёмами:

Проверка правильности монтажа фильтров СЧ секций:
См. красный vs жёлтый.
В моих Е60 поперечные распорки между боковыми стенками болтались!
Пришлось закрепить термоклеем:

Крепление фильтров СЧ секции:
По две стяжки с каждой стороны.
4. ВЧ секция
Тут всё непросто, бесконечное поле для экспериментов.
АЧХ пищалки Е60 — двугорбая:
Как выяснилось позже, это не родные.
Я потратил сколько-то времени, пытаясь как-то улучшить ситуацию:

Ситуация усугублялась тем, что АЧХи пищалок отличаются:


Когда же у меня оказалась пара Е80, я воспользовался возможностью сравнить пищалки:
Как и ожидалось, твитер в Е80 оказался намного ровнее.
Вот так выглядит твитер от Е60 (на фото слева) vs твитер от Е80:
Купол оригинального твитера (в Е80) выглядит бОлее матовым.
Маркировка неоригинального твитера:
Кстати, лепестки у него выполнены более аккуратно, чем на оригинале.
Заказал на озоне парочку твитеров в надежде заполучить что-то получше.
Через месяц приехала парочка:
И тоже блестящие (не оригинал).
В конечном итоге у меня в распоряжении оказались 4 неоригинальных твитера.
И, по закону подлости, ни одной пары с одинаковой правильной АЧХ.
Поэтому для использования в Е60 выбраны твитеры Amp TW15, как наиболее качественные из доступных по адекватной цене:

Сначала внутренний перфекционист настоял на использовании фильтра 3-го порядка:
Частота среза 5кГц (-3дБ).
Но почему-то СЧ-ВЧ секции плохо стыковались по АЧХ, поэтому пришлось переиграть на фильтр 2-го порядка:

Сравнение этих фильтров по напряжению (нагрузка — твитер TW15)
приподнесло сюрприз:
Начиная с частоты 4кГц АЧХи совпали!
И это несмотря на то, что один фильтр от 5кГц, а другой от 6кГц.
А согласование СЧ-ВЧ с фильтром 2-го порядка получилось лучше. ))
Сборка ФВЧ для твитеров:
После сборки сравнение АЧХ кроссоверов ВЧ по напряжению:

Закрепил на боковой стенке термоклеем:

TW15 установил в напечатанные ранее «фланцы»:

Подключение кроссоверов НЧ-СЧ — к нижней паре клемм на задней панели АС.
Оба динамика (НЧ и СЧ) подсоединены минусом к общему проводнику.
Подключение кроссовера ВЧ — в верхней паре клемм на задней панели АС.
Корректная полярность подключения твитера определяется микрофоном по АЧХ на стыке СЧ-ВЧ.
5. Заключение
В результате у переделанных Е60 получена АЧХ, очень близкая к Е80:
Сравнительное прослушивание не выявило лидера: по звучанию паритет, но отличия всё же есть.
По НЧ немного выигрывают Е60. Вероятно, из-за меньшего сопротивления катушки 2,5мГн.
Я доволен результатом и не жалею потраченного времени.
Всем хорошего звука!
Обещал 3-ю часть ещё в в феврале, но не сложилось.
В этот раз предлагается погрузиться
Оригинальные твитеры JBL vs неоригинальные.
Обзор рассчитан на очень
1. Почему так долго?
"- Оэтана, я привёз батарейки!
— Давно пора, **ли так долго?" ©
к/ф «Горячие головы» Часть 1 пер. П.Санаева
Наверняка у многих возник вопрос, почему я не «запихнул» всё в один обзор?
Во-первых, процесс доработки затянулся.
Объём материалов наработанных файлов (это замеры, фото, схемы мультисим и т.д.) — более сотни файлов, и тяжело удержать у памяти все нюансы экспериментов, которые были сделаны:

Во-вторых, замеры АЧХ микрофоном необходимо выполнять с одной установки:
т.е. устанавливается мик по отношению к АС, и далее никаких перемещений, иначе расхождения с предыдущими замерами сбивают с толку.
Фильтры при этом собраны «на соплях» на полу под ногами:

Процесс подбора элементов фильтров выливается в итерационную беготню на кухню, где разместилось моё рабочее место на зимний период, к паяльнику и обратно.Хорошо, что в доме нет кошек-собакенов, которые любят грызть провода. ))
Но бардак напрягает. ((
Поэтому доработка выполнялась порциями, ну и обзоры тоже.
Далее излагается примерный ход событий.
Возможны неточности, просьба сильно не пинать.
Если что-то непонятно, спрашивайте пожалуйста, постараюсь ответить.
Общая концепция доработки:
заимствуем схему Е80, но «допиливаем» её на свой лад с минимальными изменениями.
2. НЧ секция
На этот раз ломаем всё серьёзно.
Откручиваем клеммник на задней панели АС:

Откручиваем НЧ динамик:
Маркировка НЧ динамика:
Замер индуктивности НЧ динамика:
810 мкГнОмическое сопротивление 5,4 Ом.
Вытаскиваем родной кроссовер:
Обращаю внимание на пометки в оригинальной схеме, что соответствует действительности:
Далее с платы демонтируется всё, кроме L1 и C1:
Чтобы не сломать гетинакс, необходимо прогреть плату со стороны паек над пламенем зажигалки.Тогда фиксирующий клей позволит выпаивать элементы.
Ёмкость 2,5мкФ осталась на плате: далее она не используется, а демонтировать сложно.
Демонтировано:
Из всего этого представляет интерес только катушка 1мГн.Моделирование фильтра НЧ секции Е60 даёт полосу до 400Гц (-3дБ):
По факту получается, что НЧ динамик работает до 1кГц и выше (замер микрофоном,см. график жёлтым цветом.):
Тут же можно видеть АЧХ с разными фильтрами (индуктивности 3..5мГн и ёмкости 22..102мкФ).Решил использовать родную индуктивность 2,5мГн (местами будет встречаться надпись «3мГн»), не увеличивая её значение «добавкой» 1мГн.
Теперь только 2,5мГн и разные ёмкости (замер АЧХ по напряжению непосредственно после фильтра на клеммах динамика):
АЧХ голубым цветом — родной ФНЧ Е60Выбрал вариант 2,5мГн и 102мкФ (график белым цветом как наиболее оптимальный).
В сравнении с НЧ секцией Е80 вот что получилось (замер микрофоном):

Дополнительные 33мкФ и 47мкФ закрепил на плате кроссовера на месте демонтированных элементов параллельно существующему 22мкФ:
Т.о. получился ФНЧ только для НЧ динамика.Когда же был собран ФНЧ для 2-й колонки, сравнил их АЧХ ещё раз по напряжению, чтобы исключить ошибку монтажа и человеческий фактор (т.е. свою невнимательность):
См. отличия желтый-зелёный.3. Вот теперь самое время привести окончательную схему,
тогда далее будет понятно, к чему привели изыскания:

В схеме нет цепочек Цобеля-Буше. Почему?
Во первых, при их использовании импеданс АС получится не 8 Ом, а 4..6 Ом (по активному сопротивлению НЧ динамика, т.е. 5,4 Ом).
Во-вторых, в определённых кругах есть мнение, что
цепочки Цобеля негативно влияют на звук АС

И я с этим согласен.
4. СЧ секция
Теперь к модифицированной НЧ секции надо пристыковать СЧ секцию.
Для старта была заимствована схема СЧ секции от Е80:
Вот что намерял:
Вот тут хорошо видны отличия замер по напряжения vs замер микрофоном.Посмотрел влияние режекторного фильтра L2, C2:
Вроде бы понятно: придавливается «бугор» на АЧХ около 2,8кГц (он вылазит при стыковке полос СЧ-ВЧ).Дальше поигрался значением ёмкости С3 33..50 мкФ:

Окончательно выбрал значение С3 именно 33мкФ после проверки нескольких десятков комбинаций 10..22..33..47 мкФ и разных значений R2 от 1 Ом до 7,5 Ом.
Смотрел микрофоном стык НЧ-СЧ, чтобы суммарная АЧХ на стыке была получше.
Затем решил изменить режекторный фильтр L2, C2 с 2,8кГц на 3,5кГц:
Параллельно проверял варианты в симуляторе:
На последний вариант v2 пришлось переиграть по ерундовой причине: нехватка жёлтых конденсаторов 33 мкФ. ))Промежуточный результат:

Сборка фильтров для СЧ динамиков:

Немного крупнее

Все фильтры снабдил разъёмами:

Проверка правильности монтажа фильтров СЧ секций:
См. красный vs жёлтый.В моих Е60 поперечные распорки между боковыми стенками болтались!
Пришлось закрепить термоклеем:

Крепление фильтров СЧ секции:
По две стяжки с каждой стороны.4. ВЧ секция
Тут всё непросто, бесконечное поле для экспериментов.
АЧХ пищалки Е60 — двугорбая:
Как выяснилось позже, это не родные.Я потратил сколько-то времени, пытаясь как-то улучшить ситуацию:

Ситуация усугублялась тем, что АЧХи пищалок отличаются:


Когда же у меня оказалась пара Е80, я воспользовался возможностью сравнить пищалки:
Как и ожидалось, твитер в Е80 оказался намного ровнее.Вот так выглядит твитер от Е60 (на фото слева) vs твитер от Е80:
Купол оригинального твитера (в Е80) выглядит бОлее матовым.Маркировка неоригинального твитера:
Кстати, лепестки у него выполнены более аккуратно, чем на оригинале.Заказал на озоне парочку твитеров в надежде заполучить что-то получше.
Через месяц приехала парочка:
И тоже блестящие (не оригинал).В конечном итоге у меня в распоряжении оказались 4 неоригинальных твитера.
И, по закону подлости, ни одной пары с одинаковой правильной АЧХ.
Поэтому для использования в Е60 выбраны твитеры Amp TW15, как наиболее качественные из доступных по адекватной цене:

Сначала внутренний перфекционист настоял на использовании фильтра 3-го порядка:
Частота среза 5кГц (-3дБ).Но почему-то СЧ-ВЧ секции плохо стыковались по АЧХ, поэтому пришлось переиграть на фильтр 2-го порядка:

Сравнение этих фильтров по напряжению (нагрузка — твитер TW15)
приподнесло сюрприз:
Начиная с частоты 4кГц АЧХи совпали!И это несмотря на то, что один фильтр от 5кГц, а другой от 6кГц.
А согласование СЧ-ВЧ с фильтром 2-го порядка получилось лучше. ))
Сборка ФВЧ для твитеров:
После сборки сравнение АЧХ кроссоверов ВЧ по напряжению:
Закрепил на боковой стенке термоклеем:

TW15 установил в напечатанные ранее «фланцы»:

Подключение кроссоверов НЧ-СЧ — к нижней паре клемм на задней панели АС.
Оба динамика (НЧ и СЧ) подсоединены минусом к общему проводнику.
Подключение кроссовера ВЧ — в верхней паре клемм на задней панели АС.
Корректная полярность подключения твитера определяется микрофоном по АЧХ на стыке СЧ-ВЧ.
5. Заключение
В результате у переделанных Е60 получена АЧХ, очень близкая к Е80:
Сравнительное прослушивание не выявило лидера: по звучанию паритет, но отличия всё же есть.По НЧ немного выигрывают Е60. Вероятно, из-за меньшего сопротивления катушки 2,5мГн.
Я доволен результатом и не жалею потраченного времени.
Всем хорошего звука!
Самые обсуждаемые обзоры
| +32 |
1400
33
|
| +87 |
5114
85
|
В этой фразе заключена вся аудиофильская боль ))
Иначе я бы
запарилсяустал объяснять все нюансы каждого замера.Да оно и не нужно особо никому.
ЗЫ… Если нужно дамм сылку на клей. Он недорогой.
Сейчас то всё собрано. )
В любом хозмаге есть.
Или:
Рекомендую брать в тюбиках — дешевле чуток и проще дозировать. Смешивать в пропорции 50 на 50. Получается серая масса. Застывает в течение суток.
Есть обзор на Муське — mysku.club/blog/aliexpress/95977.html
Продается везде в виде всяких других названий. Сохнет 5 минут, держит качественно, легко обрабатывается.
Единственный недостаток, нельзя смешивать в больших количествах, закипает.
Чем хорош серый клей — он может долго храниться без потери качеств. Но есть нюанс. Зимой тюбик отвердителя становится тверже. Поэтому перед работой нужно размягчить тюбик в горячей воде.
ещё не пофикшена фаза, ещё не применён ИТУН (хотя-бы на СЧ)
P.S. по поводу использования REW, я так и не сподобился ни написать статью, ни снять видео — есть чем заняться. Но готов онлайн показать если будет желание.
там и ссылка на видео про импульс от АЗвука — теория звука
за основу была взята инструкция от производителей miniDSP
только под разные версии отличается конфиг файл.
что-бы запустить, нужен только бинарик и файл конфигурации
Отсутствие соседей и пр. недовольных, хорошая акустика самого помещения.
Класс
loudspeakerdatabase.com/Simulators/ClosedBox
меняйте Output resistance и объем корпуса и посмотрите на графики
Но хорошие динамики в этом не нуждаются (разница минимальна).
Периодически этот эффект преподносят как очередное открытие.
Хорошие динамики — по моим исследованиям, с медным кольцом. Косвенно видно по кривой импеданса. Если резко вверх на высоких — лампа или ИТУН помогут.
Входное сопротивление тут не причем, у мосфетов оно тоже немаленькое.
Не понял про медное. Лучшие динамики мотаются квадратным алюминиевым проводом. При равном сопротивлении масса в два раза ниже.
«Pano пригласил других участников форума прослушать отрывки аудио в четырёх разных версиях. Одни брали из оригинальных файлов на CD, а три другие были циклично записаны через 180 см профессионального медного кабеля, через 120 см старого микрофонного кабеля с припаянной монетой в пенни США и 20 см мокрой грязи, через 120 см такого же кабеля с монетой и 13 см банана.»
«Из 43 попыток правильных ответов было всего 6 — 13,95%. Затем автор эксперимента использовал формулу биномиального распределения и выяснил, что существует вероятность в 6,12% получить такое же или меньшее количество правильных ответов, если слушатели угадывали бы случайно. Это немногим выше порога статистической значимости в 5%. Таким образом результаты соответствуют случайности.»
"Цвет концертного зала влияет на восприятие звука: доказано учеными"
Чем сильнее магнит, тем хуже неравномерность.
Тут идея не в «увеличении напряжённости поля», а в (тщетной) надежде на «выравнивание неравномерности магнитного потока» в рабочем зазоре. Типа, поток станет ещё более линейным и это, якобы, заметно сгладит АЧХ.
Бредни аудиофилов, не подтверждаемые ничем кроме срачей на форумах.
Вот если динамик сразу спроектирован по такой схеме — понимаю, удлинённая рабочая зона, большой ход катушки — инженерное решение наглядно и очевидно. Более того — «Кольца Гельмгольца» являются классическим методом создания ОЧЕНЬ однородного магнитного поля значительной протяжённости. Вот вам и «двухмагнитная схема».
Но когда, заслышав звон но не зная где он начинают на-коленке лихорадочно наклеивать эпоксидкой дополнительные магниты (порой даже неодимовые!) на задницы приличных заводских динамиков — это как раз «Колхоз имени 8 Марта».
И я таких колхозов навидался, увы, преизрядно.
Ещё важный момент: на «шайбе металлической» обязательно должна быть нанесена пентаграмма. Маленькая, вполне достаточно совсем крохотной. И внутри буковка «В». Пентаграмму наносить строго чернилами «Радуга».
С такой пентаграммой чувствительность повышается на 7...12 дБ, АЧХ выравнивается и срок службы повышается раз в пятнадцать. Военную аппаратуру вскрывали? К деталям приглядывались? Вот это оно и есть.
Грамотнее сразу идти по правильному пути: меряем АЧХ каждого дина > загоняем результаты например в VituixCAD > проектируем в ней фильтр.
VituixCAD бесплатный.
Проверил антивирусом:
Да вот, буквально: ровно неделю назад вручную чистил старый клиентский компьютер. Ни один из современных антивирусов «не заметил ничего крамольного». «А я говорю вам: свежие воздуха. Свежие!» (© М. Зощенко. «Перед восходом Солнца», 1943).
Но я-то эту подлюгу знал. И с некоторым ностальгическим умилением вычистил её «подручными средствами», вспомнив давно забытые навыки.
Сегодня любой «антивирус», увы, не оправдывает ни своих денег, ни прожора аппаратных ресурсов на его прокорм. Просто, ещё одна статья затрат (и попилов) в корпоративном бюджете.
Только и исключительно голова на плечах самого пользователя.
Ботнеты современные антивирусы таки детектят. Нельзя сказать, что сверхоперативно, но также нельзя сказать, что ботнеты наносят немедленный и невосполнимый ущерб владельцу ПК (как это делают, например, шифровальщики-вымогатели).
Просто, она в своё время изрядно попортила крови сисадминам. Очень характерные признаки заражения системы, и ни один антивирус зловредом не считает. Лечится руками, порой с изрядными нервами, надо быть хладнокровным.
Да, современная эвристика таки ловит. Кое-что. И далеко не всегда.
Большую часть ущерба пользователи таки сами наносят своими же собственными руками. Именно с шифровальщиком-вымогателем лично я последний раз сталкивался лет пять назад — и это уже тогда была музейная редкость. Зачем что-то там шифровать, когда лох сам, своими руками тебе и так на карточку переведёт куда большую сумму?
Привычки штука суровая…
Спрошу, а что именно делает автодинамики хуже чем не автодинамики?
Жесткость подвесов и ход мерили? Думаю, что нет…
Динамики хорошие есть, но при цене в килобакс за юнит доступными их назвать я не могу.
А при регулировании АЧХ в цифровом виде ничего не ухудшается? Точно точно?))
ссылка
У фланца края резкие — влияние на АЧХ
Потом, когда убрал перепады высот (корпус стал вровень с поверхностью и без щелей) — заявленную АЧХ получил.
www.daytonaudio.com/images/resources/275-020--dayton-audio-td20f-4-spec-sheet.pdf
— утопить вглубь пищалки
— сделать закругленные края
Соберу, посмотрю по замерам.
Попробую смоделировать сам, на сколько влияет сердечник. Спасибо за подсказку программы. Ссылка не работает, жаль. Хотя рутрекер работает без проблем.
Посмотрим программу в деле…
помню когда покупал в 2011 году смотрел фильмы, к примеру судья дред, звук был шикарный. Единственное помню была проблема, толи кондёры нагревались, и минут через 20 происходил какой-то фон, хотя сильно и не нагружал. Толи вентиляция не справлялась. Вот думаю сейчас в новую квартиру эту акустику забрать.
Простейшие бюджетные коробочки…
Послушайте что либо повыше уровнем что бы понять разницу
Я вот к своему настенному телевизору тоже подключил колоночки (забавно: тоже Свен, индекс утрачен потому что нашёл их на помойке, не шучу). Звук стал просто нормальным. Таким, каким и должен быть у телевизора.
Ежели позырить какое кинцо, то с комплектом 5.1 (любым!) звук поприятнее, чем из штатной бубнилки.
Выключенный и выброшенный на помойку.
Свой я правда не выбросил, я его пару раз в год включаю, когда мне монитор 16:9 нужен по причине дикой кривизны софта, который на 4:3 нормально отображаться не хочет.
Вот и не могу выбросить зомбоЯщик ввиду его полного отсутствия десятилетиями.
помню отдавал около 10 тыс рублей в 2011 году, на тот момент мне казалась приличная цена. Если брать пассивную акустику, вышло бы дороже.
Добрый день! Напишите, пожалуйста, параметры катушек( размер каркаса, количество витков и т.д.) заранее благодарю!
Намоточных данных, как Вы спрашиваете, нет.