Двухзонный LED драйвер с AliExpress 60-130V, 280mA В совместной работе с потолочной панелью Philips
- Цена: ~9$
- Перейти в магазин
Отложим в сторону осциллографы, шприцы с флюсом и бесконечные замеры. Сегодня отдохнем от теории и займемся светом — ярким, приглушенным и послушным ))).Как вы уже поняли, речь пойдет о светодиодном драйвере. Если точнее — о блоке управления для потолочного плафона. А если совсем в деталях, то препарировать будем двухзонный плафон Philips, где каждый канал просит 70V и 400mA и пробуем прикрутить к нему двухзонный драйвер 60-130V, 280mA с AliExpress (пульт + приложение).
Все началось с того, что мне подарили неисправный плафон Philips.
Длина корпуса плафона примерно 115см, внутри корпуса две светодиодные платы на каждой установлено по 36 светодиодов
Фотка уже в разобранном виде без рассеивателя.
и с рассеивателем
(куда пропал родной блок питания история умалчивает) несколько месяцев назад у меня дошли руки до этого плафона, я сделал предварительные замеры токов и напряжений работы плат и убедился, что замеры в общем совпадают с написанным на платах.

И в поисках необходимого устройства управления наткнулся на обозреваемый драйвер


К сожалению мне не удалось найти более мощный драйвер и я купил на пробу этот и именно он сейчас управляет светильником над моим рабочим столом.
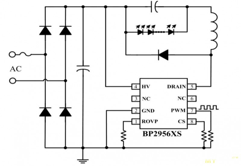
Две микросхемы управления это BP2956


И контролер управления работающий как с пультом так и с приложением на телефоне.


Скаченное приложение
Все просто и понятно изучил «методом тыка».
Так же и работа пульта, выясняется «методом тыка».

И немного о мощности этого драйвера.
Максимум что удалось получить когда работают обе зоны светильника это примерно 26ватт,
это на половину от рабочей мощности светильника.
Я даже не стал делать измерения тепловизором, так как корпус слегка теплый и нет явного перегрева.
На минимуме когда работают две зоны примерно 2.6 ватт
И когда работает одна зона, примерно 1.7 ватт

Итоговые выводы
Итак, драйвер отработал в моем двухзонном плафоне Philips около 4 месяцев.
Сразу о главном: по мощности он для этого плафона откровенно слаб. Однако учитывая, что светильник используется исключительно как дополнительный свет, лично мне его «китайских» ватт вполне хватает.
Что касается заявленных характеристик, то драйвер ожидаемо «недоливает» до обещанных 280мА. Впрочем, плюс-минус 50мА в данном ценовом сегменте — это, как говорится, «в пределах погрешности на ветер». Жить можно.
По управлению
Приложение: Работает по Bluetooth. За время тестирования критических багов или зависаний не замечено. Приложение локальное, «облака» нет, так что управление работает только в зоне действия блютуза.
Пульт Свои функции выполняет, проблем со связью не выявлено.
Плюсы и минусы
Плюсы:
Стабильная работа «мозгов» (Bluetooth и пульт).
Достаточен для дополнительного освещения и совместимого по характеристиках света.
Минусы:
Бюджетные провода с сомнительной пайкой.
Реальный ток ниже заявленного.
Вывод, если вам нужен недорогой способ оживить двухзонный светильник и «умное» управление без претензий на роль основного света — вариант рабочий.
По традиции на вопросы отвечу, обзор дополню.
Ps. если кто-то знает где на али можно купить драйвер мощнее, буду благодарен.
Добавлено:
Для успокоения перфекциониста в себе, добавил измерения тока и напряжения в максимальном режиме потребления ледов.
Ток измерял на общем проводе от двух зон, получился 0.44 А, напряжение на одной зоне 56.3 В
мощность общая, примерно 24 ватта, все сходится.

Все началось с того, что мне подарили неисправный плафон Philips.
Длина корпуса плафона примерно 115см, внутри корпуса две светодиодные платы на каждой установлено по 36 светодиодов
Фотка уже в разобранном виде без рассеивателя.
и с рассеивателем
(куда пропал родной блок питания история умалчивает) несколько месяцев назад у меня дошли руки до этого плафона, я сделал предварительные замеры токов и напряжений работы плат и убедился, что замеры в общем совпадают с написанным на платах.
И в поисках необходимого устройства управления наткнулся на обозреваемый драйвер


К сожалению мне не удалось найти более мощный драйвер и я купил на пробу этот и именно он сейчас управляет светильником над моим рабочим столом.
Две микросхемы управления это BP2956


И контролер управления работающий как с пультом так и с приложением на телефоне.


Скаченное приложение
Все просто и понятно изучил «методом тыка».
Так же и работа пульта, выясняется «методом тыка».
И немного о мощности этого драйвера.
Максимум что удалось получить когда работают обе зоны светильника это примерно 26ватт,
это на половину от рабочей мощности светильника.
Я даже не стал делать измерения тепловизором, так как корпус слегка теплый и нет явного перегрева.
На минимуме когда работают две зоны примерно 2.6 ватт
И когда работает одна зона, примерно 1.7 ватт
Итоговые выводы
Итак, драйвер отработал в моем двухзонном плафоне Philips около 4 месяцев.
Сразу о главном: по мощности он для этого плафона откровенно слаб. Однако учитывая, что светильник используется исключительно как дополнительный свет, лично мне его «китайских» ватт вполне хватает.
Что касается заявленных характеристик, то драйвер ожидаемо «недоливает» до обещанных 280мА. Впрочем, плюс-минус 50мА в данном ценовом сегменте — это, как говорится, «в пределах погрешности на ветер». Жить можно.
По управлению
Приложение: Работает по Bluetooth. За время тестирования критических багов или зависаний не замечено. Приложение локальное, «облака» нет, так что управление работает только в зоне действия блютуза.
Пульт Свои функции выполняет, проблем со связью не выявлено.
Плюсы и минусы
Плюсы:
Стабильная работа «мозгов» (Bluetooth и пульт).
Достаточен для дополнительного освещения и совместимого по характеристиках света.
Минусы:
Бюджетные провода с сомнительной пайкой.
Реальный ток ниже заявленного.
Вывод, если вам нужен недорогой способ оживить двухзонный светильник и «умное» управление без претензий на роль основного света — вариант рабочий.
По традиции на вопросы отвечу, обзор дополню.
Ps. если кто-то знает где на али можно купить драйвер мощнее, буду благодарен.
Добавлено:
Для успокоения перфекциониста в себе, добавил измерения тока и напряжения в максимальном режиме потребления ледов.
Ток измерял на общем проводе от двух зон, получился 0.44 А, напряжение на одной зоне 56.3 В
мощность общая, примерно 24 ватта, все сходится.

Самые обсуждаемые обзоры
| +100 |
2066
40
|
Вы меня удивили — неужели в Европе нет фирменных драйверов в продаже? У вас это китайский драйвер даже не должен попасть на полку магазина (без сертификатов безопасности).
По светодиодным драйверам вообще — в Европе должны быть все линейки Mean Well в продаже. Они даже у нас лежат у магазинах.
Если знаете модель, подскажите.
Так вам требуется драйвер на 400мА, а куплен на 280. К гадалке не ходи — слабоват.
Так же не забываем про вольтаж линеек. 280мА при 60В датут вдвое меньше мощность (что у вас и получилось), чем 280мА при 120В.
Как я уже говорил, я не смог найти высоковольтных драйверов и тем более сразу на две зоны.
Я обозреваемый с трудом нашел.
Наверняка, сделав замеры, выяснится, что такая мощность у получившегося светильника и должна быть. Безо всяких обманов и китайских ватт.
Мощность потребляемая ~26 Ватт минус потери, берем 5%, получаем 24.7 Ватт
а заявлено аж 80ват не знаю как они их подсчитали, если заяалено напряжение 130 вольт, а ток 280 миллиампер.
Но я абсолютно без претензий к продавцу, я знал что покупаю, это видно по размерам модуля и по его стоимости.
Самое важное, модуль полноценно работает, управляет светом, не греется, в выключенном состояние, потребление 0.5 ватт.
Друзья отдали два светильника для ремонта (подарили). так и не нашёл им применения. Сколько такого сейчас идёт в утиль, на выброс! Вот уж где жадность производителей во всей красе. Сколько ламп светодиодных, которые шли на замену люминисцентных, выброшено на предприятии. Век расточительства, экономия сомнительная получилась.
P.S. В самом опенспейсе над столами люминесцентные, раз в месяц как минимум вижу как меняют перегоревшие.
Пару дней назад, увидел что закрылся магазин одежды и его перестраивают, выкидывают всю мебель, все освещение, уверен что все лампы исправные, просто нет в них необходимости.
Расточительство, наверно да. Сам регулярно выкидываю исправные ноутбуки и телефоны, старое никому не нужное.
У нас на мусорке возле дома, постоянно всякое интересное бывает, а это обычный дом.
вот сегодня
Читаю форумы разные, в Норвегии и Швеции, народ собирает всякое с свалок, возможно есть такое и у нас, только мне не попадается )))
Телевизоры, ноутбуки, компьютеры, это пожалуйста, а вот аудио-нету.
Может и вам повезёт!
За утилизацию платят фирмы.
Если контролер целый, может проще отремонтировать?
Вот трех зонный, его продавец почему то называет RGB, надо разбираться. ссылка
Не нашёл кому отдать, чтоб починили, никто не захотел браться.
В результате заказал вот такой комплект — блок питания и линейки светодиодов.
Сегодня было немного DIY — насверлить отверстий, нарезать резьбу и счастье есть. Со светом.