Зарядное устройство YX-CH07 под Макиту (DC18RD) с малым током заряда
- Цена: 920 руб
- Перейти в магазин
Проблемы недорогих аккумуляторов «под Makita» хорошо известны. Причём иногда даже при условно хороших аккумуляторных ячейках, время жизни аккумулятора в целом оказывается крайне малым. Чаще всего, это связано с полным отсутствием или плохо работающим балансировщиком заряда, из-за чего аккумуляторы очень быстро приходят в негодное состояние.
Этот небольшой обзор посвящен новому зарядному устройству, которое отличается от многочисленных макитовских зарядных тем, что имеет низкий ток зарядки.
Несколько слов о том, откуда возникла проблема. Ранее уже были обзоры с особенностями разработки аккумуляторов и даже разработки зарядных устройств
Во многих «безродных» аккумуляторах используются платы зарядки, которые имеют коммуникационный разъём, имеют защиту от перенапряжения, переразряда и перегрузки. И даже имеют свой встроенный балансировщик заряда. Но, при этом, балансировщик этот пассивный. «Пассивный» — означает здесь то, что единственное, что он может делать — разряжать чрезмерно быстро заряжающиеся ячейки.
Например, на фото представлена плата широко распространенного балансира. На переднем плане хорошо видны шунтирующие резисторы.

При этом, также хорошо заметно, что конструкция платы легко масштабируется до любого количества модулей аккумулятора. Принцип работы следующий. Как только напряжение на какой-то ячейке превышает максимально допустимое, параллельно этой ячейке подключается шунтирующий резистор. Его назначение — снизить зарядный ток, проходящий через эту ячейку и, тем самым, замедлить рост напряжения. Другие ячейки, тем временем, будучи на полном зарядном токе, должны набирать заряд быстрее. Если же зарядный ток снят, то балансир, работающий по этому принципу, просто отключается. Но и не может выполнить балансировку ячеек, если напряжение на них, всё таки, различается. Соответственно, он не оказывает никакого влияния на аккумулятор, который находится на хранении, что и является вторым после цены его достоинством. На плате балансира, приведённой на фото, установлена микросхема B83A (в корпусе SOT-23-6) для Li-Ion, которая отслеживает максимальное напряжение на своей ячейке. В зависимости от типа аккумулятора, применяются микросхемы с разным напряжением срабатывания. Типичная схема включения представлена на следующем рисунке.

Чуть более сложный вариант управления вместо полностью индивидуальных цепей контроля напряжения и разряда предполагает использование общего монитора. При сохранении отдельных цепей разряда для каждой ячейки. Вот например фрагмент схемы включения монитора Texas Instruments BQ77PL900, который используется для балансирования аккумуляторов Li-Ion из 5-10 групп ячеек.

А теперь посмотрим на пару примеров плат аккумуляторов под Макиту. И обратим внимание на обведённые красным участки платы. Мы можем ясно видеть монитор питания типа только что упомянутого TI. Ключи, количество которых как минимум равно количеству групп ячеек, а также те самые шунтирующие резисторы.


В отличии даже от первой примитивной платы балансира, здесь шунтирующие резисторы имеют крайне низкую мощность рассеивания.
В теории всё очень просто и надёжно. Как видим, на практике, ток шунтирования обычно составляет всего лишь 50-100 мА. А номинальный зарядный ток современных зарядных устройств — 2-4А. Традиционная схема заряда Li-Ion аккумуляторов предполагает заряд постоянным током до примерно 4.2В каждой группы ячеек. После чего, поддерживает напряжение постоянным, ток начинает падать. Как только достигает нижнего порога (обычно 10% от полного), зарядное устройство отключается. При разнице тока балансирования и тока заряда на 2 порядка, включение шунтирующих резисторов почти не влияет на балансирование. Как только зарядное устройство отключается, напряжение на группах ячеек падает ниже порогового для балансира. Существенно увеличить ток шунтирования также невозможно, так как, что эти резисторы будут сильно греться. Соответственно, появится проблема охлаждения.
Конечно, сейчас уже начали появляться платы заряда с более серьёзными схемами балансирования ячеек, но что делать с теми аккумуляторами, которые уже есть? Далеко не всегда в корпус аккумулятора можно вставить дополнительную плату активного балансира, поскольку уже имеющаяся занимает всё пространство. Но если ячейки в аккумуляторе ещё живые, хотя их и приходилось время от времени балансировать внешним зарядным устройством, то что можно сделать? Ответ китайских инженеров — использовать зарядное устройство со сниженным током зарядки.



Зарядное устройство имеет компактный корпус. В отличие от «фирменных» устройств Makita, это устройство не имеет защитной крышки, прикрывающей ножевые разъёмы и коммуникационный разъём.
Компенсацией низкой скорости заряда служит наличие портов для двух аккумуляторов сразу. Во внешней рамке зарядного устройства есть 4 отверстия, которые, вероятно, предназначены для настенного крепления. Предполагаю, что всё это намекает на то, что зарядное устройство безопасно для долговременного использования в режиме «поставил на ночь и забыл».
Характеристики зарядного устройства:
По фактическим измерениям:
Режимы индикации: отдельный красно/зелёный светодиод для каждого канала.
Значения режимов:
Зарядное устройство открывается с лицевой стороны шестью саморезами. Внутри открывается плата, занимающая не больше половины объёма корпуса. В зарядном устройстве имеется подключенный коммуникационный разъём, и используются 4 контакта (один из них локальная масса).

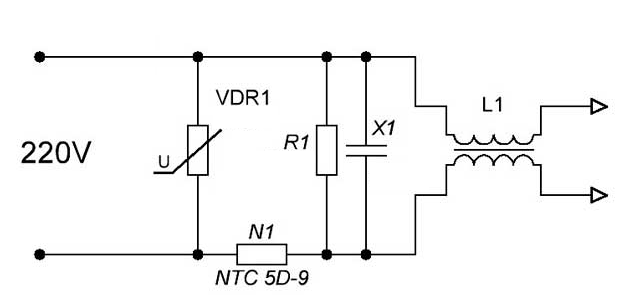
С позиции схемотехники, плата зарядного устройства представляет собой два абсолютно независимых канала. Общим для них является лишь подключение сетевого кабеля. Остальная часть, даже входные фильтры, которые установлены перед трансформаторами первичного питания, являются полностью независимыми. То есть можно предположить, что что бы ни случилось с одним каналом, второй канал продолжит работать. Как ни странно, разводка платы неодинакова для каждого канала. Часть элементов расположена симметрично, но далеко не все. Более того, например диоды входного моста правого канала D3-D4 оказались с верхней стороны платы. Остальные два — снизу. У первого канала все 4 диода снизу. Разъёмы коммуникационной шины расположены по краям платы вблизи своих микроконтроллеров, а вот силовые разъёмы расположены рядом справа на плате. Чем руководствовались разработчики платы — не ясно.
Тем не менее на плате присутствуют входные фильтры. Фильтры обоих каналов расположены в нижней части платы. Примерная схема фильтров выглядит следующим образом.

Плата крупным планом с одной и другой стороны.


Первичный преобразователь напряжения выполнен на микросхеме CRE6359. Типовая схема включения представлена на следующем рисунке. И довольно точно реализована в зарядном устройстве. Впрочем, дроссель отсутствует.

Перечень прочих активных компонентов источника питания:
Во время заряда, очень сильно греются трансформаторы и диоды D13-D14. Согласно тепловизору, их температура достигает 77 градусов. Причём это при открытом корпусе. На фото хорошо заметно, то и трансформаторы, и диоды D13-D14 каждого канала расположены рядом, как и конденсаторы для сглаживания выходного напряжения. Очевидно, такой температурный режим нежелателен. И становится понятным, зачем были установлены именно конденсаторы до 105 градусов. Хотя, совершенно не ясно, зачем столь сильно нагревающиеся элементы было располагать на плате компактно в центре, хотя места вокруг более чем достаточно.

При закрытом корпусе, очевидно, режим ещё более жесткий. И, глядя на расположение вентиляционных щелей в корпусе, возникает подозрение, а не является ли вертикальное положение зарядного устройства на стене единственным правильным при его использовании? В сущности, учитывая малый размер устройства, при заряде его легко разместить так, чтобы оно именно вертикально и было расположено на стоящем на горизонтальной поверхности аккумуляторе.
Шумы на контактах ± аккумулятора. Осциллограф фиксирует некоторые всплески с амплитудой до 1.8 В напряжении при 20 В. Выглядит это как пачка импульсов, вероятно, Частота следования этих пачек порядка 25 кГц.

Проверка цифрового интерфейса. Задействованы 3 контакта. Осциллограммы сняты в режиме, когда аккумулятор уже установлен, а зарядное устройство включается в сеть 220В. Суммарно, процесс включения длится больше 16 секунд. На шине данных хорошо заметны пачки сигналов в начале подачи питания и примерно через 14 секунд.

К сожалению, PulseView не смог декодировать выявленные последовательности. Протокол Makita у него не реализован. А все прочие 1-wire протоколы проваливаются в той или иной части этой последовательности. Поэтому, можно лишь предположить, что зарядное устройство способно работать с аккумуляторами по цифровому протоколу. Но что конкретно там происходит, осталось за кадром.

Подводя итог, зарядное устройство справляется со своей задачей медленно заряжать аккумулятор. Гарантировать балансировку аккумуляторов оно не может. Но при малом токе, шансы корректной работы пассивных балансировщиков сильно увеличиваются. Поэтому его использование точно не пойдёт во вред даже тем аккумуляторам с самыми примитивными балансирами.
Высокая температура в центральной части платы вызывает некоторые опасения. Но, будем надеяться, что в вертикальном положении естественное охлаждение будет достаточным.
Зарядное устройство можно рекомендовать к покупке.
Этот небольшой обзор посвящен новому зарядному устройству, которое отличается от многочисленных макитовских зарядных тем, что имеет низкий ток зарядки.
Несколько слов о том, откуда возникла проблема. Ранее уже были обзоры с особенностями разработки аккумуляторов и даже разработки зарядных устройств
Во многих «безродных» аккумуляторах используются платы зарядки, которые имеют коммуникационный разъём, имеют защиту от перенапряжения, переразряда и перегрузки. И даже имеют свой встроенный балансировщик заряда. Но, при этом, балансировщик этот пассивный. «Пассивный» — означает здесь то, что единственное, что он может делать — разряжать чрезмерно быстро заряжающиеся ячейки.
Например, на фото представлена плата широко распространенного балансира. На переднем плане хорошо видны шунтирующие резисторы.

При этом, также хорошо заметно, что конструкция платы легко масштабируется до любого количества модулей аккумулятора. Принцип работы следующий. Как только напряжение на какой-то ячейке превышает максимально допустимое, параллельно этой ячейке подключается шунтирующий резистор. Его назначение — снизить зарядный ток, проходящий через эту ячейку и, тем самым, замедлить рост напряжения. Другие ячейки, тем временем, будучи на полном зарядном токе, должны набирать заряд быстрее. Если же зарядный ток снят, то балансир, работающий по этому принципу, просто отключается. Но и не может выполнить балансировку ячеек, если напряжение на них, всё таки, различается. Соответственно, он не оказывает никакого влияния на аккумулятор, который находится на хранении, что и является вторым после цены его достоинством. На плате балансира, приведённой на фото, установлена микросхема B83A (в корпусе SOT-23-6) для Li-Ion, которая отслеживает максимальное напряжение на своей ячейке. В зависимости от типа аккумулятора, применяются микросхемы с разным напряжением срабатывания. Типичная схема включения представлена на следующем рисунке.

Чуть более сложный вариант управления вместо полностью индивидуальных цепей контроля напряжения и разряда предполагает использование общего монитора. При сохранении отдельных цепей разряда для каждой ячейки. Вот например фрагмент схемы включения монитора Texas Instruments BQ77PL900, который используется для балансирования аккумуляторов Li-Ion из 5-10 групп ячеек.

А теперь посмотрим на пару примеров плат аккумуляторов под Макиту. И обратим внимание на обведённые красным участки платы. Мы можем ясно видеть монитор питания типа только что упомянутого TI. Ключи, количество которых как минимум равно количеству групп ячеек, а также те самые шунтирующие резисторы.


В отличии даже от первой примитивной платы балансира, здесь шунтирующие резисторы имеют крайне низкую мощность рассеивания.
В теории всё очень просто и надёжно. Как видим, на практике, ток шунтирования обычно составляет всего лишь 50-100 мА. А номинальный зарядный ток современных зарядных устройств — 2-4А. Традиционная схема заряда Li-Ion аккумуляторов предполагает заряд постоянным током до примерно 4.2В каждой группы ячеек. После чего, поддерживает напряжение постоянным, ток начинает падать. Как только достигает нижнего порога (обычно 10% от полного), зарядное устройство отключается. При разнице тока балансирования и тока заряда на 2 порядка, включение шунтирующих резисторов почти не влияет на балансирование. Как только зарядное устройство отключается, напряжение на группах ячеек падает ниже порогового для балансира. Существенно увеличить ток шунтирования также невозможно, так как, что эти резисторы будут сильно греться. Соответственно, появится проблема охлаждения.
Конечно, сейчас уже начали появляться платы заряда с более серьёзными схемами балансирования ячеек, но что делать с теми аккумуляторами, которые уже есть? Далеко не всегда в корпус аккумулятора можно вставить дополнительную плату активного балансира, поскольку уже имеющаяся занимает всё пространство. Но если ячейки в аккумуляторе ещё живые, хотя их и приходилось время от времени балансировать внешним зарядным устройством, то что можно сделать? Ответ китайских инженеров — использовать зарядное устройство со сниженным током зарядки.
Зарядное устройство YX-CH07



Зарядное устройство имеет компактный корпус. В отличие от «фирменных» устройств Makita, это устройство не имеет защитной крышки, прикрывающей ножевые разъёмы и коммуникационный разъём.
Компенсацией низкой скорости заряда служит наличие портов для двух аккумуляторов сразу. Во внешней рамке зарядного устройства есть 4 отверстия, которые, вероятно, предназначены для настенного крепления. Предполагаю, что всё это намекает на то, что зарядное устройство безопасно для долговременного использования в режиме «поставил на ночь и забыл».
Характеристики зарядного устройства:
- Размер корпуса: 199 мм / 103 мм / 50 мм
- Крепёжные отверстия 4 штуки, диаметр 3.5 мм. Расстояние между центрами 68 мм х 187 мм.
- Входное напряжение: 100-240 В переменного тока
- Максимальный ток заряда: 0,75А на канал
- Подходящие модели аккумуляторов:
- Для литиевых аккумуляторов совместим с 14,4-18 В: таких, как BL1815, BL1820, BL1830, BL1840, BL1840B, BL1850B, BL1860, BL1430, BL1440, BL1450, BL1460 и т. д.
- Не поддерживаются: BL1415G, BL1430G, BL1815G, BL1830G и все аккумуляторы серии G.
По фактическим измерениям:
- напряжение отсечки 20.8-20.9V.
- Ток заряда: примерно 0,75А
- Изменения тока в процессе заряда: от 680 до 750 мА (возможно наводки из-за измерения токовыми клещами)
- После окончания заряда максимальное напряжение не сохраняется. Остаточный ток — порядка 20-40 мА.
Режимы индикации: отдельный красно/зелёный светодиод для каждого канала.
Значения режимов:
- Мигающий зелёный — нет аккумулятора
- Постоянно красный — заряжается
- Мигающие попеременно зелёный/красный — ошибка. Нет заряда.
- Постоянно зелёный — заряд окончен
Внутренности
Зарядное устройство открывается с лицевой стороны шестью саморезами. Внутри открывается плата, занимающая не больше половины объёма корпуса. В зарядном устройстве имеется подключенный коммуникационный разъём, и используются 4 контакта (один из них локальная масса).

С позиции схемотехники, плата зарядного устройства представляет собой два абсолютно независимых канала. Общим для них является лишь подключение сетевого кабеля. Остальная часть, даже входные фильтры, которые установлены перед трансформаторами первичного питания, являются полностью независимыми. То есть можно предположить, что что бы ни случилось с одним каналом, второй канал продолжит работать. Как ни странно, разводка платы неодинакова для каждого канала. Часть элементов расположена симметрично, но далеко не все. Более того, например диоды входного моста правого канала D3-D4 оказались с верхней стороны платы. Остальные два — снизу. У первого канала все 4 диода снизу. Разъёмы коммуникационной шины расположены по краям платы вблизи своих микроконтроллеров, а вот силовые разъёмы расположены рядом справа на плате. Чем руководствовались разработчики платы — не ясно.
Тем не менее на плате присутствуют входные фильтры. Фильтры обоих каналов расположены в нижней части платы. Примерная схема фильтров выглядит следующим образом.

Плата крупным планом с одной и другой стороны.


Первичный преобразователь напряжения выполнен на микросхеме CRE6359. Типовая схема включения представлена на следующем рисунке. И довольно точно реализована в зарядном устройстве. Впрочем, дроссель отсутствует.

Перечень прочих активных компонентов источника питания:
- Первичный преобразователь напряжения выполнен на микросхеме CRE6359 — U1/U2
- Диоды выпрямителя входного напряжения D1-D8 — M7
- U3/U4 — оптроны 817C
- D9-D12 — диоды US1M
- Диоды D13-D14 и конденсаторы 470мкФ/35В на 105 градусов — часть выходного выпрямителя напряжения.
- Регулируемый шунтирующий стабилизатор напряжения U5/U6 — EA1 — часть обратной связи преобразователя напряжения, реализованной через оптрон.
- Микроконтроллер неизвестен. Маркировка тщательно удалена.
- Питание микроконтроллера реализовано на линейном регуляторе 5В — U7/U8 6203A
- Непосредственно силовая часть зарядного устройства реализована на MOSFET — Q3/Q4 MOS CMS4953
- Оставшиеся активные элементы — транзисторы Q1/Q2 — J6 — (NPN | 45V 0.1A)
Во время заряда, очень сильно греются трансформаторы и диоды D13-D14. Согласно тепловизору, их температура достигает 77 градусов. Причём это при открытом корпусе. На фото хорошо заметно, то и трансформаторы, и диоды D13-D14 каждого канала расположены рядом, как и конденсаторы для сглаживания выходного напряжения. Очевидно, такой температурный режим нежелателен. И становится понятным, зачем были установлены именно конденсаторы до 105 градусов. Хотя, совершенно не ясно, зачем столь сильно нагревающиеся элементы было располагать на плате компактно в центре, хотя места вокруг более чем достаточно.

При закрытом корпусе, очевидно, режим ещё более жесткий. И, глядя на расположение вентиляционных щелей в корпусе, возникает подозрение, а не является ли вертикальное положение зарядного устройства на стене единственным правильным при его использовании? В сущности, учитывая малый размер устройства, при заряде его легко разместить так, чтобы оно именно вертикально и было расположено на стоящем на горизонтальной поверхности аккумуляторе.
Шумы на контактах ± аккумулятора. Осциллограф фиксирует некоторые всплески с амплитудой до 1.8 В напряжении при 20 В. Выглядит это как пачка импульсов, вероятно, Частота следования этих пачек порядка 25 кГц.

Проверка цифрового интерфейса. Задействованы 3 контакта. Осциллограммы сняты в режиме, когда аккумулятор уже установлен, а зарядное устройство включается в сеть 220В. Суммарно, процесс включения длится больше 16 секунд. На шине данных хорошо заметны пачки сигналов в начале подачи питания и примерно через 14 секунд.

К сожалению, PulseView не смог декодировать выявленные последовательности. Протокол Makita у него не реализован. А все прочие 1-wire протоколы проваливаются в той или иной части этой последовательности. Поэтому, можно лишь предположить, что зарядное устройство способно работать с аккумуляторами по цифровому протоколу. Но что конкретно там происходит, осталось за кадром.

Подводя итог, зарядное устройство справляется со своей задачей медленно заряжать аккумулятор. Гарантировать балансировку аккумуляторов оно не может. Но при малом токе, шансы корректной работы пассивных балансировщиков сильно увеличиваются. Поэтому его использование точно не пойдёт во вред даже тем аккумуляторам с самыми примитивными балансирами.
Высокая температура в центральной части платы вызывает некоторые опасения. Но, будем надеяться, что в вертикальном положении естественное охлаждение будет достаточным.
Зарядное устройство можно рекомендовать к покупке.
Самые обсуждаемые обзоры
| +35 |
1340
27
|
| +46 |
2622
52
|
| +122 |
4379
57
|
ЗУ само ничего не может балансировать. Оно просто может создать условия для работы балансира, который встроен в аккумулятор. У высокотоковых ЗУ время, которое может работать встроенный в аккумулятор балансир, очень мало. У этого ЗУ ток всего лишь 0.75А, что очень мало по современным меркам, но достаточно для работы слабеньких балансиров.
а раз уж есть, то достаточно подключить их на денек к зу с выходным током, сравнимым с током балансировки, и никуда лазить не надо.
Не понятно всё же, как зарядка малым током уменьшает разбалансировку.
Вообще-то практически все дешёвые китайские зарядники заряжают именно таким или даже меньшим током.
А второе вообще-то — ток в конце зарядки (когда начинает работать балансир) и так невелик и практически одинаков для любого номинального (изначального, основного) тока.
Вот что это существенно удлиняет процесс — понятно :)
Большое счастье как раз, что в прошлом году появилось, наконец, устройство (недавно проскакивало в комментариях), позволяющее заряжать макитовские аккумуляторы большими токами (до 140 Вт мощности), при этом позволяя заряжать их и от миниатюрного 5-ваттника (5В, 1А; это если захочется совсем уж малый ток :) ), да ещё превращающее аккумулятор в мультипротокольный быстрый 140-ваттный пауэрбанк.
За ту же цену.
При малом токе заряда ток шунтирование пассивного балансира становится более существенным. Соответственно, и эффективность балансирования повышается.
Балансир начинает работать не в конце зарядки, а тогда, когда напряжение на группе превышает пороговое. У этих аккмуляторов «под макиту», разбалансирование может быть очень существенным. Например, на одной группе до начала заряда напряжение 4.0 В, на другой 3.4 В. Остальные в промежутке. Вот эта группа с 4.0 В улетает в перезаряд в первые же минуты заряда. А та группа, где 3.4 В, вообще может не успеть зарядиться до отсечки по пороговому общему напряжению и остаточному току заряда.
То есть, балансир на группу, на которой было 4.0 В изначально, подключится очень скоро. Но только влияние его будет 4А зарядного — 0.15А шунта = 3.85А. В сравнении с 4.0А на разряженной группе. Разница несущественна. А вот на 0.75-0.15 = 0.6 в сравнении с 0.75 разница уже заметная.
Я этого не заметил, в своё время пристально приглядываясь при разных зарядных. Но да, балансиров масса — всё может быть.
Такой аккумулятор можно смело выбрасывать. Уж на что я *ед, а выбросил бы однозначно. И с таким разбалансом уж точно никакой балансир не справится, хоть микроамперами заряжай.
Но опять же, даже новый аккумулятор, который заряжают током 4А, но с пассивным балансиром, имеет все шансы через 5-10 циклов заряда/разряда прийти к такому дисбалансу.
Да и трудно представить, как такой разбаланс мог бы произойти на ИСПРАВНОМ аккумуляторе…
Может быть. Только я ни разу не наблюдал такого (а у меня их, макитовских, с три десятка), плюя на балансиры и заряжая все их через выходные клеммы. Вот и получив помянутый выше 140-ваттник, прогнал им одно-, трёх- и четырёхрядки (самые дешманские) токами 5 ампер (дорвался, наконец :) ) по 10 раз, и не заметил особого падения ёмкости, а она непременно должна упасть в таких условиях, если появляется разбаланс.
В это деле нет прямых (от минус бесконечности до плюс) — только отрезки: от и до. На кой чёрт эти теории: «что теоретически может быть?» и как бы чего от этого не вышло… В аккумуляторы обычно (сильно обычно) ставятся банки из одной партии, которые все примерно одинаковы.
Возможно, у меня нет проблем, потому что я плюю на то, есть ли балансир и средний контакт (не говоря уж о жёлтом разъёме) :))
Я уж писал выше — пробовал заряжать 4-рядки (раз 5, на больше не хватило терпения) совсем малым током — от 5 ваттной зарядки с помянутым новым зарядником — ну совсем ненамного (<10%) ёмкость побольше, и практически так же не меняется от цикла к циклу.
Продайте своё чудо-устройство, возьмите это, и заряжайте хоть милиамперами от старого зарядника Nokia.
ЭТО уже дважды проскакивало в комментариях к разным постам, где вы были очень активны. С картинками.
Среднего контакта нет (слава тому кого нет), за счёт чего этот зарядник подходит ко всем трём типам.
одинаково гробит все три типа. ну нафиг.
И, купив им на смену зарядник выдающий 1-2А, полезно иногда ставить на дозарядку штатным слабым зарядником?
впрочем балансировки у большинства батарей нет, так что и пофиг.
А учитывая способность некоторых BMS продолжать зарядку, когда на крайнем аккумуляторе 4,23-4,3 вольта, хорошо иметь возможность регулировать напряжение заряда для этих батарей.
Я, когда с этой хренью столкнулся, этим озаботился
А при ежегодной балансировке я и до 100 мА порой ограничиваю для некоторых.
ozon.ru/t/A0oWKkc
Если уж хотите балансировку — выводите отдельный разъем. Стандартом тут является JST XH, так что ничего придумывать не надо. Но, на самом деле, вопрос необходимости балансировки качественных батарей здесь весьма переоценен.
Ну, теоретически да. Но реально, ни разу ничего туда не попадало — при работе инструмента разъем скрыт. Надо как-то ну очень сильно постараться.
Идея-то была как раз чтобы никаких допразъемов не было — воткнул батарею в стандартную (с виду) зарядку с желтым разъемом — и вуаля.
В целом, я с вашими замечаниями согласен, но это как обычно — всегда есть и плюсы, и минусы.
Так если и попадало, вы не узнаете, ведь сейчас ничего не случится) Но это небезопасно, так что лучше так не делать.
и совместимость ничем не нарушена.
У меня 10-канальный такой зарядник (10х1А; обошёлся в 800 рублей), который можно использовать и просто как 10 независимых зарядников для Li-Ion. Правда, я использую его не для зарядки Макиты (у меня и нет с жёлтым разъёмом, и использовать его всё же проблематично, если инструмент использует его стандартно (надо и в инструменте тогда убирать соединения) — там лучше вывести отдельным разъёмом), а для разных своих сборок 3-8S, а также модельных LiPo через балансировочный разъём.
Это к тому, что Вы не одиноки в своём непонятии :))
куда ж они делись? их тоже два.
«Никто» не гонится за идеалами, все гонятся за простотой.
Поэтому при балансировке ограничиваю ток на конечно этапе до 500-100 мА.
Примерчик бы :)
Или сами, модельным балансиром с вольтметрами на каждый канал или с светодиодной индикацией. Там мультом померяете.
а если делать на 4.20 — то про балансировку говорить вообще не придется.
Само по себе такое напряжение ни от чего не защищает. Если в батарее возникнет серьезный дисбаланс, одна ячейка может иметь напряжение 3 В, другая — 5 В и т.д., а в сумме они выйдут на 20.8 В. Снижение тока, конечно, повышает безопасность заряда, но тут стоит разобраться в причинах — или БМС заменить, или элементы.
а, про какой дроссель рассуждения?
Маркировку удалось прочитать у продавца такой платы — https://aliexpress.ru/item/1005006103329561.html
Токи балансировки мне не удалось сходу найти для него.
Может использоваться как в режиме балансира, так и просто монитора… И оба варианта могут встретиься в аккумуляторах.
Не только — там еще, скорее всего, стабилизатор питания МК, цепи контроля напряжения батареи и цифровой выход. Можете глянуть у меня в статье про батареи (ссылка в начале обзора на неё), я срисовывал схему похожего контроллера.
Для примера сейчас открыл свою китайскую батарею, построенную на 5-ти безымянных зеленых элементах (как раз ту, что описывал в статье, на которую у ТС ссылка в начале обзора) — дисбаланс составляет 5 мВ (3.836 В — 3.841 В). При этом батарея за полтора года эксплуатации заряжалась как минимум раз 15 током 1С (2 А в её случае).
Ну, а если уж хочется балансировки, и в батарее установлена соответствующая БМС, то не надо искать зарядку с маленьким током — большинство китайских зарядок, обозретых на данном сайте работают по алгоритму CC/CV и никак напряжение в конце не отключают. Сколько будет батарея стоять на зарядке, столько времени на неё будет подаваться 21 В (если, конечно, зарядка нормально настроена), что позволяет БМС успешно включать балансир в конце каждого цикла заряда. Да, большой дисбаланс такой сценарий за один раз не покроет, но если балансировать батарею каждую зарядку, большого дисбаланса и не возникнет.
По поводу 21 вольт. Ну, с модельным получается, ставлю напряжение балансировки 4,1, а обычные пассивные при 21 вольт у меня тупо не включаются.
Зарядники сами не отключаются, а батареи запросто.
БМС должна отключать батарею, если на каком-то элементе напряжение доходит до примерно 4.25 В. Вот эта разница между 4.22 В и 4.25 В и позволяет балансиру работать. Когда дисбаланс небольшой, такого запаса хватает, если же дисбаланс приличный, батарея отключается по перезаряду. Но в этом случае балансир на перезаряженной ячейке продолжает работать, опуская её напряжение где-то до 4.18 В — 4.19 В.
То есть, даже ничего не разбирая и имея зарядку с условно большим током можно отбалансировать батарею — достаточно ставить её на заряд, снимать, ждать некоторое время и повторять.
Да, в момент отключения работают все каналы (светодиодная индикация), BMS отключает зарядку и балансир некоторое время разряжает ячейки.
На вскрытой батарее, убедившись, что разбаланс не фатален, а емкость и сопротивление нормальны, лично мне проще добить ячейки до нормы внешним источником побаночно и затем модельным балансиром разрядить каждую ячейку до напряжения хранения. До следующей осени, и тут вы совершенно правы, вопрос с балансировкой уже не актуален, несмотря на активную эксплуатацию части аккумуляторов зимой.
Ну а если какая батарея начнет резко терять заряд — да и хрен с ней. При тридцати батареях она полежит до осенней ревизии :)
Если же дисбаланс сильный, включение балансира не предотвратит рост напряжения на ячейке и батарея отключится по перезаряду. Но балансир еще немного поработает. Дальше цикл заряда можно повторить, ток будет уже меньше.
Многие девайсы продаются с акб и зу штырькового типа, ток на зу, по-моему —1А 12V.
Я бы, конечно, хотел бы иметь зу одно для всех акб макитовского формфактора. Сабж подойдёт?
DC18RC
Просто у меня ещё есть шурик 12V, со своей зарядкой. Вот в голове и перепуталось )