Комплект для сборки мультивибратора на чипе NE555P.

- Цена: 76 руб.
- Перейти в магазин
Почему-то эту схему я жестко прогулял в школьном радио-кружке, а потом, когда друзья собирали звонки с кучей мелодий в корпусах от мыльниц, мне уже совсем не понятно стало и кружок был покинут, тем более дома Батя приносил платы от списанной техники на распайку, интересно и с ними возиться было.
Сейчас увидел тот (да не тот, на транзисторах едет ещё заказ) «мультивибратор», пройти мимо — ну нет.
Не хочется упускать возможность вернуться на много лет назад, да ещё и по лайту — вот те плата с дорожками (а не картонка с дырками), вот те кучка деталей. А ну и цена незаметная на 2к25 год.
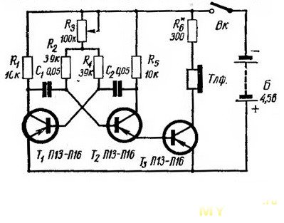
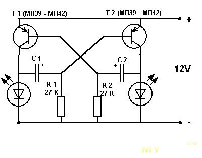
Собранную плату запитал от недавней самоделки, больше 5V не поднимал, а если ниже делать, медленнее моргает.
Так же целью покупки и сборки было — посмотреть на свою работу паяльником. Не именно пару проводков приконтачить к плате, а полностью набор деталей припаять. Результат конечно жесть, но — не знаю людей, кто с первых работ паял красиво. А мне зашло, заказал ещё несколько наборов, руку набить.
Спасибо за внимание.
PS — Заметка сделана для ознакомления — вот такая плата есть в продаже, цена ерунда, для первых опытов ценность её намного выше, считаю.
Ps2 — Использовал паяльник 40вт (с деревянной ручкой), канифоль сосновую (твердая, в банке), припой ПОС-61. Провод красно-черный — свой.
Сейчас увидел тот (да не тот, на транзисторах едет ещё заказ) «мультивибратор», пройти мимо — ну нет.
Не хочется упускать возможность вернуться на много лет назад, да ещё и по лайту — вот те плата с дорожками (а не картонка с дырками), вот те кучка деталей. А ну и цена незаметная на 2к25 год.
Собранную плату запитал от недавней самоделки, больше 5V не поднимал, а если ниже делать, медленнее моргает.
Так же целью покупки и сборки было — посмотреть на свою работу паяльником. Не именно пару проводков приконтачить к плате, а полностью набор деталей припаять. Результат конечно жесть, но — не знаю людей, кто с первых работ паял красиво. А мне зашло, заказал ещё несколько наборов, руку набить.
Спасибо за внимание.
PS — Заметка сделана для ознакомления — вот такая плата есть в продаже, цена ерунда, для первых опытов ценность её намного выше, считаю.
Ps2 — Использовал паяльник 40вт (с деревянной ручкой), канифоль сосновую (твердая, в банке), припой ПОС-61. Провод красно-черный — свой.














Самые обсуждаемые обзоры
+57 |
1942
43
|
+78 |
3813
126
|
Изолента, хорошая идея. Меня проморосило когда разглядывал при мысли рисовать где-то линии на полу))
Хоть с ламината, хоть с ПВХ-плитки, хоть с керамики, даже на мебели им разметку делал — так же бесследно удаляется спиртом.
Обычным, медицинским.
В свободной продаже около 400 рэ за литр.
ну и явно и припой фигня (или недогрев?) — пайка матовая, и флюс наверно ЛТИ-120 какой-то, или чего похуже.
Мультивибратор на транзисторах хорош тем, что разбор принципа работы его схемы дает некоторое представление по переходным процессам.
P.S. Исправил. Приходилось применять мультивибратор на полевом транзисторе для периодического запуска системы смазки механических прессов взамен нерабочей штатной стойки.
С огромным интересом рассматривал самоделки в Моделист Конструкторе, и Радио когда-то. Но только как читатель.
(это я через полгода в комментариях… xDD)
А транзисторы то какие лежали в спичечных коробках для него!
Такие были детские забавы.
И мультивибратор было самое первое что я эмулировал в microcap и он не заработал, а когда я понял… долго над собой смеялся почему он не заработал.