Комфортные поворотники (небольшой обзор)
Добрый день! Мой товарищ купил контроллер на Wildberries, который добавляет функцию моргания поворотниками при кратковременном нажатии на подрулевой переключатель. Такое устройство называется удлинитель поворотов, комфортные поворотники или лентяйка. Некоторые автопроизводители предлагают подобное устройство за большие деньги.
Поскольку, я немного разбираюсь в электронике, он попросил проверить на сколько все хорошо сделано. Забегая немного вперед, данная плата коммутирует «минус». Что это означает? Сигналы поворотов замыкаются на массу далее «блок комфорта» выполняет все коммутации лампами поворотов. Обычно на схеме это выглядит так.
Для данного обзора, у продавца попросили принципиальную схему устройства.
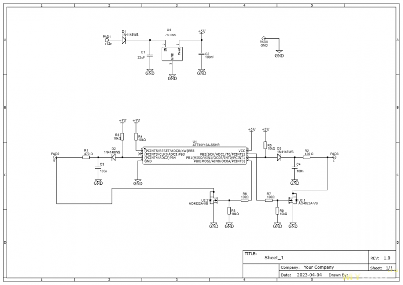
В верхней части схемы все просто, диод от переполюсовки, линейный преобразователь напряжения 78l05 с конденсаторами. Внизу расположен микроконтроллер Attiny13 с обвязкой.
Как работает данная схема? Если вход подтянуть к массе (замкнуть на массу), то на выходе появляется некая задержка. Нога контроллера РВ1 или левый сигнал поворота через резистор R2 замыкается на массу, в результате на ноге РВ2 (она является выходом) появляется задержка включения на какое-то время. Резистор R5 и конденсатор С4 нужны для исключения ложных срабатываний или наводок. Резистор R7 служит для ограничения тока заряда емкости затвора полевика, R9 подтягивает затвор к массе во избежание непроизвольного открытия полевого транзистора. Аналогично правая сторона РВ4 вход и РВ0 выход. Таким образом контроллер создает программируемую задержку включения, «блок комфорта» думает, что включен подрулевой переключатель на какое-то время и происходит нужное количество морганий.
В качестве силового ключа используется сдвоенный N-канальный транзистор AO4822 с током 10А на оба канала. Не знаю насколько он оригинальный, но высоких токов тут нет, поэтому вполне справится даже биполярник с током 100мА.
Сама плата выполнена очень компактно, монтаж довольно плотный. Диоды, резисторы, конденсаторы в корпусе 0805, на нижнем слое платы расположен полевик.
В комплекте идет небольшая инструкция с описанием и «бабочки» для подключения. Плата в прозрачной термоусадке.
Вся плата залита лаком с двух сторон, это уже хорошо. Значит уже есть защита от влаги.


Как подключить? Самое простое — к подрулевому переключателю. Для этого нужно иметь схему на свой автомобиль и иметь минимальные знания в автоэлектрике.
+12V — подключается к плюсу питания.
GND — подключается к массе (корпусу) автомобиля.
L — к левому сигналу поворотов.
R — к правому сигналу поворотов.
Подключение на примере mazda 6gh 2008г. Под пластиком руля есть фишка
Белый с красной и черной полосой это сигнальные провода, к ним правый и левый сигналы с платы соответственно, и питание. Саму плату можно закрепить под пластиком на стяжке.
Подключили, проверили — все работает. В контроллере настроено некоторое количество морганий (удлинений). На мой взгляд, оптимальное 3-4 удлинения, именно так сделано на автомобилях с завода. Как настроить нужное количество? Скрин из инструкции
После настройки все пишется в энергонезависимую память контроллера. Огромный плюс устройства — можно настроить количество морганий в любой момент времени без доступа к плате, не надо ничего разбирать.
Наверное единственный минус — это отсутствие функции «спасибо/извини», это когда при кратковременном нажатии на аварийку, она моргает 2-3 раза. Но это не так важно для меня.
В итоге платой мы остались довольны. Компактные размеры, простота установки и настройки, защита от влаги. Главное — все правильно подключить.
Поскольку, я немного разбираюсь в электронике, он попросил проверить на сколько все хорошо сделано. Забегая немного вперед, данная плата коммутирует «минус». Что это означает? Сигналы поворотов замыкаются на массу далее «блок комфорта» выполняет все коммутации лампами поворотов. Обычно на схеме это выглядит так.
Для данного обзора, у продавца попросили принципиальную схему устройства.
В верхней части схемы все просто, диод от переполюсовки, линейный преобразователь напряжения 78l05 с конденсаторами. Внизу расположен микроконтроллер Attiny13 с обвязкой. Как работает данная схема? Если вход подтянуть к массе (замкнуть на массу), то на выходе появляется некая задержка. Нога контроллера РВ1 или левый сигнал поворота через резистор R2 замыкается на массу, в результате на ноге РВ2 (она является выходом) появляется задержка включения на какое-то время. Резистор R5 и конденсатор С4 нужны для исключения ложных срабатываний или наводок. Резистор R7 служит для ограничения тока заряда емкости затвора полевика, R9 подтягивает затвор к массе во избежание непроизвольного открытия полевого транзистора. Аналогично правая сторона РВ4 вход и РВ0 выход. Таким образом контроллер создает программируемую задержку включения, «блок комфорта» думает, что включен подрулевой переключатель на какое-то время и происходит нужное количество морганий.
В качестве силового ключа используется сдвоенный N-канальный транзистор AO4822 с током 10А на оба канала. Не знаю насколько он оригинальный, но высоких токов тут нет, поэтому вполне справится даже биполярник с током 100мА.
Сама плата выполнена очень компактно, монтаж довольно плотный. Диоды, резисторы, конденсаторы в корпусе 0805, на нижнем слое платы расположен полевик.
В комплекте идет небольшая инструкция с описанием и «бабочки» для подключения. Плата в прозрачной термоусадке.
Вся плата залита лаком с двух сторон, это уже хорошо. Значит уже есть защита от влаги.


Как подключить? Самое простое — к подрулевому переключателю. Для этого нужно иметь схему на свой автомобиль и иметь минимальные знания в автоэлектрике. +12V — подключается к плюсу питания.
GND — подключается к массе (корпусу) автомобиля.
L — к левому сигналу поворотов.
R — к правому сигналу поворотов.
Подключение на примере mazda 6gh 2008г. Под пластиком руля есть фишка
Белый с красной и черной полосой это сигнальные провода, к ним правый и левый сигналы с платы соответственно, и питание. Саму плату можно закрепить под пластиком на стяжке.
Подключили, проверили — все работает. В контроллере настроено некоторое количество морганий (удлинений). На мой взгляд, оптимальное 3-4 удлинения, именно так сделано на автомобилях с завода. Как настроить нужное количество? Скрин из инструкции
После настройки все пишется в энергонезависимую память контроллера. Огромный плюс устройства — можно настроить количество морганий в любой момент времени без доступа к плате, не надо ничего разбирать.Наверное единственный минус — это отсутствие функции «спасибо/извини», это когда при кратковременном нажатии на аварийку, она моргает 2-3 раза. Но это не так важно для меня.
В итоге платой мы остались довольны. Компактные размеры, простота установки и настройки, защита от влаги. Главное — все правильно подключить.
Самые обсуждаемые обзоры
| +66 |
2916
103
|
| +30 |
1832
63
|
А что мешает поворачивать как обычно? Задумываться над поворотами не надо — руки сами делают.
В упор не понимаю в чём смысл этого устройства.
Смысл в том что при кратковременном нажатии на рычаг поворотников (НЕ до фиксации), автомобильные повротники мигают заданное количество раз, обычно 3-4.
Удобно при движении на трассе при обгонах, и в других случаях.
Как правило автомобили российского производства лишены этого удобства, например Lada Largus и тому подобные.
На худой конец — он сам выключается при повороте руля.
А вообще, я согласен — штука очень удобная. Как-то давно в отпуске в Италии брали машину на прокат и там я обнаружил эту штуку. Помню по приезду домой, а я тогда на «пятнашке» ездил, очень тосковал какое-то время. Использую по большей части на трассе при обгоне и иногда при поворотах, если понимаю, что времени моргания будет достаточно и проинформировать окружающих и в поворот войти.
А касательно того надо это или нет, то тут я согласен — как минимум надо попробовать. Если не Ваше, то и нафиг Вам не надо.
Это просто небольшая лентяйка, так как она, по сути, не исключает вероятности проехать 20 км со включенным поворотником до следующего поворота или обгона :).
Я думал что такой режим есть абсолютно на всех мало-мальски современных автомобилях.
19 лет брату
Функция есть
запомнитьнатренировать, точно так же как и плавно работать сцеплением/тормозом/газомОочень удобная функция.
Но именно поэтому я не могу понять, в чём удобство. Включение поворота, равно как и отключение (до участия автоматики) происходят на автоматическом уровне без участия сознания.
Желание повернуть = поворотник, окончание манёвра = выключение поворотника. Настолько же условно-рефлекторно, как нажатие педалей или поворот руля.
Пока сам не попробовал)
Поэтому сейчас — автоматы, адаптивные круизы и прочие комфортные поворотники. Ну удобно, не о чем спорить то)
P/S/ спасибо ТС за обзор, уже заказал, пусть будет!
У меня на машине тройной поворотник с завода стоит. Коротко нажал без фиксации, он три раза моргнул. Это действительно удобно. Вряд ли бы я стал заморачиваться с самостоятельной установкой такого, но когда оно уже есть — мне нравится.
В частности, при перестроении на трассе, когда угол поворота руля недостаточен для механического отщёлкивания.
И нет, задумываться над поворотами не надо — руки сами делают.
Без этого устройства действия «нажал — повернул — убрал». С этим устройством — «нажал — убрал — повернул».
Возможно, я слаще редьки не ел, попробую сегодня по дороге представить, как бы мне это сэкономило усилия.
Не могу вспомнить ни один авто, на котором нельзя было бы моргнуть поворотником без защёлкивания
«Не могу вспомнить ни один авто, на котором нельзя было бы моргнуть поворотником без защёлкивания».
Вы же написали «именно так», но подразумевая, что на xv30, как и на почти всех, так можно.
«три-четыре „— это 1.5-2 секунды. Этого может быть недостаточно для заблаговременного предупреждения водителей и самого манёвра.
Но вообще от этого коммента я офигел. Мне даже вспомнился анекдот про барышню на светофоре: «Мадам предпочитает какой-то другой цвет?».
я вообще не понимаю в чем проблема-то? эти удлинители поворотов штатно ставятся на миллионы машин и всех всё устраивает, опция нравится и востребована.
Если до этого было недоумение, теперь оно только усилилось.
С другой стороны, лично мое мнение по поводу поворотников, моргнуть 3 раза — это слишком мало даже для простейшего маневра — перестроения. По правилам надо включать поворотники заблаговременно перед началом маневра. Нормой считаю моргнуть 2 раза перед кручением руля. А выключить надо после завершения маневра. Т.е. на перестроение остаётся 1-2 моргания дворников, что в спокойном, нормальном режиме мало.
К сожалению, жизнь показывает что далеко не у всех водителей «палец в нужной позиции».
И, да, п.8.2 ПДД РФ никто не отменял.
Ключевое слово: "своевременно".
То есть, не «при повороте тянется», а «заблаговременно». К сожалению, судя по всему, теперь в автошколах этому перестали учить.
Весь этот функционал с поворотниками — именно в мозгах BCM прошит.
У меня такая опция была и в Калине и в Весте с завода. Если я знаю что мне нужно просто показать перестроение и мне хватит трех морганий до завершение маневра, например еду по относительно пустой дороге и меняю полосу — просто трынькнул по рычажку пальцем и едешь дальше. Поворотник сам поморгал и все. Не нужно его нажимать до щелчка, потом возвращать обратно т.к руль его не отщелкнет при малом угле. Конечно не трудно щекнуть туда-сюда, но это как с коробкой. Оно все нетрудно пока не попробуешь лучшего.
А сабж просто мелочь… Без которой можно обойтись. Ну нажал так, нажал этак… Какая там разница (у меня эта фича есть. но кажется не пользуюсь… Это надо лишний раз подумать, что «ага… вот тут можно моргнуть 3 раза», на «автомате» прожимаю до конца (5 лет езды на авто без этой фичи)
Вам мало 3д принтера? решили по угарать по автомобилям
чего Вы выдираете из контекста? «мелочь без которой можно обойтись» это не тоже самое, что и «без которой можно обойтись»
Тут всю фразу надо целиком понимать. Я понимаю, это сложно, но попробуйте
А причем тут все это?
тема про «поворотники»
хотите обсудить «темпоматы» и прочее — есть форумы автомобилистов
АТ это не мелочь. На нее даже отдельные «права» есть
Доп обучение нужно не под автомат проходить, а под механику.
Тот, кто сдает на механике, может ездить и на ат. А вот обратно нельзя
было 2 части — теория и практика
практика:
у меня была площадка и город. Я сдавал на механике. Потом появилась возможность сдавать тоже самое, но на АТ. При этом, я могу ездить и на механике и на АТ, а вот у тех, кто сдавал на АТ, у них пометка в правах, что они сдавали на АТ и на механике им ездить нельзя
И есть отдельные права которые разрешают помимо этого ездить на механике.
То есть существуют отдельные права специально под механическую коробку и учится надо на них отдельно )))
То что это сейчас так по документам выглядит — это что бы людям не надо было права переполучать, по факту это доп обучение пользованию механической коробкой, за отдельные деньги, отдельное время и ради сомнительной возможности водить механику. Я последний раз своими галзами в автомобиле в которос сам находился механику видел лет 10 назад )))
Вот это не понял… в смысле «помимо этого». помимо чего? У нас категория B позволяет ездить на любой коробке. Мы про нее уже упомянули
Есть вариант сдавать на права на АТ. Тогда в правах делаю пометку и ездить на механике нельзя
Вы чего-то курите там
сдаешь на автомате — на механике ездить нельзя
В мире вообще много вещей, без которых можно обойтись.
естественно. но это не повод призывать от них отказываться и отрицать что эти вещи полезны и удобны
Сабж изначально и позиционировался, как помощник при перестроении.
Я думаю мало кто тут водители-дальнобойщики :)
Помощник перестроения это скорее датчик «слепых зон» и вообще лазерный радар «взад», чтобы точно знать, что сзади-сбоку никого нет
а сабж просто фича. Ну есть и есть. У некоторых стопари бегущей лентой сделаны :) забавно
Есть куча «хочу приложить руки, но не знаю куда»: мигалки в «стопы» (двигаешься за таким в пробке в темноте и хочется биту применить), подключенные к «стопам» диоды в катафотах, задний ПТФ туда же, ленточки и т. д.
они, стопы, то включаются сразу, разумеется. Просто пока машина стоит в пробке, идет бегущий огонь
ну и звуки издает достаточно громкие
Миллионы пусть хоть в. Модерации не пропустит
ну видимо чтобы не дергать весь рычаг туда-сюда
Не могу сказать что очень важная функция. вообще не важная
Вот задняя камера с «направляющими» -вот это реально тема
А вот «мигание по касанию» — тут чисто удобство
Датчика дождя у меня нет, но датчик освещенности есть (сам включает ближний свет, когда темнеет) — один минус, может стекло загрязнится и датчик начинает думать, что дождь :)
Но вот про этих «деды»… вопрос ж цены
Вот выбор, доплатить 20% от стоимости машины (иногда более) и получить удобства… Двигатель тот же, коробка та же, но надо доплатить овердофига денег за удобства
Помню когда вышла Крета, последняя на нашем рынке, там напихали всяких интересных электронных помощников, типа контроля полосы… Но и машина с этими опциями в цене выросла… почти до 2млн (предыдущая крета, стоила примерно 1,35 в комплектации с безключевым доступом, камерой заднего вида с направляющими и тд. Выше была только комплектация с 17 дюймовыми колесами)
А у шкода рапид была интересная опция — принудительное торможение (то есть датчик сближения) — очень полезная штука… Но в какой это было комплектации и за какие деньги — явно не в самой простой комплектации
Если мигать нужно дольше трёх вспышек — нажму рычаг до фиксации.
Возможно будет интересно кому-то:
Удлинитель сигнала поворота V2.2
У автора много различных вариантов электронных помощников.
Я покупал Удлинитель поворотников, ДХО (дальний в пол накала) два разных варианта для Ларгуса.
Качество на высоте. Рекомендую.
Поймал косяк в прошивке, автору отписал но не знаю учел ли он мой фидбек.
Реле его я закостылил добавив конденсатор, но как говорится осадочек остался
Реальный случай из судебной практики. Правда, там не было «вежливых поворотников», был просто обычный любитель моргнуть 1-3 раза одновременно с поворотом руля.
И да, у меня в машине есть такой функционал и я им иногда пользуюсь — к примеру, показать пропускающим меня, что я не поворачиваю в их сторону.
Не уступил — сам и виноват.
Притом, что при одновременном перестроении преимущество у ТС, расположенного справа.
Но для того, чтобы водитель слева понимал, что ТС справа тоже собирается перестраиваться, указатель должен быть включен заблаговременно до и выключен сразу после манёвра, а не через 3 вспышки. Тут же включишь заблаговременно — 1.5 сек и будто ты отказался от манёвра. Включишь одновременно (чтобы успеть за эти 1.5 секунды) — не заблаговременно.
Вот как раз так и будет: в полной уверенности, что тебе должны представить преимущество (вы же одновременно перестраиваетесь и ты справа), вдруг становишься виновным. А всё потому, что поленился дёрнуть рычажок на 2-3 секунды раньше. Заранее.
Практически у всех. И у нормальных авто передние указатели поворотов видны и сбоку, это обязательное требование, даже оптика так устроена.
Наличие «системы штатно» не отменяет грамотного применения и выполнения ПДД
Я лично сам так моргаю иногда перед перестроением в своей полосе. И даже, наверное, иногда и при перестроении в другую, когда точно знаю, что других машин, кого бы я мог ввести в заблуждение, нет. Но вообще я сразу приучил себя пользоваться указателями всегда и везде: на парковке, во дворе, в лесу (раз ехали под Иваново к месту ночёвки по лесу — так повёл навигатор, — минут 15 не видели ни одной машины, и тут Т-образный перекрёсток в лесу… И ДТП с тремя машинами: каждый из них был уверен, что он один; впрочем, такое постоянно и во дворах. До сих пор вспоминаем тут случай...), в городе, на трассе… Включая их именно заблаговременно и отключая сразу после манёвра. Если я разворачиваюсь «в три движения», то я включаю указатель поворота столько раз, сколько начинаю движение. Я не выезжаю, как некоторые, с аварийкой (когда ни другие водители на парковке, ни пешеходы, которые тоже могут зависеть от твоей траектории, не знаю чего от тебя ждать), не позволяю себе не включать её во дворах (как делают многие, а потом удивляются). И учу этому других. Эти 2-3 секунды и подсознательное движение пальца могут всё изменить в нештатной ситуации.
Это должно быть рефлексом «на подкорке». Как нажимать сцепление или shift на клавиатуре. Но, как мы видим, не у всех есть… Рефлексы.
Так я про это несколько раз и написал.
и по большому счёту (хоть это и неправильно) можно и не включать поворотник при перестроении при условии что это гарантированно не создаст помех другим участникам движения. аналогично и включая поворотник можно устроить ДТП не убедившись в безопасности — что мы и видим на приведенном Вами примере.
Я лишь рассказал о реальном случае (и он не единственный), где моргание 3 раза одновременно с перестроением суд не счёл «заблаговременным». И в том случае «вежливые поворотники» участия не принимали, я об этом явно написал.
Потому что в инструкции прямо говорится, что вся ответственность лежит на водителе. Так что где сядешь, там и слезешь.
Всё, как и всегда, зависит от человека, всем надо пользоваться с умом и в уместной ситуации. К сожалению, многих трудно считать разумными по факту многих происшествий да и вообще поведения на дорогах.
Ну а то, что Вас переклинило и Вы уперлись тут доказать свою «правоту» — не увидел только слепой.
Ну и на закуску — не соблаговолите ли подтвердить пруфом тот случай, когда человека признали виновным за «недостаточно долгое» моргание поворотником?
Будьте так любезны, сделайте милость.
Это ж такой великий труд — выключить поворотник :)
А сам обзор и идея понравились :)
кнопка вместо замка? давайте во-первых дружно передадим привет одному крупнейшему российскому автопроизводителю который в очередной раз лихо облажался и не собирается ничего делать, а во-вторых есть ситуации когда пуск с кнопки менее удобен чем ключом.
я к чему: этот удлинитель поворотов как и автомат включения ДХО например — простые устройства никак не влияющие на безопасность. а вот безключевой доступ как и кнопка вместо замка имеют обратную сторону, к сожалению, и иногда могут не то что не помогать, но и прямо скажем немножечко вредить или даже создавать опасность.
Всегда можно
натянуть сову на глобуспридумать пример. Но вот в жизни с кнопкой реально удобнее. Я 10 лет проездил с кнопкой (и ключом-картой), и как же мне этого не хватало после (да и сейчас вспоминаю).аналогично и с этими удлинителями поворотов — тоже чертовски удобная штука, и тем кто к ним привык потом сильно их не хватает ;)
и да, я не отрицаю что и бесключевой доступ и кнопка запуска для большинства людей и ситуаций удобнее.
Про доп. кнопку я бы тоже мог сказать «лишние провода, лишние риски, опасность КЗ левый проивзодитель» и т.п. Но не СТАНУ :)
Плюньте в общем, спор ни о чем :)
Там тоже автопроизводитель оптимизировал расходы убрав иммобилайзер из базовых комплектаций с ключом (а keyless не были подвержены).
И так же пытался слиться, вместо отзыва сотен тысяч авто. Но там надавили сразу с нескольких сторон, включая страховые компании, которые в разы подняли стоимость страховки на конкретные модели.
В моём авто кейлесс неполноценный, двери надо с пульта открывать. Но отсутствие необходимости крутить ключом настолько вошло в привычку, что в чужих авто я регулярно забываю достать ключ из зажигания. Выхожу из машины, закрываю дверь, опускаю руку в карман, не обнаруживаю там ключа, открываю дверь, достаю ключ из замка зажигания, закрываю дверь, закрываю машину.
-Подсудимый, за что Вы убили женщину?
-Еду я в автобусе, подходит кондуктор к женщине с требованием купить билет. Женщина открыла сумочку, достала кошелочку, закрыла сумочку, открыла кошелочку, достала кошелек, закрыла кошелочку, открыла сумочку, положила туда кошелочку, закрыла сумочку, открыла кошелек, достала деньги, открыла сумочку, достала кошелочку, закрыла сумочку, открыла кошелочку, положила туда кошелек, закрыла кошелочку, открыла сумочку, положила туда кошелочку.
— И что?
— Кондуктор ей дал билет. Женщина открыла сумочку, достала кошелочку, закрыла сумочку, открыла кошелочку, достала кошелек, закрыла кошелочку, открыла сумочку, положила туда кошелочку, закрыла сумочку, открыла кошелек, положила туда билет, закрыла кошелек, открыла сумочку, достала кошелочку, закрыла сумочку, открыла кошелочку, положила туда кошелек, закрыла кошелочку, открыла сумочку, положила туда кошелочку, закрыла сумочку. «Возьмите сдачу!» — раздался голос кондуктора. Женщина открыла сумочку, достала кошелочку, закрыла сумочку, открыла кошелочку, достала кошелек, закрыла кошелочку, открыла сумочку, положила туда кошелочку, закрыла сумочку, открыла кошелек, положила туда сдачу, закрыла кошелек, открыла сумочку, достала кошелочку, закрыла сумочку, открыла кошелочку, положила туда кошелек, закрыла кошелочку, открыла сумочку, положила туда кошелочку, закрыла сумочку.
— И дальше что?
— И дальше в автобус зашел контролер и потребовал предъявить билет. Женщина открыла сумочку, достала кошелочку…
— Да убить ее за это мало, — не выдерживает судья.
— Так я это и сделал.
Оригинал: Бандурин & Вашуков — Кошёлка
Тачки страхуются (и плюс юридическая ответственность угонщика), поэтому какая по сути разница, как именно угнали тачку. Сложным путем или простым
Не секрет же, угнать можно любую тачку с массовыми сигналками. Вопрос цены усилий
На дорогие тачки ставят со «спутником». но это ж тоже глушится
Наверно мне не надо рассказывать, но можно поискать на ютубе, сколько занимает времени угон популярных автомобилей подготовленной командой
Допустим, обычно угоняется 1% авто данной модели. Это дешёвое авто, профессиональным автоугонщакам не интересное. А раз риск низкий, то страховка недорогая тоже. А потом р-раз, и тикток завирусился. И всякая шпана бросилась проверять на соседских тачках, правда ли так всё легко и просто. Не с целью поиметь выгоду, а просто погонять по району, припарковать в столб, утопить в речке. И теперь уже не 1% в зоне риска, а 10% или даже 20%. Расходы страховой растут по экспоненте. Берём 100000 авто, высчитываем процент, умножаем на ~20k$ за штуку, рассчитываем потенциальные потери и начинаем бегать по потолку.
Сначала страховая задирает цены. Но потом начинает догадываться, что если просто повысить стоимость услуги в 10 раз — про тебя расскажут в вечерних новостях. И тогда подключается отдел юристов, которые пытаются найти виновных. Тикток не засудить, он же китайский. И идут судить Киа — у них представительства, заводы-пароходы.
Примеры мелких удобств можно долго продолжать приводить. Сейчас в машине есть отключаемая опция перевода вентиляции в режим рециркуляции на минуту при использовании омывателя, чтобы жижей в салоне не пахло. А на предыдущем авто был отдельный взмах дворника через десяток секунд после использования омывателя, чтобы неизбежные потёки жидкости убрать. Вот его сейчас нет и каждый раз раздражает немного).
Функционал весьма удобный, пользуюсь на своей постоянно, ибо критично действительно заблаговременное включение, при самом повороте остальным участникам движения итак уже понятны твои намерения…
Привыкаешь к ней быстро и уже без неё какой-то дискомфорт есть на других авто.
При активной езде в большом городе, где постоянно нужно перестраиваться — фишка прям мастхэв.
А у соединителей из топика очень плохо с повторяемостью — то контачит плохо, то половину жил перерубил. И проблемы с изоляцией. Для авто проводки самый лучший вариант — U клеммы под обжим: 1, 2
А на самом деле именно под многожильный кабель, это как раз обычные простые коннекторы, а те что идут в продаже как просто коннекторы, это наоборот типо специально универсальные конекторы. Которых вообще-то и не существует на самом то деле. В виду что одножильная (солид) витая пара, предполагается к использованию именно для прокладки кабельной трассы и с одной стороны будет разделана на патч-панель а с другой на розетку, а никак не будет обжата в разьём rj45 (8p8c). Обжимая которую, она уже будет выступать в непредназначенной для неё роли патч-корда, собственно с говорящим за себя названием образованным добавлением приставки обозначения предназначенной для этого витой пары обозначающейся как патч. И характерного для них использования, процесса изгибания кабеля, противостоять которому солид вообще не рассчитана, а значит в какой-то момент жила будет разламываться.
Я делал на базе заводской лентяйки от Рио/Солярис
И да, удобно очень. Используется при перестроениях, ну там, где поворотниками принято пользоваться :)
Реально удобно
12vi.ru/products/blok-upravleniya-preryvatelem-ukazatelei-povorota-374-3787
Сначала девайс работал не очень корректно именно на моей машине, так производитель прислал мне бесплатно второй модуль.
www.drive2.ru/l/513197328216098203/ тут описание и схема установки
www.drive2.ru/l/514297114721780828/ тут щенячий восторг от поведения производителя