Ремкомплект для кофемашины Saeco. Устраняем течь. Рембыттехника на проводе (c)
- Цена: 3.49BYN (примерно $1.2) на момент заказа
- Перейти в магазин
Намедни наша немолодая уже кофемашина saeco magic comfort начала подтекать, а когда потребовалось приготовить много кофе за раз — потекла так что вышибло автомат. Пришлось везти в гараж и разбирать(ся).
Самым страшным было конечно разобрать и найти причину — ибо начитавшись интернетов я боялся что проржавел бойлер, а он стоит как еще одна кофемашина. Оказалось что всё существенно проще и дешевле.
Но так как у нас во-первых обзор ремкомплекта — начну с него
Упаковка

Образмерил как смог. Колечки довольно мягкие, «силиконовые», маслобензотермостойкость не проверял. На картинке наружный диаметр и толщина

Качество изготовления вполне приличное, вот худшие места что я увидел

Набор вероятно планировался как универсальный, но к сожалению 100% универсальности добиться не удалось, в частности, в моей машинке внутри две тефлоновые трубки, по два колечка на каждой стороне, итого нужно 8, а в комплекте 7 (это самые маленькие).
Ну а теперь переходим к ремонту. Для начала разбираем. Нам потребуются отвертка на крестик, отвертка торкс T10 и желательно пинцет и набор шил типа такого — ими удобно извлекать кольца, особенно когда они стоят внутри отверстия, типа как на штоке поршня

Снимаем всё что снимается, в том числе пластиковые части с носика подачи пара и пластиковую крышку над узлом выхода кофе (не знаю как правильно называется).

Естественно снимаем контейнер с водой, контейнер для жмыха, нижний поддон и заварочный блок, ну и ссыпаем кофе.
Чтобы снять верхнюю крышку нужно открутить 6 саморезов — два в емкости для зерен, два под контейнером с водой и два спереди

После этого снимаем контейнер для зерен и аккуратно отщелкиваем ручку регулятора помола, не забыв пометить как она стояла. После этого верхнюю часть корпуса можно снять.
Перед нашим взором предстает примерно следующая картина:

Красной стрелкой помечено откуда у меня валила вода, желтой — откуда она повалила бы в ближайшее время если бы я не поменял колечки.
Сами колечки в сравнении с новыми. Это те что были в самом хорошем состоянии, на выходе водяного насоса

А вот все вместе. Состояние 4 из них удручает. Ставим новые колечки на место, смазываем смазкой с пищевым допуском и собираем. Я оставил одно из старых колечек на выходе водяного насоса, потому что ремкомплекта не хватило — знал бы то взял сразу два, а повторно разбирать уже не стану, думаю походит еще.

Мне каким-то чудом удалось вчера включить кофемашину со снятой верхней крышкой, и она не ругалась на отсутствие воды. Так я смог увидеть откуда валила вода. Сегодня после сборки этот фокус не прокатил, пришлось ставить верхнюю крышку на место и варить кофе, после чего разбирать чтобы убедиться что всё сухо.
Кроме собственно проблемных колец я решил поменять колечки на носике подачи воды в заварочный блок — они тоже были очевидно подуставшие. Естественно, всё слегка мажем смазкой с пищевым допуском.

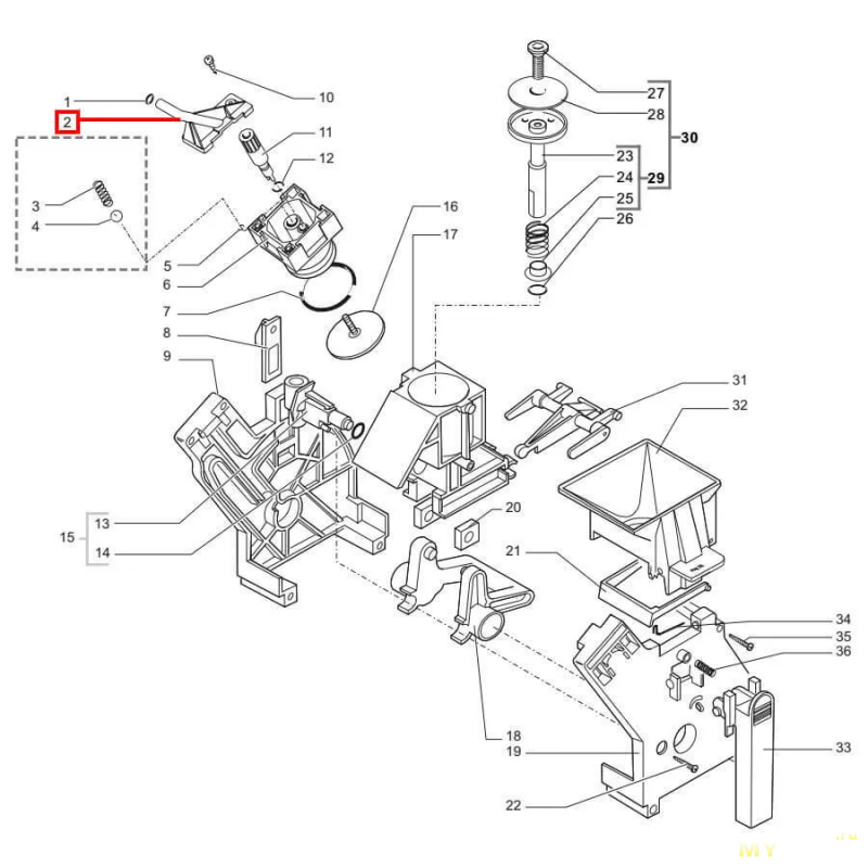
А вот колечка патрубка (носика) заварочного блока в комплекте нет. Его партнамбер ORM 0055-15 NM02.017, размеры 8.5x5.5x1.5mm — если я правильно нашел. На рисунке это номер 1



И вот именно это колечко хотелось бы видеть в этом наборе, потому что у других продавцов оно существенно дороже чем весь обозреваемый набор. Раз и два. Впрочем, если знаете где купить онлайн по нормальной цене — пишите в комментах, буду благодарен.
Также хотелось бы видеть в комплекту резиночку которая стоит под этим самый носиком, вокруг отверстия куда вставляется шарик и пружинка, на картинке она под номером 5, предположительно, хотя такое ощущение что картинку они нарисовали не совсем правильно, но решили что и так сойдёт. Колечко это имеет очень маленькую толщину, примерно как и то наружное. Но пока держит, так что я не стал заморачиваться.
Еще в этой машинке кто-то лазил в сам заварочный блок, ну и немного натворил там делов. в частности, был профукан стеклянный шарик (заказывал тут, $3 за пару) и сломана одна из стоек куда вкручивался саморез. Благо место позволяет, засверлился и закрутил саморез подлиннее.

Заварочный блок я обслужил — почистил, смазал направляющие (смазку брал китайскую SW-92SA), и поменял пару колечек — на штоке поршня и на входном штуцере (номера 14 и 26 на первой деталировке). На поршень пошло самое толстенькое, а на штуцер какое-то из мелких.

После моего «обслуживания» осталось довольно много колечек (на фото остатки до замены колец на заварочнике), некоторые из которых вероятно вообще для других машинок, а некоторые стоят там куда я не лазил, ну а самое большое кольцо для заварочного блока я пока менять не стал — оно еще в хорошем состоянии. (Кстати, для другой кофемашины я печатал его на принтере из TPU пластика — работает норм)

Также я заказал на всякий случай уплотнительные кольца для бойлера


Если честно, хотелось бы еще разобраться с тем что с носика под номером 77 чутка подкапывает вода, то есть клапан 73-74 плоховато держит. Но судя по всему чтобы выкрутить этот носик придётся снять бойлер, и не факт что какое-то из имеющихся колечек к нему подойдёт, кроме того я так понял что течь оттуда ситуация чуть ли не штатная, ибо там есть прям желобок по которому вода стекает в передний лоток. Одним словом, это я решил оставить на потом. Хотя вот на момент написания обзора они появились по относительно вменяемой цене около $11, не знаю, буду мониторить, может подешевеет или найду отдельно колечко туда, если размеры кто-нибудь подскажет

Также у продавца ремкомплектов есть еще один интересный комплект — пара больших колец заварочного блока и пакетик смазки. Тоже взял на всякий случай, стоит всего $2, пусть будет.

Резюмируя. Всё получилось, течь устранена. Ремонт вышел экстремально дешевым, я боялся что будет дороже на два порядка. Ремкомплект на первый взгляд вполне себе качественный, но время покажет точнее. Немного досадно что не хватило одной резинки на тефлоновую трубку (хотя по логике ее нужно бы положить в комплект, их должно быть четное количество), и в принципе отсутствует еще парочка, на носик выхода кофе. При этом я заказал этих ремкомплектов несколько — все одинаковые по содержимому, так что это так задумано, ну и вероятно стоит брать сразу парочку, как минимум ради главного расходника — большой резинки заварочного блока.
Самым страшным было конечно разобрать и найти причину — ибо начитавшись интернетов я боялся что проржавел бойлер, а он стоит как еще одна кофемашина. Оказалось что всё существенно проще и дешевле.
Но так как у нас во-первых обзор ремкомплекта — начну с него
Упаковка

Образмерил как смог. Колечки довольно мягкие, «силиконовые», маслобензотермостойкость не проверял. На картинке наружный диаметр и толщина

Качество изготовления вполне приличное, вот худшие места что я увидел

Набор вероятно планировался как универсальный, но к сожалению 100% универсальности добиться не удалось, в частности, в моей машинке внутри две тефлоновые трубки, по два колечка на каждой стороне, итого нужно 8, а в комплекте 7 (это самые маленькие).
Ну а теперь переходим к ремонту. Для начала разбираем. Нам потребуются отвертка на крестик, отвертка торкс T10 и желательно пинцет и набор шил типа такого — ими удобно извлекать кольца, особенно когда они стоят внутри отверстия, типа как на штоке поршня

Снимаем всё что снимается, в том числе пластиковые части с носика подачи пара и пластиковую крышку над узлом выхода кофе (не знаю как правильно называется).

Естественно снимаем контейнер с водой, контейнер для жмыха, нижний поддон и заварочный блок, ну и ссыпаем кофе.
Чтобы снять верхнюю крышку нужно открутить 6 саморезов — два в емкости для зерен, два под контейнером с водой и два спереди

После этого снимаем контейнер для зерен и аккуратно отщелкиваем ручку регулятора помола, не забыв пометить как она стояла. После этого верхнюю часть корпуса можно снять.
Перед нашим взором предстает примерно следующая картина:

Красной стрелкой помечено откуда у меня валила вода, желтой — откуда она повалила бы в ближайшее время если бы я не поменял колечки.
Сами колечки в сравнении с новыми. Это те что были в самом хорошем состоянии, на выходе водяного насоса

А вот все вместе. Состояние 4 из них удручает. Ставим новые колечки на место, смазываем смазкой с пищевым допуском и собираем. Я оставил одно из старых колечек на выходе водяного насоса, потому что ремкомплекта не хватило — знал бы то взял сразу два, а повторно разбирать уже не стану, думаю походит еще.

Мне каким-то чудом удалось вчера включить кофемашину со снятой верхней крышкой, и она не ругалась на отсутствие воды. Так я смог увидеть откуда валила вода. Сегодня после сборки этот фокус не прокатил, пришлось ставить верхнюю крышку на место и варить кофе, после чего разбирать чтобы убедиться что всё сухо.
Кроме собственно проблемных колец я решил поменять колечки на носике подачи воды в заварочный блок — они тоже были очевидно подуставшие. Естественно, всё слегка мажем смазкой с пищевым допуском.

А вот колечка патрубка (носика) заварочного блока в комплекте нет. Его партнамбер ORM 0055-15 NM02.017, размеры 8.5x5.5x1.5mm — если я правильно нашел. На рисунке это номер 1



И вот именно это колечко хотелось бы видеть в этом наборе, потому что у других продавцов оно существенно дороже чем весь обозреваемый набор. Раз и два. Впрочем, если знаете где купить онлайн по нормальной цене — пишите в комментах, буду благодарен.
Также хотелось бы видеть в комплекту резиночку которая стоит под этим самый носиком, вокруг отверстия куда вставляется шарик и пружинка, на картинке она под номером 5, предположительно, хотя такое ощущение что картинку они нарисовали не совсем правильно, но решили что и так сойдёт. Колечко это имеет очень маленькую толщину, примерно как и то наружное. Но пока держит, так что я не стал заморачиваться.
Еще в этой машинке кто-то лазил в сам заварочный блок, ну и немного натворил там делов. в частности, был профукан стеклянный шарик (заказывал тут, $3 за пару) и сломана одна из стоек куда вкручивался саморез. Благо место позволяет, засверлился и закрутил саморез подлиннее.

Заварочный блок я обслужил — почистил, смазал направляющие (смазку брал китайскую SW-92SA), и поменял пару колечек — на штоке поршня и на входном штуцере (номера 14 и 26 на первой деталировке). На поршень пошло самое толстенькое, а на штуцер какое-то из мелких.

После моего «обслуживания» осталось довольно много колечек (на фото остатки до замены колец на заварочнике), некоторые из которых вероятно вообще для других машинок, а некоторые стоят там куда я не лазил, ну а самое большое кольцо для заварочного блока я пока менять не стал — оно еще в хорошем состоянии. (Кстати, для другой кофемашины я печатал его на принтере из TPU пластика — работает норм)

Также я заказал на всякий случай уплотнительные кольца для бойлера


Если честно, хотелось бы еще разобраться с тем что с носика под номером 77 чутка подкапывает вода, то есть клапан 73-74 плоховато держит. Но судя по всему чтобы выкрутить этот носик придётся снять бойлер, и не факт что какое-то из имеющихся колечек к нему подойдёт, кроме того я так понял что течь оттуда ситуация чуть ли не штатная, ибо там есть прям желобок по которому вода стекает в передний лоток. Одним словом, это я решил оставить на потом. Хотя вот на момент написания обзора они появились по относительно вменяемой цене около $11, не знаю, буду мониторить, может подешевеет или найду отдельно колечко туда, если размеры кто-нибудь подскажет

Также у продавца ремкомплектов есть еще один интересный комплект — пара больших колец заварочного блока и пакетик смазки. Тоже взял на всякий случай, стоит всего $2, пусть будет.

Резюмируя. Всё получилось, течь устранена. Ремонт вышел экстремально дешевым, я боялся что будет дороже на два порядка. Ремкомплект на первый взгляд вполне себе качественный, но время покажет точнее. Немного досадно что не хватило одной резинки на тефлоновую трубку (хотя по логике ее нужно бы положить в комплект, их должно быть четное количество), и в принципе отсутствует еще парочка, на носик выхода кофе. При этом я заказал этих ремкомплектов несколько — все одинаковые по содержимому, так что это так задумано, ну и вероятно стоит брать сразу парочку, как минимум ради главного расходника — большой резинки заварочного блока.
Самые обсуждаемые обзоры
| +49 |
1848
100
|
| +146 |
5871
186
|
| +18 |
1713
40
|
Назовите ваши плохие качества
Нуу, я всегда говорю то, что думаю
Мы не думаем, что это плохое качество
А мне по%₽£ну что вы думаете
К примеру, вот видеоинструкция
www.youtube.com/watch?v=bjEAui1RSuk
Ну и в вашей машине устройство мало отличается от других саеко, только разве что электроникой. Если захочется перебрать, сменить прокладки и почистить — то не проблема.
а брательник говорит что сломал при разборке привод поршня — как-то неудачно он у него отщелкнулся и пополам. там и правда усилие огого. правда и снимать его нужно только если нужно менять сальник на штоке поршня, то есть для смазки направляющих каждый раз его дергать нет необходимости.
Разбирать только получится в выходные, как раз в те дни когда кофе пьём чаще всего. Если не соберу или сломаю, то мне будет больно…
Я так понял, эта без пищевого допуска, а для колец ты использовал что-то другое?
У меня Jura S95, брал Б/У, готовлюсь к тому, что тоже придётся разбирать и чистить. Нашёл подробное руководство от одних милых немцев на английском и немецком, осталось заготовить только кольца, смазку и овальный ключ для вскрытия.
апд. Воблин! Текст прочитал, а на фотке смазку не увидел в упор.
Я покупаю обычно таблетки, но постоянно забываю и в нужный момент их не оказывается. Понятно, до следующей покупки, но то что машина просит помыть сначала индикацией, а потом и писком, раздражает.
Где-то в интернетах видел совет, кидать в качестве средства треть таблетки от посудомойки. Звучит заманчиво и логично, но что-то стрёмно.
Таблетки для для очистки кофемашин от масел, CUP 5, таблетки от кофейных масел
Стоит от накипи чистить. Но, это если вода жёсткая.
В СПБ есть на эту тему магазин, «Мир РТИ». Там этих колечек, как гуталина на гуталиновой фабрике. Есть доставка.
У меня Solis Master 5000 Digital.
Куплена в 2007г.
На текущий момент 20313 чашек(специально посмотрел).
За это время. Пару раз полностью менял все уплотнения(колечки) и фильтр очистки. Остальное все родное и вполне живое.
Первый раз менял, вроде в 2018г. Второй в 3 года назад. Но, там машинка очень долго стояла без использования, уплотнения рассохлись. И в одном месте потекло под давлением.
За все это время таблетками от масел пользовался пару раз в самом начале эксплуатации.
Штука в том. Что труднодоступное место, где могут, теоретически, накапливаться масла, это трубка на дозатор и шариковый клапан перед ней. Остальной заварочный блок элементарно моется целиком. Периодически надо снимать и чистить сетчатые фильтры. Но, это тоже штатная процедура описанная в инструкции.
Сама трубка крепится двумя саморезами, которые, при желании можно открутить и промыть клапан и трубку.
Но, насколько я свою разбирал и чистил, масла всё же откладываются отдельной фублей на трубочках. Предыдущую кофеварку мне надо было разбирать и чистить — одно из двух сопел было забито именно вот этими маслами, превратившимися в слизь.
Ну а так. От масел(жира), применяются гидроксиды(щелочь). Думаю, что капля, какого-нибудь «Шуманит» или аналога, вполне пойдет. :DDDDD Но, я бы взял спец. таблетки. Не так они и дорого стоят на общем фоне).
А машину курочить не стоило — если не сдыхает электроника, они очень ремонтнопригодны.
У меня Филипсу восьмой год пошел, так я на него поглядываю, что пора менять :)
если бы там бойлер издох — было бы о чём задуматься, он стоит порядка $50+, а в данном случае всё оказалось просто и дешево
Как же я ошибался что кофе весь одинаков! В общем тот что я обычно в бристоле возле дома покупал (POETTI) — высыпал в помойку, это кисло горькая дрянь оказалась, Saeco старая просто не умела заваривать кофе. Сейчас различные Jardin тестирую, пока больше всего понравился American Crema. А Melitta просто отличный аппарат, разве что поддон требует чаще промывать.
переобул резину, машина как новая стала. На работе 2 шт Philips SAECO Incanto HD 8916
то же заменил все резинки + чистка смазка. Проработали за 6 лет, но загрузка на них до 60 чашек в день.
Народ сказал, что вкус у кофе вернулся.
www.thingiverse.com/thing:3760883/files
Лично я не думаю, что отверстия приведут к каким-то особым проблемам. Вообще, кофе транспортируется и складируется в обычных джутовых мешках. Понятно, после обжарки может что-то меняться, но до того у кофе очень сложный и извилистый путь, включающий даже пищеводы/кишечники зверья.
Хоть свой датчик колхозь.
Реально узнать что кофе заканчивается — лишь по звуку.
Кстати такую, как у вас на фотке восстанавливал из пепла пару лет назад. Чисто на продажу. Купил в виде конструктора на местной барахолке. Вот тут чем чистил накипь — elchupanibrei.livejournal.com/76714.html
А специальные для кофемашины в Германии, у примеру, 2.95 за 6 таблеток — это конечно не космос, но многовато.
Спасибо. Да, таблетка для посудомойки должна подойти, надо только измельчить.