ИБП с входом +12В/2s18650 и с выходом 12В/25Вт на LTC4412 полумодульной конструкции

Мне понадобилось сделать низковольтный источник бесперебойного питания для своего домашнего сервера умного дома — кубика размером с пол-ладони «Mini PC M1T», питающегося от 12В и потребляющего ток до 1.75А. Я полагал, моя задача решится покупкой готового модуля, но все, что удалось найти на Али — разочаровывает обманно малой выходной мощностью. Покупать готовые ИБП оказалось неоправданно дорого для моего случая. Пришлось развести плату под специализированную микросхему LTC4412, применив уже готовые DC-DC и зарядный модуль.
Периодически, довольно неожиданно, в моей квартире отключают электричество и мой сервер умного дома «Mini PC M1T» приходится запускать вручную, т.к. в BIOS нет функции автозапуска. Да, можно сделать схему автозапуска на дискретных компонентах вокруг кнопки питания компьютера, но ИБП в данном случае будет правильнее, т.к. на сервере много чего должно работать и логгироваться даже при отсутствии электричества в доме.

Судя по моим тестам «Mini PC M1T» потребляет в пике 1.75А от источника напряжением 12В (несмотря на type C коннектор, протокол PD и аналогичные здесь отсутствуют).
Значит нам нужна плата ИБП мощностью не менее 20Вт с выходом 12В.

Судя по обзору, плата не держит требуемые 22Вт (2Вт небольшой запас) — выходное напряжение проседает до 11,6В. На таком напряжении мой сервер перезагружается.

Есть обзор на данном сайте за авторством уважаемого vlo, из которого следует, что уже при 15Вт тепловой режим выходного преобразователя критический. Это не приемлемо.

Если посмотреть структурную схему данного модуля, виден существенный недостаток — качество переключения мосфетов зависит от уровня напряжения батареи и, как следствие, транзисторы будут греться при сильно разряженной батарее, впустую расходуя электричество на нагрев.
Путь решения
Существуют специализированные микросхемы, выполняющие функцию переключения между источниками питания, лишенные недостатков схемы на дискретных компонентах. Одна из которых LTC4412 (разработки Analog Devices).

Отлично подходит для моей задачи. Из достоинств — выдающиеся характеристики переключения.

На момент написания обзора данные микросхемы на Али вполне приемлемы по стоимости. Полгода назад я покупал 5 шт за 712 руб с доставкой.

Мне нужно выходное напряжение 12В, учитывая, что питать буду от Li-ion ячеек 18650, минимальным напряжением 3В (не будем разряжать до 2.75В) и максимальным 4.2В, оптимально будет использовать 2s соединение, тогда худший токовый режим будет 2*3В=6В, 20Вт/6В=3.5А. Данный ток для моих аккумуляторов равен 1C. При этом в соединении 2s напряжение 4.2В*2=8.4В — не привысит 12В, что позволит применить повышающий dc-dc преобразователь.
Однако, возникает насущный вопрос, чем можно нормально зарядить 2s? Наша задача — как можно меньше преобразовывать питающее напряжение для получения выходного и зарядного для 2s Li-Ion.
Исходить будем из выходного напряжения в 12В. Нам его нужно получить из, разумеется, входного, 12В, которое должно зарядить посредством преобразователя 2s Li-Ion и из которых мы должны получить 12В выходного посредством DC-DC.
На роль зарядного преобразователя подходит преобразователь на базе IP2365.

У него нет балансира, поэтому предусмотрим активный балансир для 2s сборки. Потребляет он ничтожно мало в следящем режиме, поэтому его можно оставлять подключенным на постоянной основе.

А еще надо предусмотреть защиту от пере-заряда/разряда нашей сборки. Поэтому нужна BMS. Да, они есть уже с пассивными балансирами, которые по эффективности не идут ни в какое сравнение с вышепредложенным. Поэтому выбираем BMS без балансира.

На роль выходного стабилизатора отлично подойдет повышающий DC-DC на базе TPS61088.

Набросаем схему.

К которой я пришел, реализовав вот такой вариант, который просился на переделку ввиду неэффективности преобразования электрической энергии.

Теперь разведем плату.


И соберем все это дело воедино. Модули приклеены двухсторонним скотчем на плату в местах модулей, где не предвидится нагрев.

И тут начинаются проблемы откуда не ждали.
Проблемы
Я все собрал, схема работает, но выходное напряжение, что при работе от батареи, что от сетевого — меньше на 0.45В на мощности в 21Вт (тестировал электронной нагрузкой). Виноваты поддельные транзисторы AO4413.

Кто же знал, что он будет открываться в таком предательском состоянии!
Пришлось заказывать с нашем Чип-Дипе хорошие полевики IRF9310TRPBF

Заодно на пробу взял AO4409, чтобы убедиться, что продукты Alfa&Omega встречаются не поддельные!
Транзисторы я впаял на место ключей и вместо падения напряжения на Сток-Исток 0.45В стало 0.015В.
Проблема 2
На BMS при токе 3А падает 0.29В. Т.е. на аккумуляторах, допустим 8В, а на выводах P+ P- 7.71В. Тоже виноват полевой транзистор, замена которому нашлась в виде донора из видеокарты. Причем вместо корпуса SO8, я поставил LFPAK.

После замены падение напряжение пришло в норму в 0.09В (как по мне все равно много — видимо переходных отверстий пожадничали китайцы в этой BMS).
Корпус
Чтобы изделие приобрело законченный вид, его нужно облачить в корпус.

Без претензий на особые изыски — но с полной реализацией функциональности.

Сборка в корпус
Собирать в корпус оказалось легко и просто.




Вместо заключения
От двух аккумуляторов 18650 емкостью 3300мАч каждый, мой домашний мини-сервер наделяется автономностью в 2,5-3ч, что меня полностью устраивает. Долговременная нагрузка ИБП в режиме от батареи показала длительную выходную мощность в 25Вт. Данная конструкция позволяет добавить еще пару или даже 4 аккумулятора, сделав из 2s 2s2p и соответственно увеличив емкость. Плата преобразователя IP2365 позволяет резисторами задавать зарядный ток.
+19 |
1933
94
|
+23 |
1242
29
|
+75 |
4296
67
|
См. здесь youtu.be/hJIJLefYoKg?list=TLPQMDgwNTIwMjX7ijcWWQTdZA
Затем по просьбам трудящихся создал более мощный на 5 Вольт 5 Ампер. youtu.be/s_4QmhJjJyU?list=TLPQMDgwNTIwMjX7ijcWWQTdZA
Заменив модуль с выходом вместо 5 Вольт на модуль с регулировкой выходного напряжения можем любое другое выходное напряжение.
Можно еще туда конечно и док-станцию Orico навесить(12в 6.5А), но ИРП всетаки помощней тогда надо, ампер на 8.
если есть рядом рекомендую
WGP POE на 10400 mAh — одна из версий
А вышеуказанный стоит 20 баксов, и в нём порядка 30 Вт*ч (4 18650 на 2600), которые можно выжать посильнее. Впрочем, конкретно у него есть минус — довольно прилично греется, я бы лучше с выносным БП брал
для 12в\12А акб
блок питания немного иной (в рапан из комента оно не влезет — тут нужен от 4500р типа ББП РАПАН-60 исп.26 )
как и цена самого акб (от 2500-4100р)
при этом эти 12А там номинальные по факту (их нет и при 20часах разряда)
А через год хорошо если половина останется
Якобы недолго будет работать? А кто даст гарантию, что в этом китайском чуде аккумы долго протянут и не устроят ночного фейерверка?
Что до китайского чуда — оно уже хорошо обозрено и по Украине продаётся в довольно приличных масштабах. Даже у меня на столе, вон, лежит, а второе уже отправил тем, кому и было куплено. Проблемы там были — раньше конденсаторы поганые ставили, и они где-то за год дохли, но уже с год как исправились. Ну а если о самосборе речь — то и подавно можно что угодно запихнуть.
В общем, если каждую копейку экономить — то да, свинец выиграет, но как по мне — отрыв достаточно мал, чтобы уже не морочить с ним голову, а в некоторых случаях (когда надо запитать заведомо ненадолго) — то литий и по цене выиграет, пожалуй.
ИМХО простой литий это мощность здесь и сейчас, бытовуха вроде колонок/фонариков. А для ИБП, буфера и сохранения энергии нужно на ЛиФер смотреть.
Просто Li-ion стал первым массовым и все ориентируются на него, но LiFePO4 для большинства применений объективно лучше.
По планированию согласен. У первых моих поделок 18650 был на 2300мАч, прошло 5 лет, сейчас есть 18650 на 4000мАч.
но думаю к этому времени уже свет будет
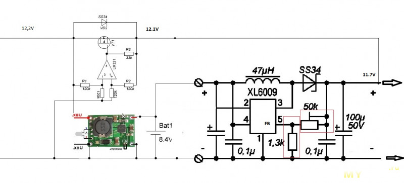
Принцип работи- 12.2 вольт идет черед идеальный диод в нагрузку без потерь + идет зарядка АКБ, преобразователь настроен с 8.4 повышать до 11.7, есть свет на виходе 12.1, преобразователь отключен, свет пропал напряжения на выходе упало менее 11.7 включился преобразователь.
В работе 2 года, проблем нет. Модуль диода самодельний, как и плата активного балансира eta3000
Не понял, кто включает/выключает преобразователь? Может схемкой поделитесь?
Транзистор T2 и 4 диода рядом с ним, вся нагрузка идёт через них, и от них зависит максимальный ток на выходе.
Ещё должен контролировать очень частые включения и отключения сети, переключая на работу от аккумулятора на некоторое время даже при наличии сети, но этот режим у меня что-то не вышло включить.
А вообще силовая схема простая:
Напряжение с блока питания через 2 запаралеленых диода на выход.
Напряжение с аккумулятора через транзистор и 2 других запаралеленых диода на тот же выход.
Минус блока питания, аккумулятора и нагрузки общий.
но у лифера если не сильно БУ ресурс побольше будет
(а я думаю там сильно БУ так как LiFePO4 — на 11А нет )
хотя может для красоты
Используемые в сборке элементы JGNE LiFePO4 JGCFR26650-3800
Да, наверное эту батарею и возьму.
Не разобрались что потенциометр R4 регулирует?
> Ещё должен контролировать очень частые включения и отключения сети, переключая на работу от аккумулятора на некоторое время даже при наличии сети, но этот режим у меня что-то не вышло включить.
А где о таком режиме вообще заявлено? У меня при питании от ЛБП с ограничением по току, при превышении нагрузки никаких задержек нет: быстро переключается туда-сюда.
От нагрузки в виде маломощного щеточного мотора (без диода/драйвера) уходит в защиту.
Планирую ещё прикостылить выход со статусом.
Про частые отключения здесь: www.youtube.com/watch?v=JqV7cXcvv7g
А про нагрузку, да очень высокая чувствительность к большой нагрузке, даже на очень короткое время, например пусковой ток двигателя как у вас.
«Аварию» видел, но при просадке напряжения под нагрузкой она нормально не работает.
> например пусковой ток двигателя как у вас.
А тут проблема не в пусковом токе — оно даже с питанием двигателя через 5 Ohm резистор отрубается. Видимо проблема в индуктивной нагрузке. Через понижайку на LM2596 работает стабильно. С диодом или драйвером пока не пробовал.
> R4 регулирует напряжение зарядки аккумулятора.
Верхний уровень? Именно напряжение, не ток заряда?
Верхний уровень ~14.6
================
Есть 2 резистора (R8 и R9) 1R5 рядом с оптопарой и рядом с ними ещё одно свободное место.
Я на 100% не уверен, но заменой этих резисторов и будет регулироваться ток заряда,
потому что он идёт через эти 2 резистора.
они же никилем покрыты
Обзор платы есть у Кирича.
Название: UPS Uninterruptible Power Supply 24000mAh-42000mAh Power Banks for WIFI Modem/Routers, VOIP, Cameras USB DC5v Output
Там 4 варианта, от 24 до 42 Ач, стоимостью, соответственно, от 42 баксов до 60.
А почему каждому свой миник, а не все в 1? HA столько ресурсов жрет или не хотелось замарачиваться с настройкой, а взяли готовые ОС?
У меня много устройств(около 100 в HA, взял помощнее, до этого была Rasp Pi4 — отваливались часто zigbee ус-ва, два Zроутера поменял, репитеров навтыкал, пока не допер, что дело в самом сервере. Взял N100 на вырост с 8 Гб ОЗУ, используется около 4). А NAS — брал под готовую Xpenology процессор(года два назад, тогда это было важно, чтобы архитектура совпадала. Сейчас не знаю).
Мини ПК брал пустые, памяти и ssd накопилось, поэтому вышло не особо дорого. Ну и не всё разом, сервер HA вот только 3 месяца как поменял. NAS хранилищу 2 года с небольшим. Для NASа ещё такой проц выбрал, т.к. Из 3х ТВ дома только один на андроиде, два просто смарты — на нём ещё плекс сервер крутится.
После блока питания на 20.5в от Lenovo шнур «на 19в» идёт в неттоп. Полтора вольта лишнего пайка :) И в эту же точку понижайка на xl4016 до 12в и шнур в монитор.
Сразу после блока питания подключена батарея 18650 5S с BMS через резистор на 4.7 ом 10 Вт и параллельно ему диод Шоттки. Резистор рассчитывался исходя из дельты минимального напряжения на батарее (2.8 -напряжение отключения х5=14в) и напряжения на выходе БП. Т.е. максимальный ток заряда 6.5/4.7=1.38А при максимальной рассеиваемой мощности на резисторе 8.98 Вт. На практике всё гораздо лучше потому что напряжение очень быстро поднимается до 3.3в на ячейку. Диод нужен после пропадания напряжения, чтобы разряд шёл через него, а не через резистор. Полная зарядка занимает порядка 8 часов, поскольку ток неуклонно снижается с поднятием напряжения на батарее.
Конечно, схема не лишена недостатков. В частности, не самый высокий КПД из-за потерь на диоде и долгое время заряда. Так же необходим запас мощности в БП. Но зато предельно проста и очень надёжна. Неттоп стабилен до 16.2в на батарее. Что немного не дотягивает до полного разряда, но близко к нему.
За 2 года проблем не было. Также использовал паразитное падение напряжения на диоде для автоматизации — параллельно диоду подключил pnp транзистор, эмиттером к аноду и базой к катоду. На базу резистивный делитель с расчётом получить на ней примерно полвольта. А коллектор на плюс питания светодиодного индикатора заряда батареи. Ну соответственно минус на массу. И теперь когда пропадает напряжение включается индикатор заряда батареи, очень наглядно и удобно. И сигнализация на 16,5в к выходу (на tl431 и активном buzzer'е), чтобы не словить неприятную ситуацию в виде перезагрузки неттопа.
Точное время автономной работы сильно зависит от нагрузки процессора. Но в среднем полтора часа.
Думал над похожей схемой как у автора. Но лень победила.
У меня смутное чувство что при BIOS UEFI это лечится добавлением нужно функцональности путем добавления нужного компонента.
Кто из погруженных в тему может прокомментировать?
Питается от 12В АКБ + БП 19В от ноутбука.
Имеется звуковая сигнализация разряженного АКБ, встроенное ЗУ до 1А, защита от КЗ и перегрузки выходных цепей.
Выходные напряжения 5В 1А, 12В 3,5А, 45В 0,5А
sl.aliexpress.ru/p?key=63Ci3AN
Собрал аккум 5s2p на 32700 lifepo4, в масимальной нагрузке 55вт компик + роутер продержало спокойно около 5 часов, а потом включили электричество. В общем, рекомендую. Но цена комплекта — да, накладненько…
А плата прекрасна, конечно
Стар я для всего этого.
Через разветвитель питания один вывод к блоку питания, другой выход. Пропало питание, напряжение идёт с него.
Есть одно но: здесь нет 20000 мАч на 12 В. Здесь 3 банки по 3.6 В. Не знаю как, у меня на 9800 мАч, на выходе 11.2 В при полностью заряженных аккумуляторах. Есть такой же на 20000 мАч, но покупался не для себя а для брата. По разным причинам лучше купить его. На 9800 мАч в плохом корпусе, который изначально потрескался, на 20000 мАч нормальный корпус. Так вот ёмкость китайцы указывают китайскую. Хотя выходное напряжение 11.2 В, ёмкость это для всех 3 пластин, т.е. у каждой отдельно взятой пластины 20000/3 мАч, то есть для 11.2 В это 6600 мАч. Пластины не обычные LiPo, из них только контакты торчат, судя по всему в них BMS в каждой.
На 9800 мАч работает с января 2019 года, ёмкость 3200 мАч была, сейчас не знаю. Включено постоянно.
В общем, если интересно:
ссылка