Микротоковый низковольтный DC/DC Step up Converter (китайский Джоуль-вор). Пытки током и прочие забавы выходного дня
- Цена: 36 рублей РФ пополам.
- Перейти в магазин
Не отношусь к апологетам опустошения батареек до донышка, как уважаемый kdekaluga, но интерес к теме возник на базе его работы: mysku.club/blog/diy/99163.html
Поэтому, когда попалась такая красота на Али, не смог устоять, любопытство — жестокая тётка))
Заказывал три штуки, но добрый китаец положил в пакетик шесть, что закономерно греет наши души.
Рассмотрим же чудеса китайпрома подробнее! >>>
Делить платку на модули продавец не стал, что в целом правильно:

Все фоты в обзоре кликабельны.
Параметры обещает такие:
Проверим размеры:


Соответствие наличествует, тут без обмана.
Монтаж выполнен прилично, нигде ничего не висит, чистенько и красиво.
Как же оно должно работать?
Находим чип, дейтшит есть тут:
static.chipdip.ru/lib/976/DOC012976588.pdf
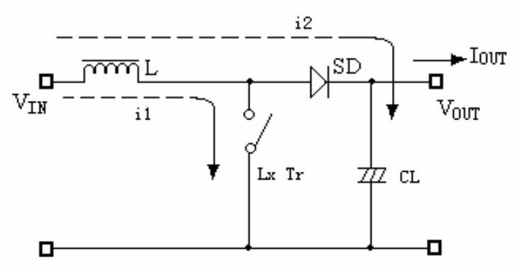
Это ME2108А, принцип действия прост и понятен:

Внуренности чипа:
То, что восточные братья называют OUT, на самом деле является входом делителя обратной связи, ну и питание с него берётся, видимо.
Единственным OUT-ом тут является вывод Lx, куда выходит сток силового ключа.
Типовая схема из дейтшита, от которой производитель даже не подумал отклониться:
Тааак… нам для пыток надо подключать схемку через микроамперметр с большим сопротивлением шунта, а тут накопительный дроссель прямо на входе… первым делом паяем на вход фильтрашку на 1мкФ и заодно убеждаемся, что диод реально Шоттки:

Кстати, обозначения контактов на платке — вовсе не V0 и V1, как могло бы показаться, а Vi и Vo.
В комментах у продавца есть товарищи, пытавшиеся подать напряжение на Vo, не надо так делать ))
Теперь меня слегка напрягает вопрос входного сопротивления вольтметра… измерять придётся микроамперы, какую прибавку к результату измерения обеспечит включенный после амперметра вольтметр? Особого доверия китайцам нет, проверяем на разных напряжениях:



С этим понятно.

Здесь и далее на картинках: Флюк измеряет входной ток схемы, после него включены клещи ЮниТ на измерение напряжения, слева мультиметр ЮниТ измеряет напряжение на выходе (где применимо).
Для начала проверяем нижний порог запуска на ХХ, это 0,55В:
Далее снижаем напряжение до срыва выхода, предельное рабочее напряжение на ХХ — 0,325В:
Посмотрим на йихаха, в смысле, ток холостого хода Ixx при разных напряжениях входа и отключенном выходе:



При 2,5В ток прыгает от 0 до ~6мкА, поэтому приведены две фоты.
Ну что, к главному?
Первый этап — ток выхода 1мА, для этого нахожу такой резистор, хороший, советский)):

Крутим и смотрим:



Под нагрузкой предел рабочего напряжения снижается до 0,265В… замечательный результат!
Посчитаем КПД для всех проверенных значений:
Какой-то очень странный провал на 1,5В… зато на нижнем пределе — очень даже неплохо.
Сделаем то же самое для тока 10мА, берём такой резистор:

И снова крутим:


При такой нагрузке снижать напряжение дальше смысла нет, считаем:
Нобелевку срочно в студию!!!
Только что, прямо на глазах изумлённой публики, произошёл прорыв тысячелетия, изобретён вечный двигатель!!! )))
Достаю осцил, так или иначе надо было смотреть, что там на выходе, цепляю обратно резистор на 3,3к, чтобы обеспечить минимальную нагрузку, и вижу:


Первый кадр — это 2,5В на входе, второй — 1,5В, третий — 0,5В.
Частота не просто плавает — она плавает в разы, и при 2,5В составляет всего около 1кГц, а обещали-то 150…
Правда, в дейтшите на чип указано
Maximum oscillator frequency:180KHz(Typ.),
но как-то я даже предположить не мог, что при этом минимум может быть настолько низким )))
То есть, всё выше намерянное — ну… можно принять к сведению, как примерную оценку.
И на входе надо явно не 1мкФ, и на выходе — сильно поболе того, что там стоит.
Ну и, раз уж есть осцил, посмотрим, что там на стоке ключа — любопытство, опять же.
— при 3В на входе:

— при 2В:

— при 1 В:

— при 0,5В:

Такие дела…
Проверим ещё, что происходит при превышении входного напряжения над выходным.
— при подключенной нагрузке 3,3к:

— при отключенной нагрузке, напряжение на входе 4В и 5В:


Резюмировать не буду, всё должно быть более-менее понятно, выводы о применимости к своим условиям каждый сделает сам.
Есть точно такие же модули на 5В выходного напряжения, у того же продавца.
Киса просит лайк!:

Всемкис пис!!!
Поэтому, когда попалась такая красота на Али, не смог устоять, любопытство — жестокая тётка))
Заказывал три штуки, но добрый китаец положил в пакетик шесть, что закономерно греет наши души.
Рассмотрим же чудеса китайпрома подробнее! >>>
Делить платку на модули продавец не стал, что в целом правильно:

Все фоты в обзоре кликабельны.Параметры обещает такие:
Модуль повышающего преобразователя постоянного тока, рабочая частота 150 кГн(ага, именно кГн) ))
Типичная эффективность преобразования 85%
Размер модуля: 11 мм х 11 мм х7.5 мм (очень маленький размер)
Входное напряжение 0,8-3,3 В: выходное напряжение 3.3В
Пиковый выходной ток: 500 мА
Пусковое напряжение 0,8 В, выходной ток 10 мА
Вход 1-1,5 В, выход 3.3В 50-110МА
Выход 1,5-2 В, выход 3,3 В 110-160 мА
Вход 2-3 В, выход 3,3 В 160-400 мА
Это модуль преобразования повышения напряжения, при его использовании необходимо соблюдать следующие условия.
1.Входное напряжение не может превышать номинальное напряжение, в противном случае модуль сгорит.
2.Входная мощность должна быть больше выходной мощности, в противном случае выходное напряжение будет меньше Q.
3. Выходная нагрузка не может превышать номинальную нагрузку, в противном случае выходное напряжение будет меньше Q.
Проверим размеры:


Соответствие наличествует, тут без обмана.Монтаж выполнен прилично, нигде ничего не висит, чистенько и красиво.
Как же оно должно работать?
Находим чип, дейтшит есть тут:
static.chipdip.ru/lib/976/DOC012976588.pdf
Это ME2108А, принцип действия прост и понятен:

Внуренности чипа:
То, что восточные братья называют OUT, на самом деле является входом делителя обратной связи, ну и питание с него берётся, видимо.Единственным OUT-ом тут является вывод Lx, куда выходит сток силового ключа.
Типовая схема из дейтшита, от которой производитель даже не подумал отклониться:
Тааак… нам для пыток надо подключать схемку через микроамперметр с большим сопротивлением шунта, а тут накопительный дроссель прямо на входе… первым делом паяем на вход фильтрашку на 1мкФ и заодно убеждаемся, что диод реально Шоттки:
Кстати, обозначения контактов на платке — вовсе не V0 и V1, как могло бы показаться, а Vi и Vo.В комментах у продавца есть товарищи, пытавшиеся подать напряжение на Vo, не надо так делать ))
Теперь меня слегка напрягает вопрос входного сопротивления вольтметра… измерять придётся микроамперы, какую прибавку к результату измерения обеспечит включенный после амперметра вольтметр? Особого доверия китайцам нет, проверяем на разных напряжениях:



С этим понятно.Собираем макет

Здесь и далее на картинках: Флюк измеряет входной ток схемы, после него включены клещи ЮниТ на измерение напряжения, слева мультиметр ЮниТ измеряет напряжение на выходе (где применимо).
Для начала проверяем нижний порог запуска на ХХ, это 0,55В:
Далее снижаем напряжение до срыва выхода, предельное рабочее напряжение на ХХ — 0,325В:
Посмотрим на йихаха, в смысле, ток холостого хода Ixx при разных напряжениях входа и отключенном выходе:


При 2,5В ток прыгает от 0 до ~6мкА, поэтому приведены две фоты.Ну что, к главному?
Первый этап — ток выхода 1мА, для этого нахожу такой резистор, хороший, советский)):

Крутим и смотрим:


Под нагрузкой предел рабочего напряжения снижается до 0,265В… замечательный результат!Посчитаем КПД для всех проверенных значений:
Какой-то очень странный провал на 1,5В… зато на нижнем пределе — очень даже неплохо.Сделаем то же самое для тока 10мА, берём такой резистор:

И снова крутим:

При такой нагрузке снижать напряжение дальше смысла нет, считаем:
Нобелевку срочно в студию!!!Только что, прямо на глазах изумлённой публики, произошёл прорыв тысячелетия, изобретён вечный двигатель!!! )))
Достаю осцил, так или иначе надо было смотреть, что там на выходе, цепляю обратно резистор на 3,3к, чтобы обеспечить минимальную нагрузку, и вижу:


Первый кадр — это 2,5В на входе, второй — 1,5В, третий — 0,5В.Частота не просто плавает — она плавает в разы, и при 2,5В составляет всего около 1кГц, а обещали-то 150…
Правда, в дейтшите на чип указано
Maximum oscillator frequency:180KHz(Typ.),
но как-то я даже предположить не мог, что при этом минимум может быть настолько низким )))
То есть, всё выше намерянное — ну… можно принять к сведению, как примерную оценку.
И на входе надо явно не 1мкФ, и на выходе — сильно поболе того, что там стоит.
Ну и, раз уж есть осцил, посмотрим, что там на стоке ключа — любопытство, опять же.
— при 3В на входе:

— при 2В:
— при 1 В:
— при 0,5В:
Такие дела…Проверим ещё, что происходит при превышении входного напряжения над выходным.
— при подключенной нагрузке 3,3к:

— при отключенной нагрузке, напряжение на входе 4В и 5В:

Резюмировать не буду, всё должно быть более-менее понятно, выводы о применимости к своим условиям каждый сделает сам.
Есть точно такие же модули на 5В выходного напряжения, у того же продавца.
Киса просит лайк!:

Всем
Самые обсуждаемые обзоры
| +52 |
1806
32
|
| +19 |
1896
41
|
захикки.интересно а есть такое но синхронное? (без диода шотки)
а вам сепики посмотреть бы, или вот это.
https://aliexpress.ru/item/1005004680099594.html
а если ток холостого роли не играет, то смотрите на сепик, только чтоб мог до низкого высаживать, питание схемы берите с выхода.
Я про эти вспомнил, да и если прочесть все, сепик я тоже предлагал.
Поэтому сразу надо писать особенности, чтобы люди понимали, стоит ли в эту сторону смотреть или нет. У вас же лишь:
Вот я минусы и написал.
Хочу в тестер поставить, который питается от кроны. Я туда кроватку на две ААА батарейки поставил, все отлично, а вот с преобразователями засада, съедают батарейки меньше чем за месяц. Там кнопки питания в тестере нет, да и сам тестер на ЖК и практически ничего не ест… а холостой ток повышаек большой, даже без нагрузки…
Или может что посоветуете?
Эту «Крону» делал с физическим выключателем.
Два литиевых «пакета» (можно от электронных сигарет), включенных последовательно. Заряжать отдельно в зарядном устройстве.
если человека устроит минимум в 6 вольт, то и мастерить ничего не надо, и сигареты стрелять не придется.
даже если версия с повышайкой, высаживают они за несколько месяцев, а не один.
можно и 2s поискать, там такой проблемы вообще нет.
Еще не высадил ни одной батарейки, что плюс ), но на выходе постоянно 8,4В, что странно при наличии контроллера.
https://aliexpress.ru/item/1005006737842548.html
Микруха на них была аккуратно отпаяна, ножка EN отогнута и соплёй подтянута к точке, где при активации прибора появляется напряжение(а при отключении соотв. пропадает).
Т.О. в состоянии покоя повышайка не работает и выдаёт 1:1 напряжение с аккума и лишнего почти не жрёт(можно ещё светодиодик снести для собственного покоя). Ну а когда жмём на энкодер — просыпается и начинает выдавать все 9.
https://aliexpress.ru/item/1005006903625457.html
https://aliexpress.ru/item/1005006366996657.html
Вижу тут и на плате доработки, и корпус. Расскажите, пожалуйста, подробнее, что и как.
Ну или пост запилите.
А про питание вроде по фото +- понятно что происходит
без выключателя. Зарядки хватает на 2-3 месяца
а китайцы их платками уже торгуют?
https://aliexpress.ru/item/1005004153988003.html — первый попавшийся
у меня и по названию микрухи не нашел, и даже по скопированному названию с вашей ссылки ищет все кроме ее.
p.s. обзорец именно этой платки есть на хабре.
Ну, килоГенри, ок… но…
а при чем тут таки частота?
Но наверно трудно вам живется.
Это же цитата из описания лота.
Т.е., нужна замена 2хАА.
Отличная вещь, собран на синхронном преобразователе TPS63020 от TI. Повышающе-понижающий.
Не найду, в чём основные отличия по ТХ?
О частоте. Микромощные модули — PFM, то есть, меняют не длительность импульсов, а их частоту. На практике просто работают на максимальной частоте, потом выключаются, ждут некоторое время, снова включаются. Качество выходного напряжения хуже, зато микропотребление. Если на выход добавить ёмкость, частота включений снизится.
Плюсы от синхронного выпрямителя здесь должны быть меньше, чем в моей схеме, т.к. выше выходное напряжение, значит, меньше % теряется на диоде. Поэтому 60% КПД при 1.5 В выглядят несколько странно, возможно ошибка измерения? Ведь даже при в 10 раз большем токе в следующем тесте у вас вышло 70%. Но даже 70% — посредственное значение, при выходном 3.3 В должно быть хотя бы 85%.
Опять же исходя из схемы включения никакой это не выход, а вывод силового ключа (сток полевого транзистора). И ток в него втекает (а не вытекает), когда он открыт и когда в дросселе запасается энергия.
Так что китайцы все правильно показали — выход преобразоваетеля и вывод (ключа), к которому подключается индуктивность (Lx). Т.к. кроме элементов этой микросхемы в преобразователь входят и другие важные элементы (как минимум, дроссель и диод), вряд ли стоит искать у этой схемы силовой вход, т.к. она не сама по себе преобразует одно напряжение в другое. Либо если уж очень хочется, согласиться с тем, что ее силовым входом (как правильно указали китайцы) является вывод Lx, который на некоторое время коротится силовым ключом микросхемы на землю и в это время через него протекает входной ток преобразователя (дросселя).
Не в защиту китайцев, а исключительно справедливости ради ;-)
А при чем тут, опять же, схема включения?
Схем включения можно придумать всяких разных, с чего вдруг производитель чипа решил, что его вариант — единственный?
Мы смотрим на схему чипа, а на ней это — выход с открытым стоком.
Хотя я понимаю: автор не читатель — автор писатель!
Но кисе — лайк )))
mysku.club/blog/aliexpress/105151.html#comment4751223
Так шта кто бы говорил про писателей )))
Цитаты: