Аккумулятор Yafa 21v

- Цена: 400 руб.
- Перейти в магазин
Крайне не однозначная покупка. Обзор, разборка и легкий моддинг внутри =>>
UPD: Не заряжалась батарея, вопрос решен выведенным шнуром со штекером из зарядного устройства.
***Как вариант было — приобрести отдельное ЗУ в виде адаптера с шнурком***
Одновременно с шуруповертом Patuopro заказал акб:

Сомневаться даже не думал — по отзывам в карточке товара всё более менее пристойно (50/50), да и мне не для вджоба шуруповерт нужен, бытовые вопросы.
Надписи видимо как «фильтр» работают — если человек «берёт» такое, значит он точно не лес валит, и не дома строит:

«Разделение власти»:

Вес:

Показания «из коробки» (так то в «пупырке» приехало и пакете запечатанном):

Не сильно тяжёлый в сборе с шуриком:

Первый восторг от первой неведомой железки в сборе был таки:
Удобно, красиво, и совсем недо…
… рого… Ну вообщем на несколько дырок хватило этой батареи (ок, как получил из пвз, так и поставил, дополнительно не заряжал):

На таком напряжении шуруповерт отказался работать, всё:

Поставил на зарядку, а ноль реакции — зарядное показывает зелёный свет и заряд не идет никуда…

Надо смотреть, так-то крутило бодро:

Нет пружинной клеммы «посередине»:

Клеммой той попозже займусь, что за 18650 установлены надо срочно узнать:

Батарея «Yafa» не сильно дорогая, не стал церемонится ради интереса:

Оторванные банки «посадил» в фонаре (до ± одинаковых напряжений), и замерил одну:
Тестер сопротивления батарей RC-3563 показал неплохие цифры (280/26=10А… недурно для банок по 77руб/шт, или даже дешевле, ещё и корпус/плата в комплекте).
Почти 1200mAh:

После снятия термоусадки — нашлась маркировка, с ёмкостью почти 1:1 той, которую намерял «показометр» (и я ему верю — смартфон с акб 6000mAh он тоже пропалил почти 1:1):
HY 25B26 1200P 2D10
В сети не нашёл информации, что за производитель.


Приварил точечной сваркой обратно:

Последним аккордом отодрал наклейку:

Вместо неё будет плёнка «под карбон» (в фикс-прайсе купил давно, изредка использую, вещь):

Готово, замерил напряжение:

***
После сборки поставил на зарядное Нет, не поставил. Полез внутрь ЗУ, припаивать «мостик»:

Все ок — зарядка прошла успешно,
за час до номинальных значений:

Тесты…
Для наглядности:

Жирным шурупом — 50 раз по шляпку и обратно,

На удивление — без проблем:

Ещё 10 ± раз, уже плашмя:

Сила работы не изменилась, индикаторы на шуруповёрте показывают полный заряд:

Поставил наяпонскую бензопилу пылесос эту батарею (клещи 20А показали потребление в обзоре, в прошлый раз):

— 30 секунд работы и всёагааа!©…

Понятное дело — не та батарея.
Переставил её обратно на шуруповёрт, взял сверло побольше (для дерева не нашлось толстого, поэтому поставил для металла, тест интересней будет) и…
Несколько дырок плашмя — готово:
Слишком просто… Доска не толстая.
Торец доски (15 дырок; на всю рабочую длину сверла естественно и следующие этапы так же):

Боковая сторона 30 дырок:

Не то что б надоело — явно цену батарея отбивает свою, прекратил тест. Напряжение в моменте:

Если у Вас есть предложения как нагрузить адекватно эту батарею, пишите, самому интересно.
***
Индикатор на шуруповерте — ни одно деление не уронил (когда батарея только из пвз была использована и разряжена — он в принципе так же вел себя, до последнего показывал все деления, потом резко 3… 2… 1, стоп). Нагрева батареи при работе (с пылесосом в том числе) и в конце — не было.
Моё мнение — для «домашнего применения» подходит вполне. Корпусную мебель собирать, или полочки вешать ей по силам.
Всем добра.
PS — Когда начинал писать, моё мнение было прямо противоположным — «купил ерунду, села быстро да ещё и без клеммы… », сейчас не такое. Тесты выше красноречивей.
PS2 — Цену написал на день публикации, я заказывал за 388руб, доставка 3-4 дня.
UPD: Не заряжалась батарея, вопрос решен выведенным шнуром со штекером из зарядного устройства.
***Как вариант было — приобрести отдельное ЗУ в виде адаптера с шнурком***
Одновременно с шуруповертом Patuopro заказал акб:

Сомневаться даже не думал — по отзывам в карточке товара всё более менее пристойно (50/50), да и мне не для вджоба шуруповерт нужен, бытовые вопросы.
Надписи видимо как «фильтр» работают — если человек «берёт» такое, значит он точно не лес валит, и не дома строит:

«Разделение власти»:

Вес:

Показания «из коробки» (так то в «пупырке» приехало и пакете запечатанном):

Не сильно тяжёлый в сборе с шуриком:

Первый восторг от первой неведомой железки в сборе был таки:

… рого… Ну вообщем на несколько дырок хватило этой батареи (ок, как получил из пвз, так и поставил, дополнительно не заряжал):

На таком напряжении шуруповерт отказался работать, всё:

Поставил на зарядку, а ноль реакции — зарядное показывает зелёный свет и заряд не идет никуда…

Надо смотреть, так-то крутило бодро:

Нет пружинной клеммы «посередине»:

Клеммой той попозже займусь, что за 18650 установлены надо срочно узнать:

Батарея «Yafa» не сильно дорогая, не стал церемонится ради интереса:

Оторванные банки «посадил» в фонаре (до ± одинаковых напряжений), и замерил одну:

Почти 1200mAh:

После снятия термоусадки — нашлась маркировка, с ёмкостью почти 1:1 той, которую намерял «показометр» (и я ему верю — смартфон с акб 6000mAh он тоже пропалил почти 1:1):

В сети не нашёл информации, что за производитель.
Термоусадка + пластиковое кольцо в помощь (дул строительным феном, зажигалкой не советую):


Приварил точечной сваркой обратно:

Последним аккордом отодрал наклейку:

Вместо неё будет плёнка «под карбон» (в фикс-прайсе купил давно, изредка использую, вещь):

Готово, замерил напряжение:

***

Все ок — зарядка прошла успешно,


Тесты…
Для наглядности:

Жирным шурупом — 50 раз по шляпку и обратно,

На удивление — без проблем:

Ещё 10 ± раз, уже плашмя:

Сила работы не изменилась, индикаторы на шуруповёрте показывают полный заряд:

Поставил на

— 30 секунд работы и всё

Понятное дело — не та батарея.
Переставил её обратно на шуруповёрт, взял сверло побольше (для дерева не нашлось толстого, поэтому поставил для металла, тест интересней будет) и…
Несколько дырок плашмя — готово:

Торец доски (15 дырок; на всю рабочую длину сверла естественно и следующие этапы так же):

Боковая сторона 30 дырок:

Не то что б надоело — явно цену батарея отбивает свою, прекратил тест. Напряжение в моменте:

Если у Вас есть предложения как нагрузить адекватно эту батарею, пишите, самому интересно.
***
Индикатор на шуруповерте — ни одно деление не уронил (когда батарея только из пвз была использована и разряжена — он в принципе так же вел себя, до последнего показывал все деления, потом резко 3… 2… 1, стоп). Нагрева батареи при работе (с пылесосом в том числе) и в конце — не было.
Моё мнение — для «домашнего применения» подходит вполне. Корпусную мебель собирать, или полочки вешать ей по силам.
Всем добра.
PS — Когда начинал писать, моё мнение было прямо противоположным — «купил ерунду, села быстро да ещё и без клеммы… », сейчас не такое. Тесты выше красноречивей.
PS2 — Цену написал на день публикации, я заказывал за 388руб, доставка 3-4 дня.
+22 |
10119
76
|
+118 |
7789
70
|
Самые обсуждаемые обзоры
+92 |
4546
82
|
сваркой нужно хотябы 8 точек делать, не 2 раза тыкнуть
Если за секунду не получается, можно две. Если за две не получается — значит, что-то делаем не так. Откладываем батарею, чтобы она остыла.
mysku.club/blog/diy/99290.html
За год в ванной он никак не повредил плату. То есть, вероятность, что он будет окислять аккумуляторы минимальна и уж точно не сравнима с кислотой. Тем не менее, я его тоже стараюсь отмывать «на всякий случай». Но не переживаю, если это не всегда получается.
Вообще же, моя мысль была в том, что не нужна кислота для пайки 18650, достаточно и обычного хорошего флюса. Какого именно, тут, наверное, каждый, кто паяет сам знает, какой ему нравится.
2) Ваткой (салфеткой) смоченной спиртом или очистителем чистим места контакта от жирных загрязнений.
3) Промачиваем ортофосфорной кислотой (как писали выше много не надо хватит капли размером с комариную слезу).
4) Берём хороший паяльник с подходящим жалом (главное это хорошая теплопередача) и (смочив припоем жало для лучшей передачи тепла поверхности) залуживаем ячейки. Ячейку держим в руке для оценки температуры, плюсовой вывод лудится легче чем минусовой. Всё должно происходить в считанные секунды, никаких мурыжаний по пол минуты, если не получается ищем другой инструмент.
5) После лужения берём салфетку смачиваем очистителем кладём на стол и опуская в неё ячейку протираем место пайки удаляя все что осталось после пайки. (не допускаем затекания очистителя под термоусадку)
6) Ну а дальше припаиваем что нам надо провод, шину естественно тоже предварительно залудить.
P.S. не считаю этот метод правильным но как обычно «не покупать же ради одного раза аппарат для точечной сварки» и так каждый раз ))) Из бонуса использую медные листы 0,4мм из которых вырезаю то что мне надо и полностью залуживаю.
21700 tabless шло туговато.
Взять SEQURE S99 и им подобные цена ерунда (дороже СССРовского конечно но вполне демократично), может работать от Type-C 65W от повербанка а что ещё круто можно питать от литиевого АКБ 5S. Покупаем защёлку на народную LXT делаем адаптер и получаем очень крутой «полевой» паяльник.
На сегодняшний день С245 не такая и редкость среди простых людей.
Не надо путать с соляной кислотой, травлёной цинком, которую используют для обычного железа.
Как-то мне даже в голову не приходило пытаться солянкой паять нержавейку — зачем бы, если нужная стОит копейки и свободно доступна?
Я понимаю при «совке» когда ничего нет и достать ничего нельзя, тут варианты или ничего или вонючий аспирин( и если что даже в те времена аспирин считался зашкваром)
Но зачем этим садо-мазо заниматься в современности когда флюсов и припоев пруд пруди и достать можно что угодно по щелчку пальцев. (както-же в руки 900-m-t попал)?
А лёгкие и глаза как от паров пережжённого аспирина не начали крошится?
Берём такой вот паяльник за 500р с алика, ставим самое крупное из его родных жал:
И обычный еще советский припой колбаской.
Ставим паяльник на 350 градусов.
Прямо носиком флакончика чуть размазываем капельку кислоты по аккуму, захватываем каплю припоя, чуть держим на весу, чтобы разогрелся, прикладываем — вуаля, есть залуженное пятно.
Протираем обычным ватным диском, хорошо смоченным обычным медицинским спиртом, сдуваем излишки спирта, паяем на аккум предварительно облуженный провод.
Получаем отличный результат, превосходящий сварку по всем параметрам.
на плюсах всё хорошо ровненькая капелька, на минусе сопля явный признак того что от места пайки тепло уходило сильнее чем его мог подвести паяльник.
Медные шины и(или) 21700 шло бы гораздо хуже.
Пролудилось качественно, припаяно намертво, не?
Для большего размера аккумов нужен паяльник чуть мощнее и жало чуть толще.
Я понимаю что если себя не похвалишь то никто не похвалит, но по факту вы взяли простое пяло с алика которое не подходит для таких работ что видно на «минусе» (точка пайки с таким внешним видом считается ненадёжной).
Соединение АКБ при помощи пайки само по себе спорное решение, так вы ещё получили сборку у которой 50% соединений под вопросом (уверен что на всех минусах у вас такая картина), что очень «кстати» для изделия которое
можетбудет испытывать тряску, перепады температур, падения. Да оно вроде нормально на момент изготовления, но что будет дальше? переделывать не придётся?Вам извините уже нужен другой паяльник на простом случае (без больших акб 21700, без (медных) шин которые работают как теплоотвод, без сборок с параллелями где соседняя ячейка отбирает тепло с общего вывода, без tabless ячеек которые помимо того что ток лучше проводят так ещё и теплопередача выше.
Так что не надо «лепить горбатого» про то что всё «проще и быстрее» а уж тем более не стоит вешать лапшу на уши кидая фотку и рассказывая про результаты лучше чем при сварке.
Здесь не дурачки в комментариях сидят.
Отремонтированные и пересобранные мной аккумы прошли и продолжают проверку боем — на реальном производстве.
Ничего не отвалилось пока нигде, привет недурачкам )))
Для более других аккумов нужен более другой паяльник, возражений нет, я выше уже соглашался
А вот 18650 всегда паял с ЛТИ-120. В них главное хорошо зачистить, тогда паяется без проблем.
в основном я собирал батареи из элементов с приваренными пластинами припаивая к ним медный провод.
и что забавно, два шприца небезызвестного кингбо показывали кардинально разную активность при их лужении. хотя в части поверхностного натяжения они ~одинаковы.
ozon.ru/t/Evi4IXu
Помимо основного назначения (сварка 18650 и «таблеток») приварил два небольших ушка для металлической полки на кухне. Она лежит на боковых держателях в шкафу, иногда соскальзывала с одного из них. Теперь закреплена шурупами надежно.
см. на Ютубе youtu.be/90FrijyPFIw?list=TLPQMjQwODIwMjVh9OCVT1uGjQ
Могу посоветовать для сборки комплект youtu.be/drCRw0X01Xw?list=TLPQMjQwODIwMjVh9OCVT1uGjQ
ozon.ru/t/MuUswPp
Собрал батарею с честными 6Ач за 1килорубль.
Все 10 шт пришли с напряжением 3,5975-3,5986 В, сопротивление всех 10 шт 12,36-12,82 мОм. По емкости 2500 mAh +- 40 mAh. Собрал сборку 5S2P (перед свариванием выровнял все до напряжения 4,19 В). Разрядил собранный аккумулятор током 2 А до отключения самой BMS. Получил 4920 mAh. Поставил на зарядку током 2 А до 20,8 В. Разобрал корпус. Замерил напряжения на банках — получилось от 4,152 В до 4,156 В. Балансира в аккумуляторе нет (да и заряжал до напряжения, когда балансир бы еще не включился — обычно пассивный балансир включается в конце заряда при напряжении 4,2 В и выключается при 4,18 В. На красных длинных платах для Макиты как ниже на фото у katran такой пассивный балансир есть. Но включится он только в конце заряда при напряжении на ячейке 4,2 В. До этого напряжения он никак себя не проявляет и ни на что не влияет. Он поможет при не сильном разбалансе чуть притормозив заряд вырвавшейся ячейки взяв на себя часть зарядного тока (обычно 50-70 мА — зависит от нагрузочного сопротивления в балансире, чаще там на 62 Ом). Работает эффективнее когда общий ток заряда в конце 100-150 мА. При сильном разбеге ячеек ток заряда в конце будет больше 500 мА и балансир с его током в 60 мА уже не справиться и позволит зарядить ячейку выше 4,3 В. BMS отключит всю батарею от заряда, хотя остальные ячейки еще не набрали заряд. После прекращения заряда балансир на перезаряженной ячейке будет стараться разрядить её до 4,18 В своим током 60 мА. В зависимости от емкости аккумулятора этот процесс может занять продолжительное время.
Подбираем для сборки ячейки близкие по емкости, внутреннему сопротивления, Тогда пассивный балансир сможет помочь выровнять ячейки в конце заряда при небольшом расбалансе. Чуда от него ждать не стоит, но как небольшой помощник он справится.
Нашёл в статье одной на ix_bt…
Samsung INR18650-25R
Сопротивление внутреннее — 14мом
20А
***
280/14=20
В заметке про dh30 есть фото — на 5ке хорошо приваривает к акб… без прокалин…
и всё простенько и со вкусом :).
пс. у меня в коллекторныом у замененного движка провода от коллектора отвалились, пережали их там. в остальном движок как новый ;) оригинал же ужарили до хрустящей корочки без моего присутствия.
поставил третий за 200р — на озоне из китая. но заодно психанул и взял бесколлекторную.
для обычного мотора любой мусорв в АКБ годится
с бесколекторные уже нужны хорошие АКБ (а это дороже)
так как такой мотор сложно заклинить = ток большой
и ещё один минус бесколекторых… они прекрасно собирают всю металлическую пыль если вентиляция не верно сделана
Почему? Коллекторный мотор как раз ничем не ограничен в плане потребления, кроме сопротивления цепи. То есть, при клине будет жрать по максимуму. А в БК есть контроллер, который ограничит потребление.
Кстати, коллекторный мотор делает именно так.
бесколлекторатранзисторов, и прочих проводов. С другой стороны, коллекторным моторам тоже часто ставят контроллер с управлением током ШИМящим транзистором. Или даже мостом, для смены заодно направления.Верно. Отличие лишь в том, что для БК обязателен контроллер, а если уж есть контроллер, можно и защиту прикрутить.
Тоже верно. Если есть контроллер, можно и в коллекторном моторе блокировку вала нормально отрабатывать.
Более другие контроллеры да, при блокировке резко снижают ток, и ещё начинают подёргивать.
Можно, но есть нюанс. Если мы хотим поддерживать стабильные обороты коллекторному мотору, мы вынуждены отслеживать на нём именно ток. Потому что переключением обмоток занимается коллектор, наружу он не отчитывается. Сделать какие-то выводы о нагрузке мы можем только косвенно, по потреблению тока. Если это потребление растёт, значит мотору тяжело, надо дать ещё больше. А если больше некуда, то выключить совсем.
«Бесколлектор» же имеет датчики, дающие положение вала и обороты напрямую, иначе он не сможет переключать обмотки. При этом надобности отслеживать силу тока уже нет, для поддержания оборотов хватает обратной связи по самим оборотам. Можно игнорировать ток и сэкономить на шунте. А отслеживать заполнение ШИМ — не даёт никакой гарантии, потому что не учитывает напряжения и сопротивления.
PS — Искал по названию инфу про него, не нашёл, значит пора сделать самому обзорец. Наверняка пригодится ищущим инфу как я тогда.
внутри или снаружи?
Мне хотелось самый дешевый безщеточный+зу, такого комплекта не было, только если шурик+зу+акб…
Пс — в итоге второй раз вряд ли захочется жмотится, акб путопро заказано было все равно… xDD
Вставляю в уши, на холостом ходу сразу минус 1 деление на индикаторе акб, если поднажать — минус 2 деления…
Естественно аккумуляторы не подходят под мощные вещи, (типа уши за 2000р ).
На ягоде их видел по2000 за 5 ампер часов последний раз
А так в рознице они типа чуть ли не по 5000р… Жесть.
А
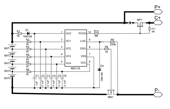
тут как раз вместо подачи напряжения напрямую на ячейки (написано B-) зарядка идет через ключи BMS (контакт обозначен P-), что безопаснее. Может, так и задумано изготовителем в том числе и из тех соображений, что бомж-аккумы вряд ли покупают для оригинального инструмента и оригинального ЗУ
p.s. внимательно посмотрите на фото, очень похоже, что «минус» разъема зарядки на плате BMS соединен именно с контактом P-
так и есть, зарядка и задумана через P+ (соединен напрямую с B+) и P- (коммутируется с B- транзисторами)
Там и на разряд 3 нормальных транзистора, и на заряд ключ, который пропустит нормальный ток и не будет греться как кипятильник, и NTC датчик(термоконтроль) есть.
А диод вы имеете ввиду D3 и D4? Это снизит нагрев имеющегося диода D4 при зарядке, но слабым звеном останется Q1, он хоть и заявлен на ток 4А, но при токе 1А уже очень хорошо разогревается. А если у Вас будет сборка 2P, то током 1А она будет заряжаться очень долго. Проще поставить нормальную BMS.
вот референсная схема в общем
в оригинале отдельный вывод для зарядки это минус
у китайцев отдельный коммутируемый плюс, и специальизированная микросхема на такой случай. фантастика
вкорячить минимальный функционал контроля зарядки в BMS это гениально все-таки
а на транзисторе даже в sot23 падает в разы меньше.
на таких зу не бывает 21. должно быть 21.3-21.5, по факту обычно больше 22. кроме легкого недозаряда это ничему не мешает. но вот перемычки блокирующие защиту кидать не стоит.
Но есть правило — китайцев лучше заряжать китайским ЗУ, родные — родным. Так как токи зарядки и аккумуляторы совсем разные.
Собрал батарею 10S3P gjktn yjhvfkmysq
youtu.be/5SvmripjCqs
Я там и шурик свой увидел, только патрон покучерявей:
p.s. минимальный комплект для замера емкости:
Есть нагрузка ещё USB на 3А, но это не томожно макисмально тупой обогреватель (чайник, духовка итп) на 2-3кВт, как раз будет порядка ампера. можно и слабее, ну будет чуть дольше.
думал было известную 15Вт нагрузку приспособить, но оказалось от 20В у нее линейные стабилизаторы перегреваются.
p.s. резистор хоть и 20Вт, но от этих ~20Вт он греется выше 200C, надо проявлять осторожность.
Минуту продержится? )))
хотя положить его в кастрюльку с водой ничто не мешает.
PS/ Перечитал ветку — понял ))
Конечно Макс мощность рассеивания надо учитывать с учётом обсуждений этой темы на нашем сайте. Например, я заменил штатный кулер на серверный с медной вставкой, нарезав по центру резьбу и притянув к плате вместе с транзистором…
https://aliexpress.com/item/1005009418656115.html
«свою заменил»
www.wildberries.ru/catalog/389518373/detail.aspx?targetUrl=EX
Всё в наличии, включая балансировку.
Впрочем, лично эти комплекты еще не проверял, не поручусь.
=им уже стала нужна балансировка
Достоверно установлено на фирменных акках Хилти, Метабо и Макиты.
При активной эксплуатации с родными зарядками, которые дают токи заряда по 5А, банки разбалансируются быстрее, чем изнашиваются.
Оно заметно (достоверно измеримо) различается по банкам даже в одной партии, и оно сильно влияет на разбалансировку при разряде-заряде большими токами.
Если одна греется при этом больше другой = при заряде она накопит меньше, а при разряде потеряет больше, поскольку больше проходящего тока уйдет в нагрев.
Что не так в этой логике?
Проведите конкретный эксперимент — возьмите батарею из 5-ти банок и между второй и третьей добавьте резистор. Пусть это будет внутреннее сопротивление элемента номер 2.
Теперь начните заряжать и разряжать эту батарею — банки всё равно будут заряжаться и разряжаться одинаково, на резисторе лишь будет падать какое-то напряжение. То же самое и с внутренним сопротивлением — на нем лишь падает какое-то напряжение при заряде/разряде, но на ёмкость в Ач оно никак не влияет. Соответственно, и дисбаланса вызвать никак не может.
А значит, именно она достигнет порогового напряжения раньше других, — и при заряде, и при разряде, — и хотя бы из-за этого будет быстрее деградировать. И больше других будет страдать от перегрева.
Владимир Ильич, помнится, писал: «практика — критерий истины».
А на практике я недавно чинил аккум 5s2p от Метабо, например, где одна пара была более чем вдвое хуже остальных четырёх — и по сопротивлению, и по ёмкости, 33 мОм и 1,3 А*ч на пару. Остальные при этом держались ровненько — 12 мОм и 2,8 А*ч на пару. Аккум на 3 А*ч, старенький, да, но на четырех-то парах деградации почти нет, а одна — в труху, оба аккума.
И такая ситуация совершенно типична, как для инструмента, так и для, например, ноутов, откуда тоже народ после смерти аккума достаёт оставшиеся живыми банки и еще много лет их использует.
Впрочем, спор беспредметен, ибо реальной статистики по аккумам с балансировкой еще не накоплено, слишком недавно они появились))
Но только дисбаланс это не вызовет, ведь ток через всю батарею продолжает идти одинаковый. То есть, батареи всё еще в равных условиях по току. Дисбаланс начнется, когда у ячейки появится саморазряд, вот тогда она начнет терять Ач не с той же скоростью, что и другие, что и приведет к дисбалансу.
Так это совсем другое — да, повышение внутреннего сопротивления увеличивает нагрев, это ускоряет деградацию, внутреннее сопротивление еще больше растет, цикл замыкается. Но только к балансировке это отношения не имеет — с балансиром было бы ровно так же.
У меня с шуруповертом деко несколько другая — сопротивление примерно у всех одинаковое, но вот у пары ячеек появился саморазряд. В итоге, батарея разбалансируется достаточно быстро, хотя после ручной балансировки работает какое-то время вполне нормально. В моем сценарии использования (редко) балансир не спасает, т.к. ток балансировки слишком мал, чтобы исправить ситуацию. Да, можно оставить на зарядке малым током на сутки и батарея выровняется, но это же совсем не типичная ситуация.
Сосед, к примеру, у меня есть, много лет ездит на зимнюю рыбалку с макитовкским мощным шуриком, лунки им сверлит во льду.
Инструмент еще как новый, две родные зарядки есть, а вот аккумы — с 17 года, и уже заметно потеряли в ёмкости, надо менять, так почему бы и нет?
А если именно про TPCell говорить, что я обозревал, там есть тайп-си, их вообще можно от любого USB заряжать (лучше, конечно, от PD 65 Вт).
После прекращения заряда балансир продолжит свою работу стараясь разрядить перезаряженную ячейку до 4,18 В своим сопротивлением 62 Ом током 70 мА. После снижения на ячейке напряжения до 4,18 В балансир выключится, отключив нагрузочное сопротивление и снова уснет до повышения напряжения на ячейке до 4,2 В. Время разряда ячейки таким током зависит от емкости ячейки и может занимать продолжительное время. Во всем остальном диапазоне напряжения на ячейке ниже 4,18 В пассивный балансир не участвует (как будто его нет). Конкретный ключ с нагрузочным сопротивлением работает только со своей ячейкой. Он не знает уровень напряжения на других ячейках и никак на них не влияет — так работает пассивный балансир. Не нужно ждать от него, что он отбалансирует всю батарею при разряде или ожидании.
Для примера картинка работы пассивного балансира. Это как клапан от перелива. Когда вода наполнит резервуар до отметки работы балансира, он начнет сливать излишки через тонкую трубочку по мере своих сил (переводя излишки в тепло на резисторе). Когда уровень воды опустится ниже уровня трубочки, она перестанет выливаться наружу. Это при условии, что приток воды прекратится. Если скорость притока воды равна скорости выливания через трубочку, то уровень в емкости останется на уровне этой трубочки. Когда скорость притока превышает скорость выливания через трубочку, емкость будет наполняться выше трубочки слива. Когда она упрется в потолок, сработает BMS перекрыв приток воды совсем. Балансир продолжит выливать излишки через трубочку. При снижении уровня в емкости до нижней границы трубочки вода перестанет выливаться через неё.
Или cаму бы платку для переброски ее в имеющиемя АКБ
сама плата с таким набором разьемов требует соответствующего корпуса, и что останется от старой батареи?
mysku.club/blog/russia-stores/103821.html
сейчас чуть подорожала, но было время по 2800 можно было купить. Имхо 2800 за такой комбайн — очень хорошая цена.
Плату или комплект под самосбор вижу оптимальным вариантом
Вы из Беларуси?
понравился обзор, как и батарея. Вот эти непонятные косяки, недоработки, которые вылазят в процессе эксплуатации и которые приходится покупателю исправлять за свой счет, порядком надоели. Наверное остается ждать новых ревизий или альтернатив от других «производителей».
Про то, что так нельзя делать с ЗУ (перемычку) вам уже написали. Также обратите внимание, что батарея у вас зарядилась до 21.5 В при максимально допустимом для такой батареи 21 В. Это перезаряд, вызванный дурной китайской системой, когда в батарее по входу зарядки ставится диод, а в зарядном устройстве это компенсируется повышением напряжения на 0.5 — 0.6 В. По факту же имеем несовместимые с нормальными батареями ЗУ, что вы и показали в обзоре. Поэтому да, выводите отдельный кабель на круглый штекер и заряжайте через него, там будет диод.
Померяю заряженную после шнурка.
Подав все напряжение с зарядного (21,7 В) на крайние контакты в обход защиты BMS вы зарядили ячейки до 4,3 В. Это для них вредно.
Снижать напряжение в самой зарядке до 20,8 В не имеет смысла, будет сильно недозаряжать пылесосный аккумулятор через средний контакт.
Если снизить напряжение заряда до 20,8 В и оставить перемычку среднего и крайнего можно заряжать и пылесосную. Но тогда уже обе батареи останутся без защиты по заряду при разбалансе ячеек.
Да и в вашей зарядке снизить напряжение будет не простой задачей, учитывая ваши познания в этой области.
Но без диода круглый разъем может опасность представлять — там контакты близко, попадет мелкая стружка и будет КЗ. Диод от этого защищает. Ну и чтобы напряжение подкрутить, надо понимать, как это делается, то есть, не особо массовое решение.
По мне, наиболее правильное решение — это допаять на плату третий контакт. Если там БМС есть, которая даже заряд умеет прерывать, то просто прекрасно. А ЗУ да, подкрутить до 21 В.
может еще куда то, пока не придумал )
но я наверное разбирать не буду, норм банки на авито лучше купить. а для этих на самоделки лучше контактную часть купить и их целиком использовать. куорпус все таки неплохой. фонарики/вентиляторы я имел ввиду продаются под их же крепление.
но если честно с аккумами оттуда возится не хочется, могут ббыть проблемы с доставкой изза них.
тут большше интересно что там они для своих пишут реальные характеристики этих аккумов и всей техники, даже если на товаре фейк наклейка, то в описании реальные параметры…
и кол-во циклов видимо не зря меньше написали
Ну, я и купил ради батарей по ~60 руб.))
а чтобы ее поменять надо распаять и спаять все банки.
Но всё равно взял одну. Спс за наводку… )
Можно в ней без пайки проводов механически переставить средний контакт вместо крайнего. Довольно просто снизить напряжение заряда до 20,8 В допаяв одно сопротивление на 430 К поверх R13. При желании можно также просто снизить ток заряда с 2 А до желаемой величины допаяв сопротивление поверх R20.
30 кОм — ток станет 1,5 А, 20 кОм — 1,3 А, 11 кОм — 1 А. Зарядка не дорогая, но сделана добротно с хорошей схемотехникой и радиатором силового транзистора. Можно добавить внутрь вентилятор 30х30х10 мм на 24 В и налепить снаружи индикатор с цифровым вольтметром.
Немного подпилив крайние контакты даже заряжал аккумулятор BOSH (снизив напряжение до 20,8 В).